GM Service Manual Online
For 1990-2009 cars only
Makes
🢒
Pontiac
🢒
2002
🢒
Bonneville
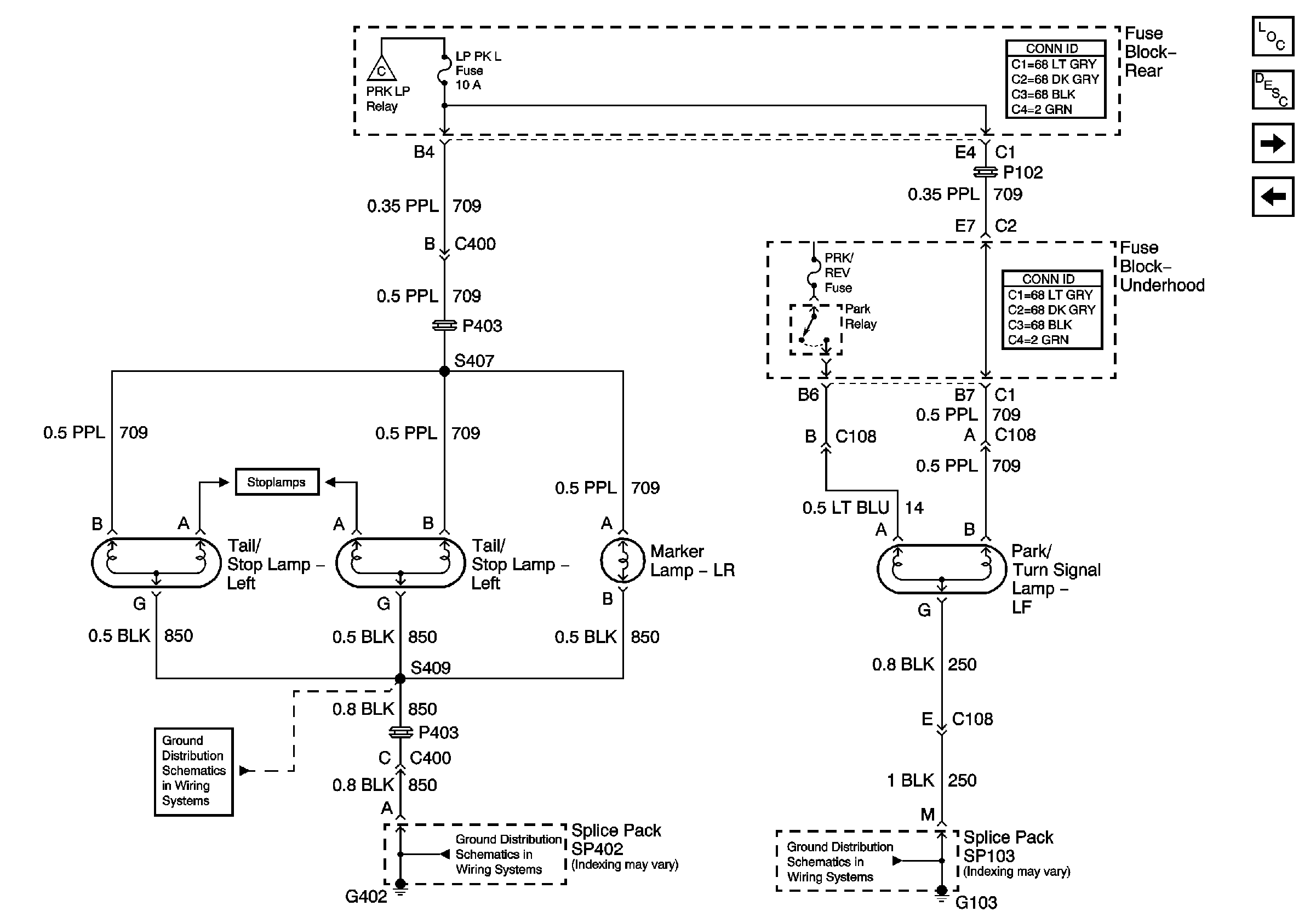
🢒 Left Park and Side Marker Lamps
Left Park and Side Marker Lamps
Left Park and Side Marker Lamps
Master Electrical Component List
Stop Lamps
G402
G402
Park LP Relay and License Lamps
G103
Right Park and Side Marker Lamps
Stop Lamps