GM Service Manual Online
For 1990-2009 cars only
Makes
🢒
Pontiac
🢒
2003
🢒
Bonneville
🢒
Engine
🢒
Engine Cooling
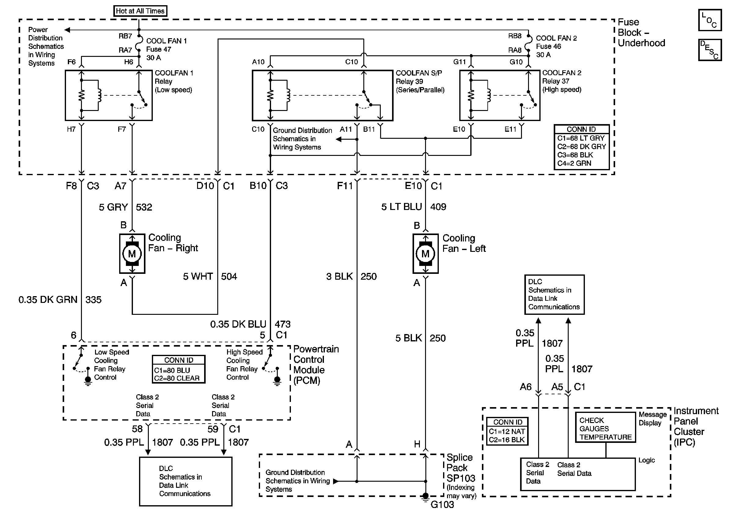
🢒 Engine Cooling Schematics
ABS, PCM BATT Fuses and the Cool Fan 1 Relay (Fuse Block Underhood)
G103
Serial Data Class 2
G103
Master Electrical Component List