GM Service Manual Online
For 1990-2009 cars only
Figure 1:

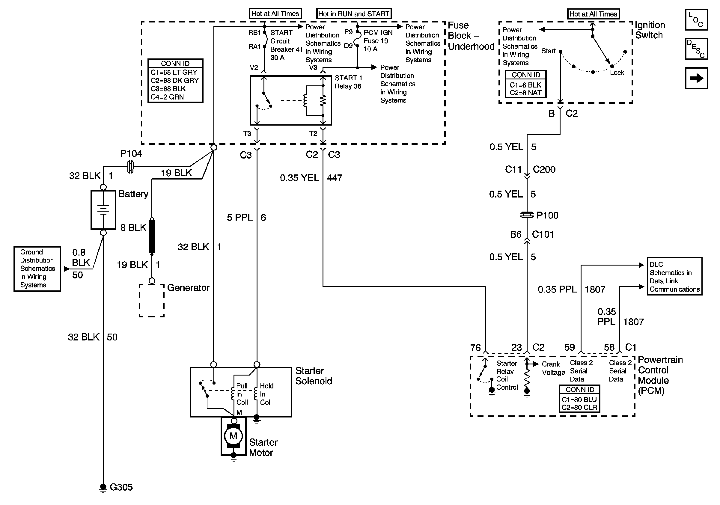
Starting Control


Object Number: 885638  Size: FS
Master Electrical Component List
Starting System Description and Operation
G303, G305, G310, and G404
Start, Horn, A/C CLU Fuses and Relays (Fuse Block Underhood)
TRANS, DIS, OXY SEN, IGN 1 Fuses and the IGN-1 and AIR Pump Relays(Fuse Block Underhood)
TRANS, DIS, OXY SEN, IGN 1 Fuses and the IGN-1 and AIR Pump Relays(Fuse Block Underhood)
Ignition Switch Positions
Serial Data Class 2
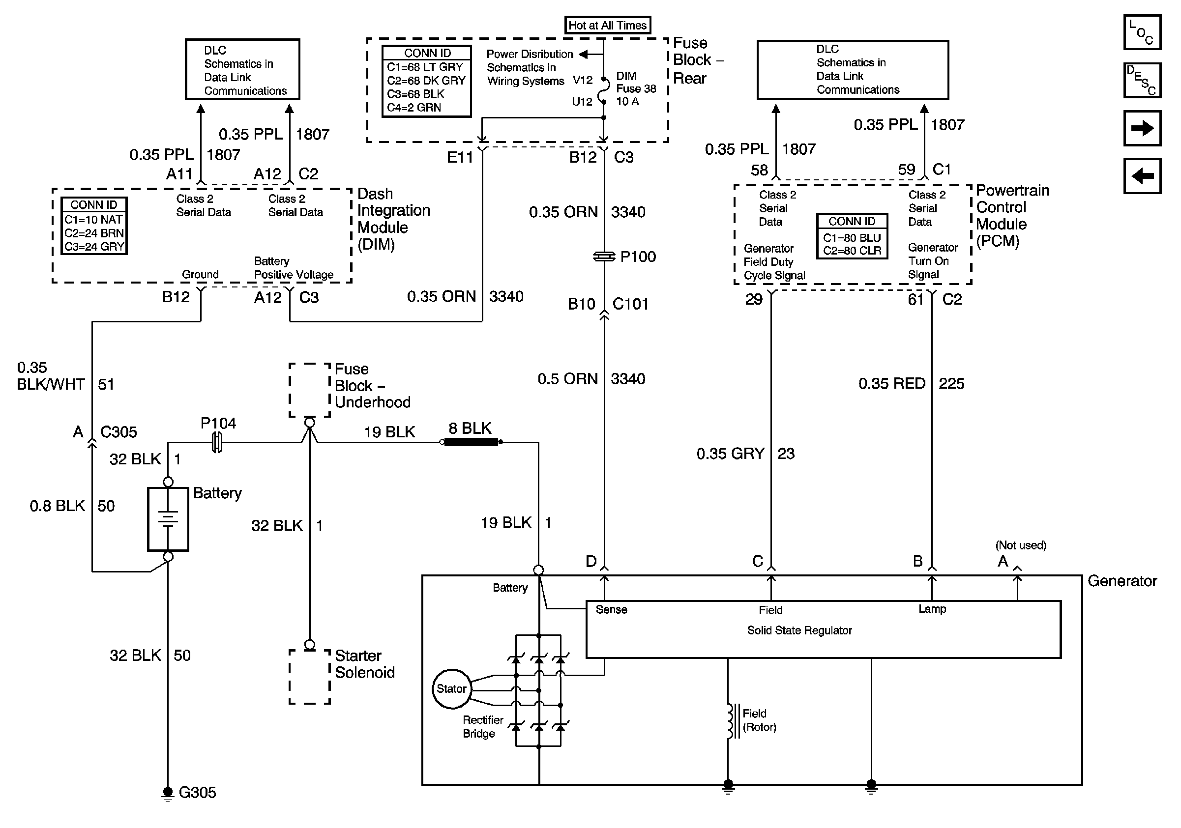
Generator Control
Figure 2:

Generator Control


Object Number: 885642  Size: FS
Master Electrical Component List
Charging System Description and Operation
Serial Data Class 2
HTDST RF, HTDST LF, DIM, and Mem Fuses (Fuse Block Rear)
Serial Data Class 2
Indicators
Starting Control
Figure 3:

Indicators


Object Number: 766049  Size: FS
Master Electrical Component List
Battery Description and Operation
Serial Data Class 2
Generator Control