GM Service Manual Online
For 1990-2009 cars only
Makes
🢒
Pontiac
🢒
2003
🢒
Bonneville
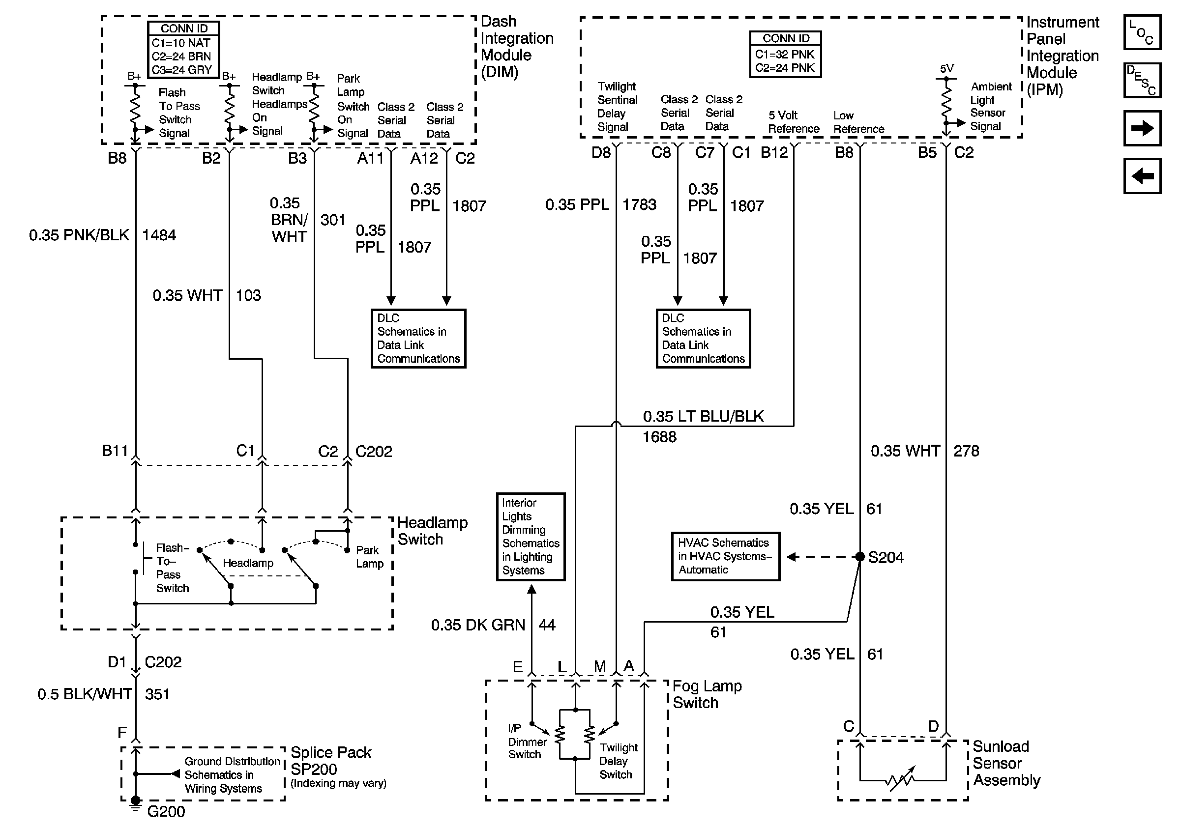
🢒 Headlamp, Foglamp, and Ambient Light Sensor Inputs (w/CJ2)
Headlamp, Foglamp, and Ambient Light Sensor Inputs (w/CJ2)
Headlamp, Fog Lamp, and Ambient Light Sensor Inputs (w/CJ2)
Master Electrical Component List
Exterior Lighting Systems Description and Operation
G200
Serial Data Class 2
Dimming Control
Serial Data Class 2
Temp Sensors w/CJ2
DRL Controls and High Beam Headlamps
Headlamp, Foglamp, and Ambient Light Sensor Inputs (w/C67)