GM Service Manual Online
For 1990-2009 cars only
Makes
🢒
Pontiac
🢒
2003
🢒
Bonneville
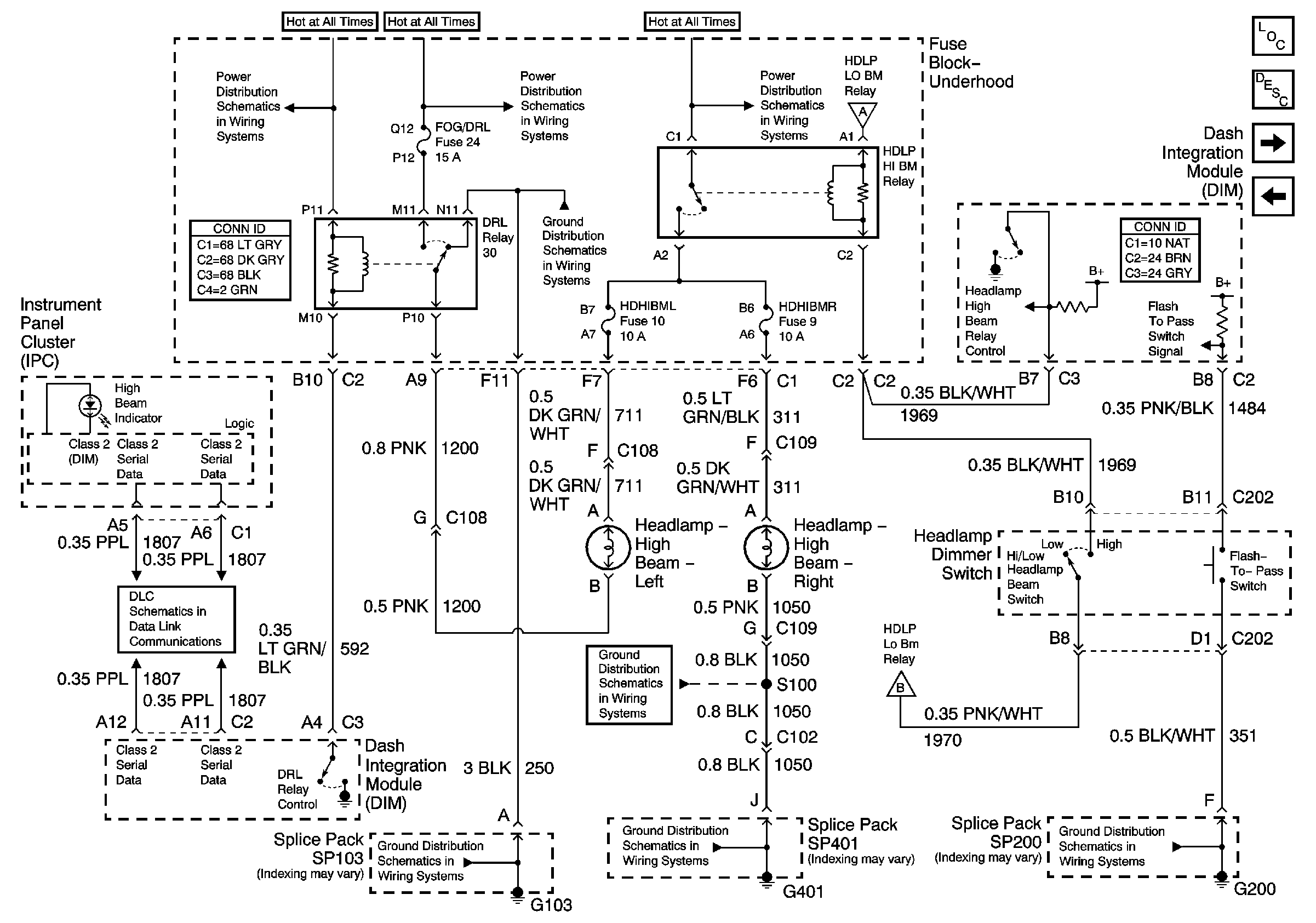
🢒 DRL Controls and High Beam Headlamps
DRL Controls and High Beam Headlamps
DRL Controls and High Beam Headlamps
Master Electrical Component List
Exterior Lighting Systems Description and Operation
Battery Feed to the Fuse Block Underhood
Serial Data Class 2
Battery Feed to the Fuse Block Underhood
G103
G103
G401 (2 of 2)
G401 (2 of 2)
Fog Lamp and Headlamp Fuses and Relays (Fuse Block Underhood)
Low Beam Headlamps
Low Beam Headlamps
G200
Low Beam Headlamps
Headlamp, Foglamp, and Ambient Light Sensor Inputs (w/CJ2)