GM Service Manual Online
For 1990-2009 cars only
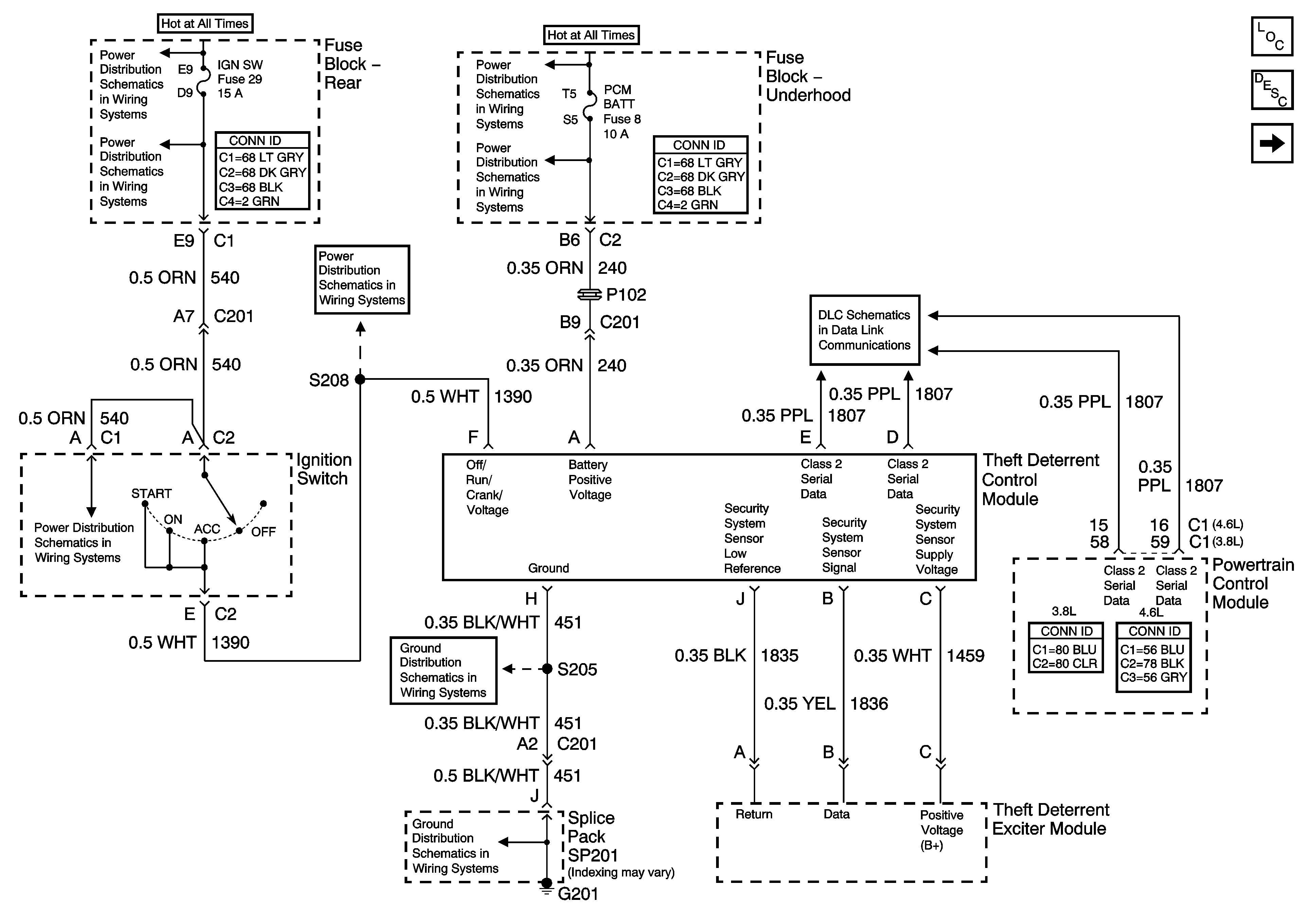
Figure 1:

Vehicle Theft Deterrent (VTD) System


Object Number: 1364710  Size: FS
Vehicle Theft Deterrent (VTD) Description and Operation
Rear Fuse Block - B+ Bus
IGN SW, and PRK/REV Fuses
Underhood Fuse Block B+ Bus - 3.8L
ABS, PCM BATT, andCool Fan 1 Fuse - 3.8L
Ignition Switch Positions
Ignition Switch Positions
G201 (2 of 2)
G201 (2 of 2)
Serial Data Class 2
Master Electrical Component List
Content Theft Deterrent (CTD) System
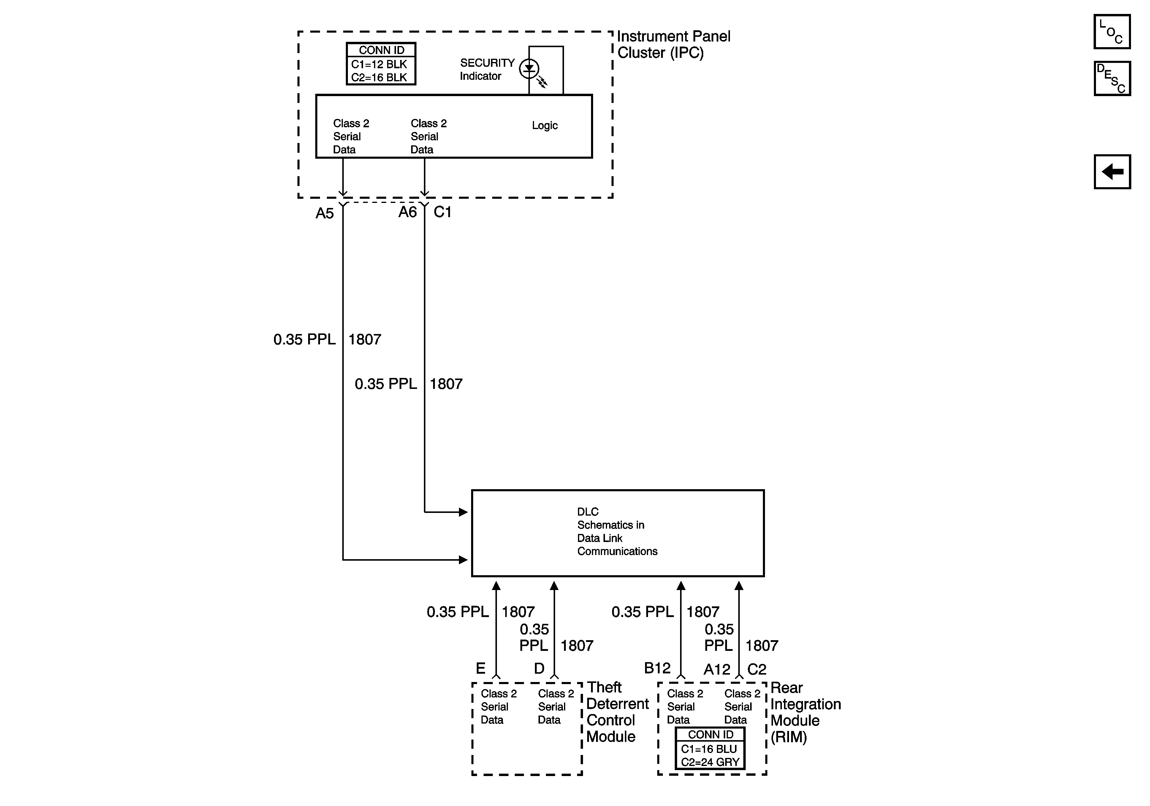
Figure 2:

Content Theft Deterrent (CTD) System


Object Number: 765679  Size: FS
Content Theft Deterrent (CTD) Description and Operation
Serial Data Class 2
Master Electrical Component List
VTD and CTD Indicators
Vehicle Theft Deterrent (VTD) System
Horn Schematic
Low Beam Headlamps
Figure 3:

Indicators - VTD and CTD


Object Number: 1364711  Size: FS
Vehicle Theft Deterrent (VTD) Description and Operation
Serial Data Class 2
G201 (1 of 2)
G201 (1 of 2)
Master Electrical Component List
Content Theft Deterrent (CTD) System