GM Service Manual Online
For 1990-2009 cars only
Makes
🢒
Pontiac
🢒
2004
🢒
Bonneville
🢒
Accessories
🢒
Power Outlets
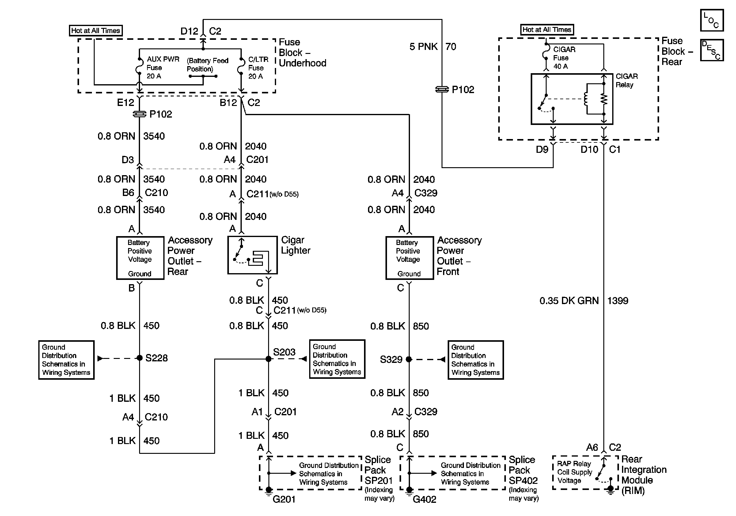
🢒 Cigar Lighter/Power Outlet Schematics
Master Electrical Component List
G201 (1 of 2)
G201 (1 of 2)
G201 (1 of 2)
G402
G402