GM Service Manual Online
For 1990-2009 cars only
Makes
🢒
Pontiac
🢒
2004
🢒
Bonneville
🢒 Compressor Controls
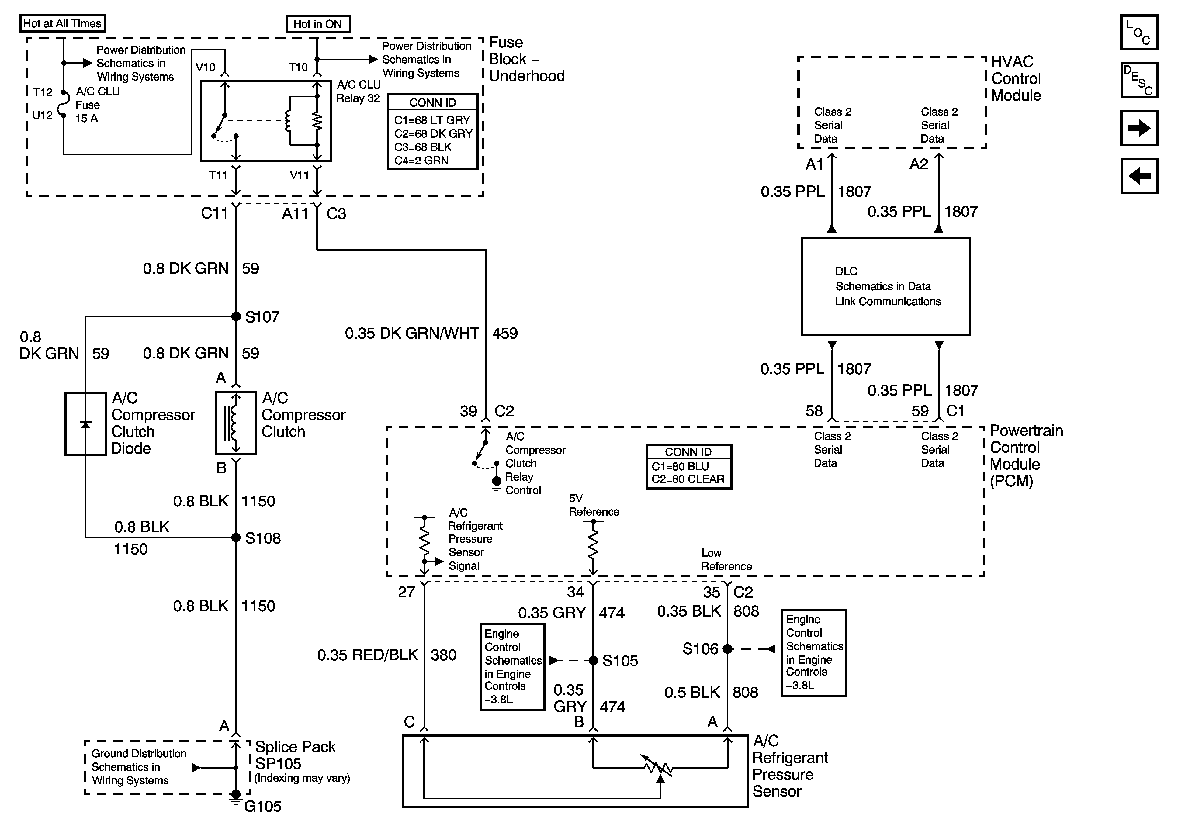
Compressor Controls
Compressor Controls
Master Electrical Component List
Air Temperature Description and Operation
Start Circuit Breaker, Horn, and A/C CLU Fuses 3.8L
G104 and G105 - 3.8L
Start Circuit Breaker, Horn, and A/C CLU Fuses 3.8L
Engine Data Sensors, 5 Volt and Low Reference
Engine Data Sensors, 5 Volt and Low Reference
Serial Data Class 2
Air Delivery
Blower Control