GM Service Manual Online
For 1990-2009 cars only
Makes
🢒
Pontiac
🢒
2004
🢒
Bonneville
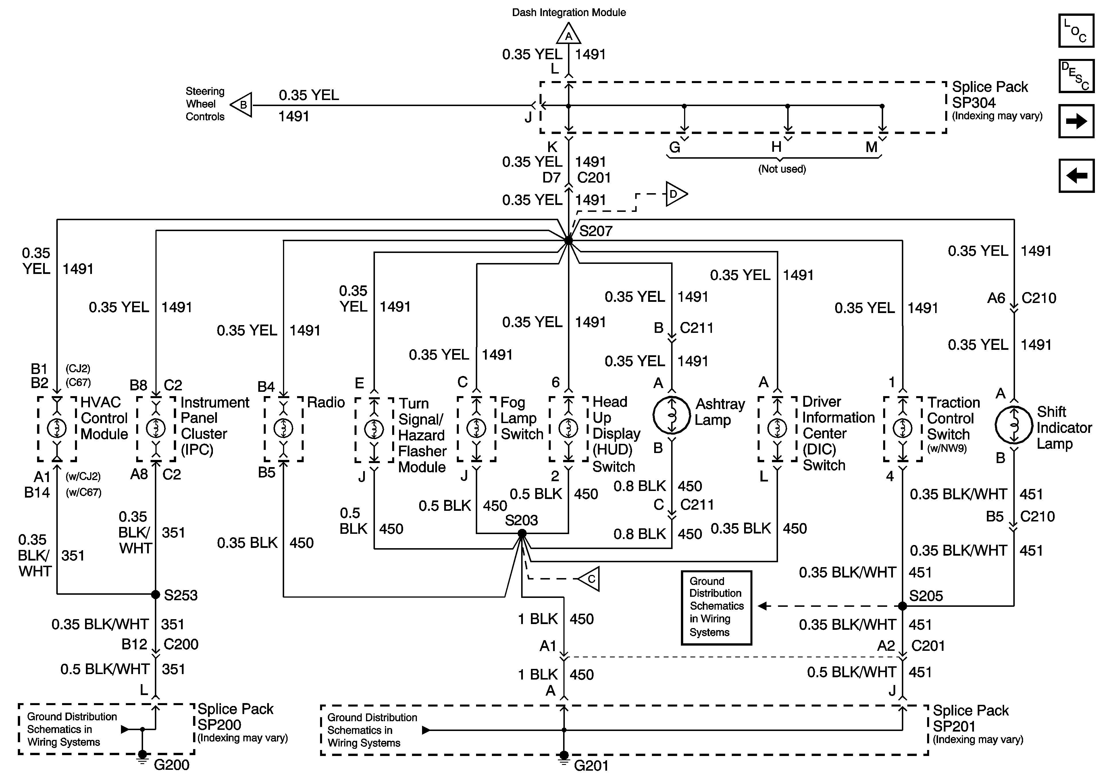
🢒 I/P and Console Dimming
I/P and Console Dimming
I/P and Console Dimming
Master Electrical Component List
Interior Lighting Systems Description and Operation
Dimming Control
Steering Column Lamps Dimming
G201 (1 of 2)
Dimming Control
Front Floor Lamps, and Heated Seat Dimming
Front Floor Lamps, and Heated Seat Dimming
G201 (2 of 2)
Front Floor Lamps, and Heated Seat Dimming
Dimming Control
G200