GM Service Manual Online
For 1990-2009 cars only
Makes
🢒
Pontiac
🢒
1985
🢒
Demonstrator
🢒 Power Windows
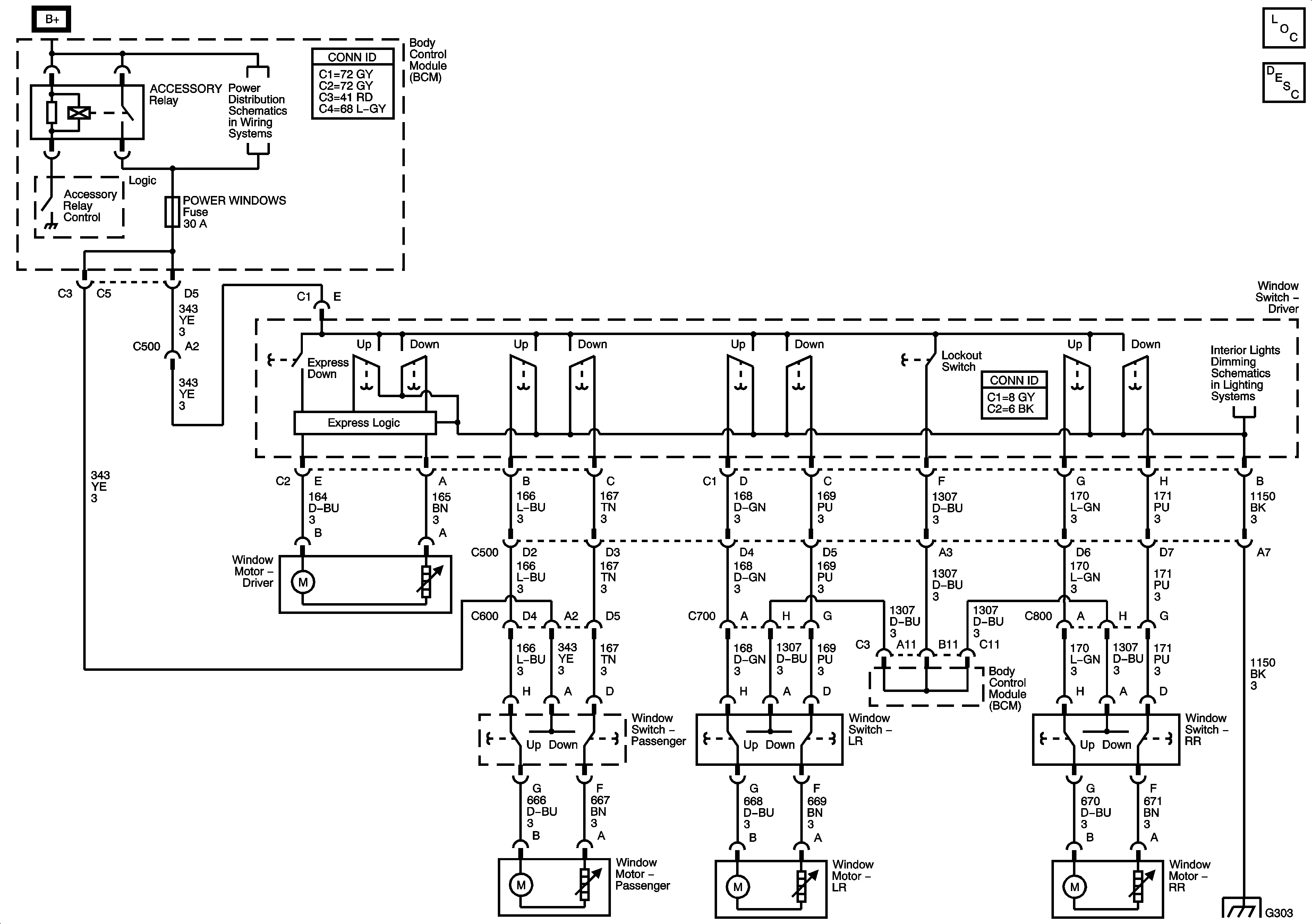
Power Windows
Master Electrical Component List
Power Windows Description and Operation
Fuse Block - Underhood - IBCM 2 Fuse, BCM - DOOR LOCK, INTERIOR LIGHTS, POWER WINDOWS, ROOF/HEAT SEAT, WIPERS SW Fuses and ACCESSORY Relay
Fuse Block - Underhood - IBCM 2 Fuse, BCM - DOOR LOCK, INTERIOR LIGHTS, POWER WINDOWS, ROOF/HEAT SEAT, WIPERS SW Fuses and ACCESSORY Relay
Steering Wheel and Doors
G303