GM Service Manual Online
For 1990-2009 cars only
Makes
🢒
Pontiac
🢒
1985
🢒
Demonstrator
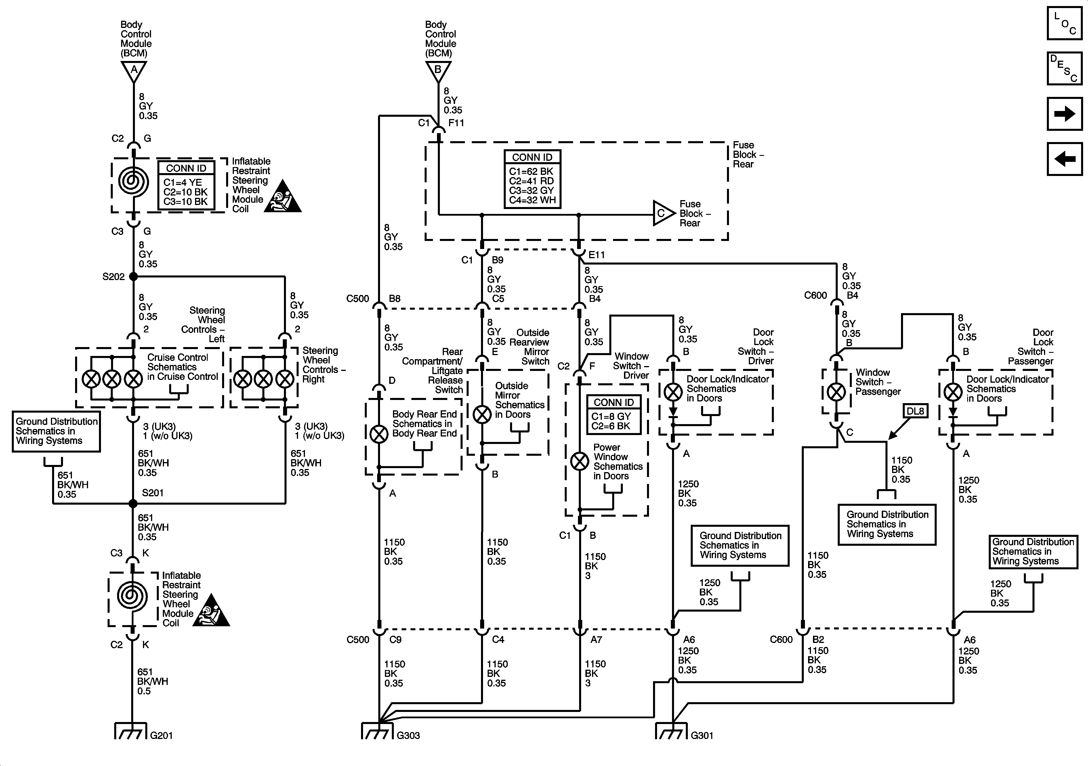
🢒 Steering Wheel and Doors
Steering Wheel and Doors
Steering Wheel and Doors
Master Electrical Component List
Interior Lighting Systems Description and Operation
Seats and Center Console
Dimmer Switch Inputs and Instrument Panel Lighting
Dimmer Switch Inputs and Instrument Panel Lighting
Dimmer Switch Inputs and Instrument Panel Lighting
Lighting Systems Schematic Icons
Seats and Center Console
G201
Power, Ground, Data Link, and Steering Wheel Controls Switches
Sedan
Outside Mirrors
Power Windows
Door Lock Switches
Door Lock Switches
Lighting Systems Schematic Icons
G301
G303
G301
G201
G303
G301