GM Service Manual Online
For 1990-2009 cars only
Makes
🢒
Pontiac
🢒
1985
🢒
Demonstrator
🢒 Sedan
Sedan
Sedan
Master Electrical Component List
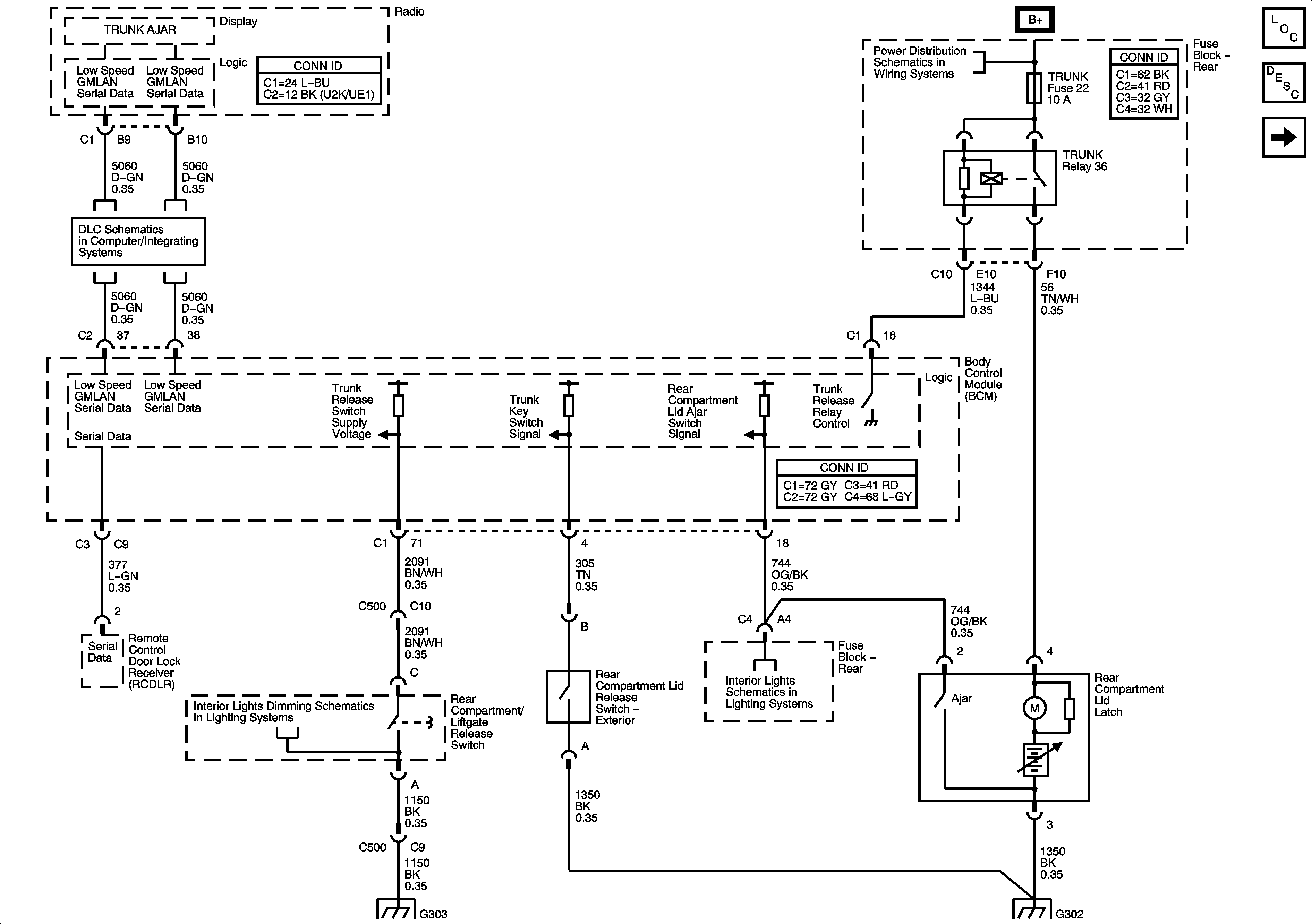
Luggage Compartment Description and Operation Sedan
Extended Sedan
DRV ST, EMISSION 2, FUEL, PARK LPS, RBEC 2, RUN RLY, TRUNK Fuses, and FUEL, PARK LPS, TRUNK Relays, BCM - HVAC BLOWER, HVAC HEAD ECC Fuses
DRV ST, EMISSION 2, FUEL, PARK LPS, RBEC 2, RUN RLY, TRUNK Fuses, and FUEL, PARK LPS, TRUNK Relays, BCM - HVAC BLOWER, HVAC HEAD ECC Fuses
Low Speed Serial Data
Steering Wheel and Doors
Ajar Switch Signals
G303
G302