GM Service Manual Online
For 1990-2009 cars only
Makes
🢒
Pontiac
🢒
1985
🢒
Demonstrator
🢒 Extended Sedan
Extended Sedan
Extended Sedan
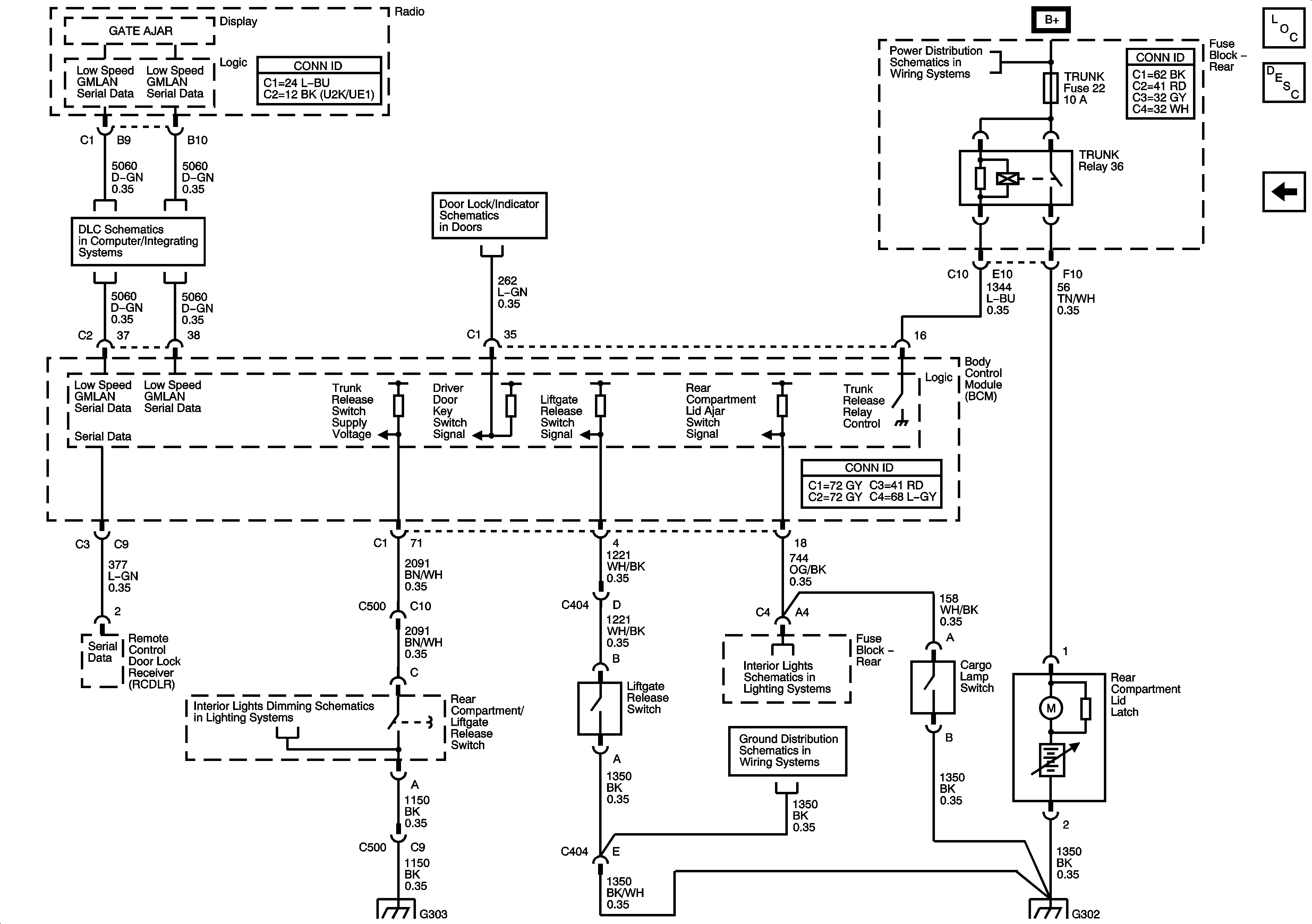
Master Electrical Component List
Luggage Compartment Description and Operation Extended Sedan
Sedan
DRV ST, EMISSION 2, FUEL, PARK LPS, RBEC 2, RUN RLY, TRUNK Fuses, and FUEL, PARK LPS, TRUNK Relays, BCM - HVAC BLOWER, HVAC HEAD ECC Fuses
DRV ST, EMISSION 2, FUEL, PARK LPS, RBEC 2, RUN RLY, TRUNK Fuses, and FUEL, PARK LPS, TRUNK Relays, BCM - HVAC BLOWER, HVAC HEAD ECC Fuses
Low Speed Serial Data
Door Lock Switches
Steering Wheel and Doors
Ajar Switch Signals
G302
G303
G302