GM Service Manual Online
For 1990-2009 cars only
Makes
🢒
Pontiac
🢒
1985
🢒
Demonstrator
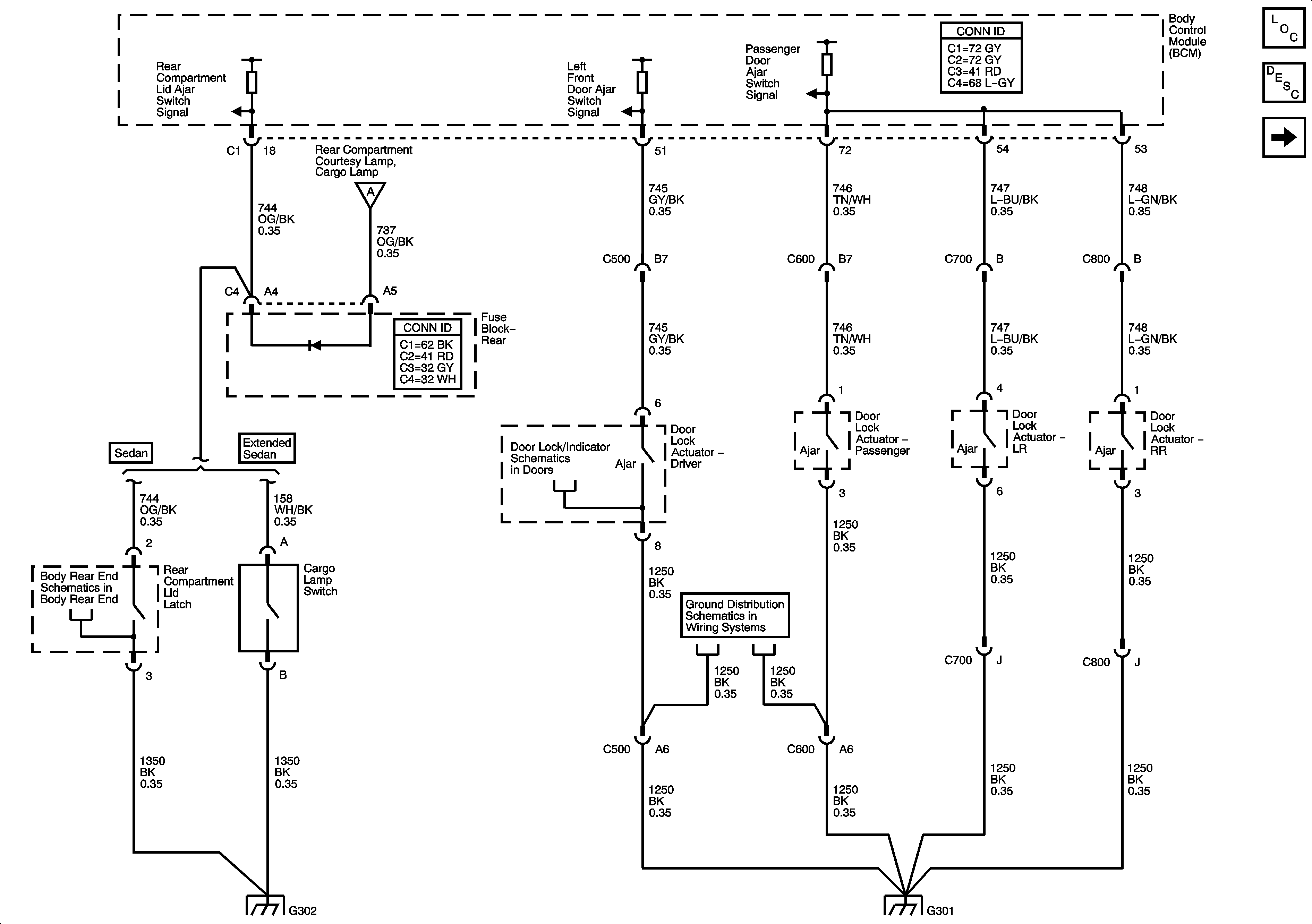
🢒 Ajar Switch Signals
Ajar Switch Signals
Ajar Switch Signals
Master Electrical Component List
Interior Lighting Systems Description and Operation
Outputs
Outputs
Door Lock Switches
Sedan
G301
G302
G301