GM Service Manual Online
For 1990-2009 cars only
Makes
🢒
Pontiac
🢒
1985
🢒
Demonstrator
🢒 Outputs
Outputs
Outputs
Master Electrical Component List
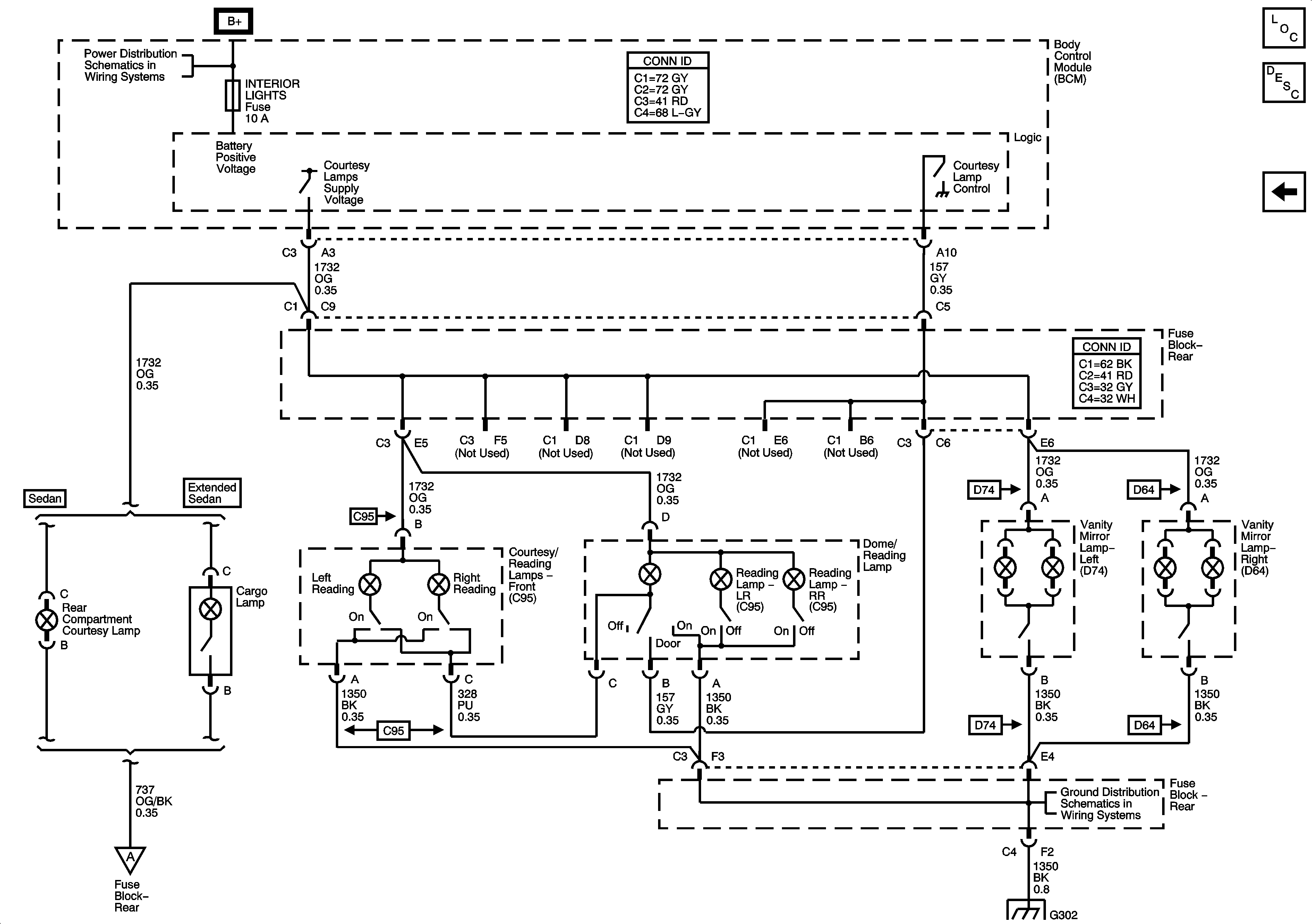
Interior Lighting Systems Description and Operation
Ajar Switch Signals
Fuse Block - Underhood - IBCM 2 Fuse, BCM - DOOR LOCK, INTERIOR LIGHTS, POWER WINDOWS, ROOF/HEAT SEAT, WIPERS SW Fuses and ACCESSORY Relay
Fuse Block - Underhood - IBCM 2 Fuse, BCM - DOOR LOCK, INTERIOR LIGHTS, POWER WINDOWS, ROOF/HEAT SEAT, WIPERS SW Fuses and ACCESSORY Relay
Ajar Switch Signals
G302
G302