GM Service Manual Online
For 1990-2009 cars only
Makes
🢒
Pontiac
🢒
1985
🢒
Demonstrator
🢒 Seats and Center Console
Seats and Center Console
Seats and Center Console
Master Electrical Component List
Interior Lighting Systems Description and Operation
Steering Wheel and Doors
Steering Wheel and Doors
G303
G303
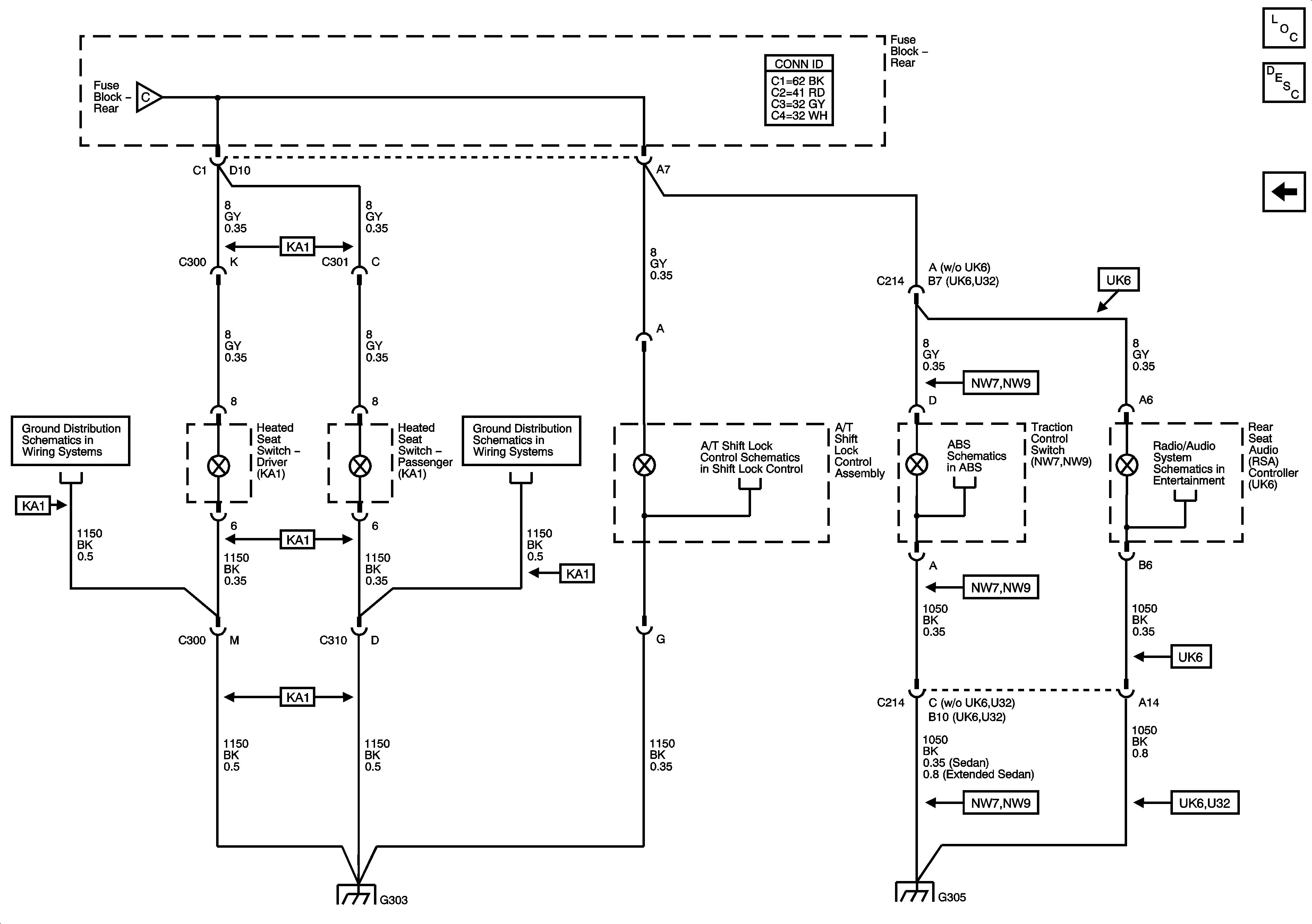
A/T Shift Lock Controls Schematics
Brake Pedal Position Sensor, Traction Control Switch, and Data Link Communications
Rear Seat Audio (RSA) Controller
G303
G304 and G305