GM Service Manual Online
For 1990-2009 cars only
Makes
🢒
Pontiac
🢒
1995
🢒
Firebird
🢒 Fuel Injectors
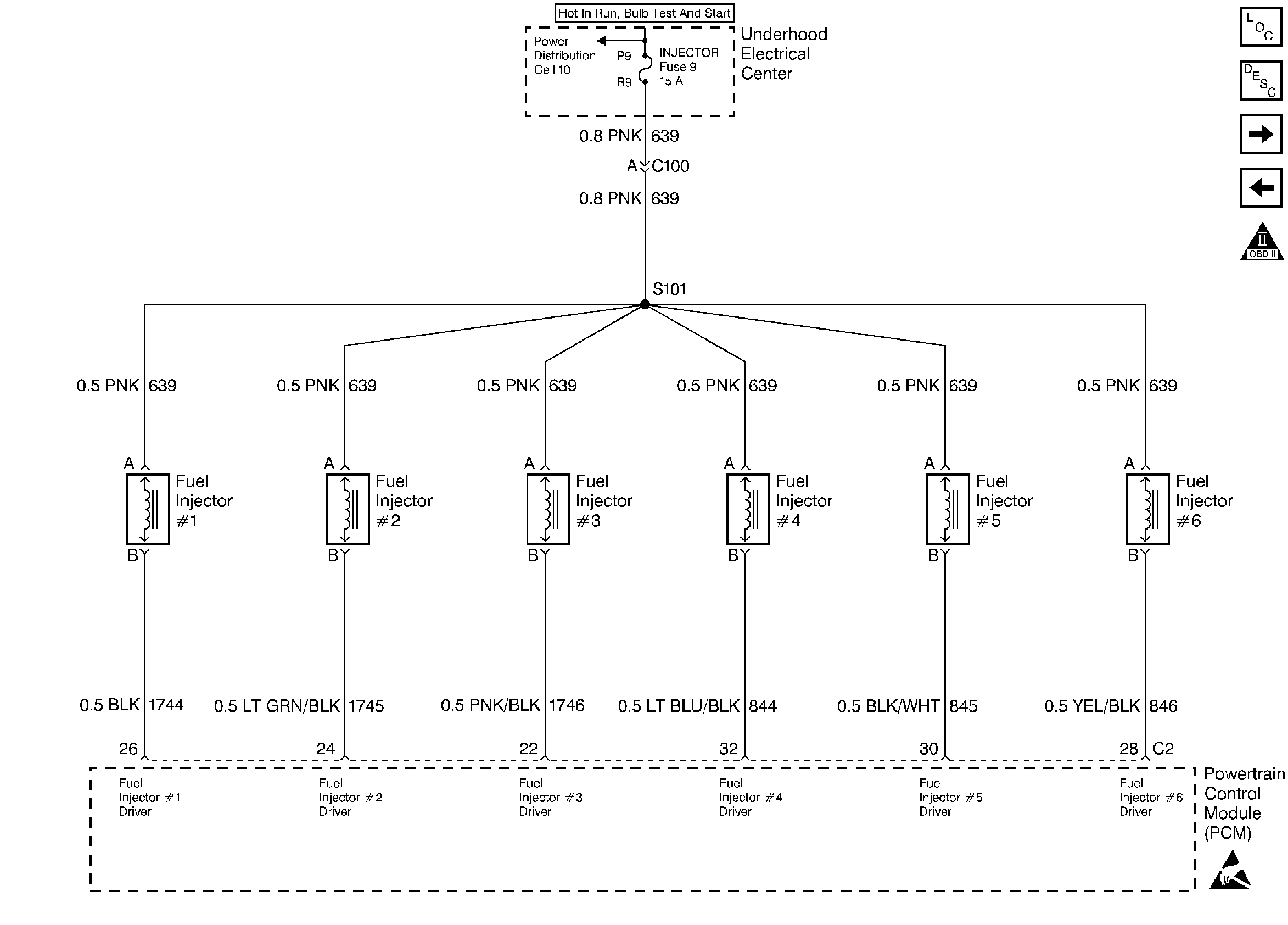
Fuel Injectors
Fuel Injectiors
Engine Controls Components
DTC P1200 Injector Control Circuit
Fuel Pump Control
Ignition Control, Knock Sensors
OBD II Symbol Description Notice
Handling ESD Sensitive Parts Notice