GM Service Manual Online
For 1990-2009 cars only
Makes
🢒
Pontiac
🢒
1995
🢒
Firebird
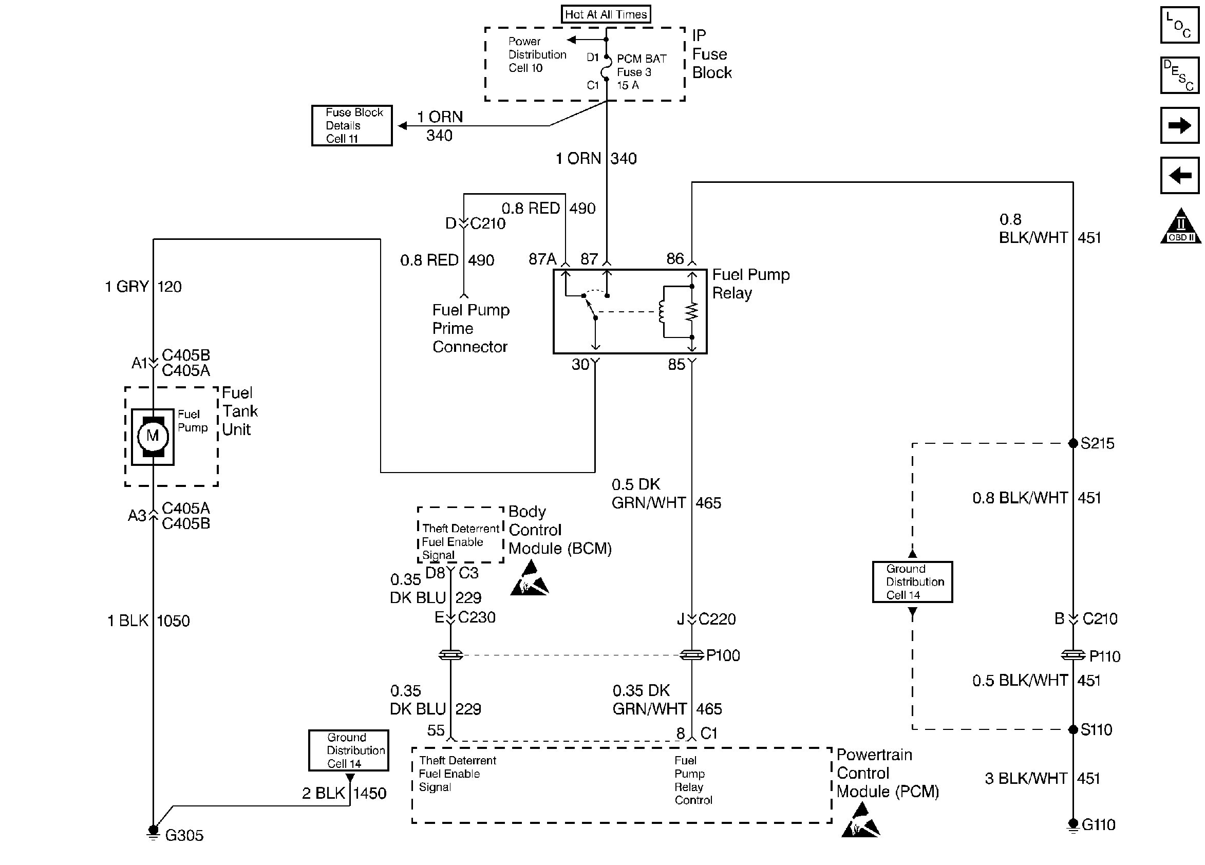
🢒 Fuel Pump Control
Fuel Pump Control
Fuel Pump Control
Engine Controls Components
Fuel Pump Electrical Circuit Diagnosis
A/C Pressure, TP, MAP, ECT, IAT Sensors
Fuel Injectors
OBD II Symbol Description Notice
Handling ESD Sensitive Parts Notice
Handling ESD Sensitive Parts Notice