GM Service Manual Online
For 1990-2009 cars only
Makes
🢒
Pontiac
🢒
1995
🢒
Firebird
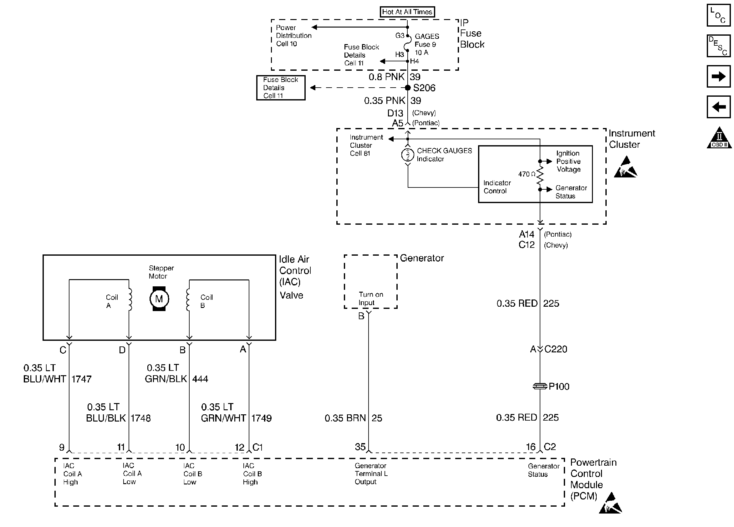
🢒 Gen Control, IAC, Check Gauges Lamp
Gen Control, IAC, Check Gauges Lamp
Gen Control, IAC,Check Gauges Lamp
Engine Controls Components
Information Sensors
2nd Gear, Clutch Anticipated Switch
Cruise Control, VSS
OBD II Symbol Description Notice
Handling ESD Sensitive Parts Notice
Handling ESD Sensitive Parts Notice