GM Service Manual Online
For 1990-2009 cars only
Makes
🢒
Pontiac
🢒
1995
🢒
Firebird
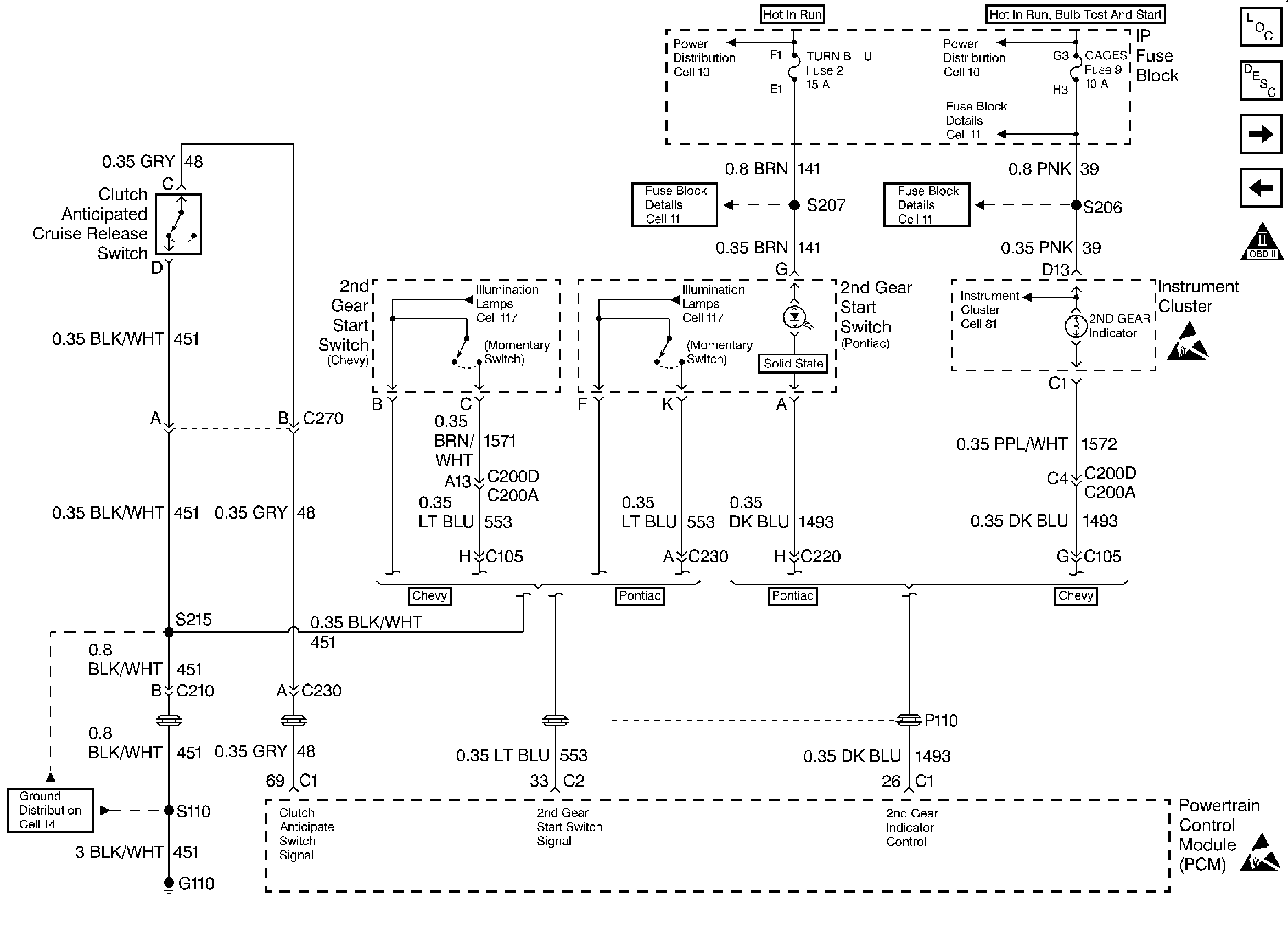
🢒 2nd Gear, Clutch Anticipated Switch
2nd Gear, Clutch Anticipated Switch
2nd Gear, Clutch Anticipated Switch
Engine Controls Components
DTC P0704 Clutch Switch Circuit
Brake Switch, TCC Solenoid
Gen Control, IAC, Check Gauges Lamp
OBD II Symbol Description Notice
Handling ESD Sensitive Parts Notice
Handling ESD Sensitive Parts Notice