GM Service Manual Online
For 1990-2009 cars only
Makes
🢒
Pontiac
🢒
2001
🢒
Firebird
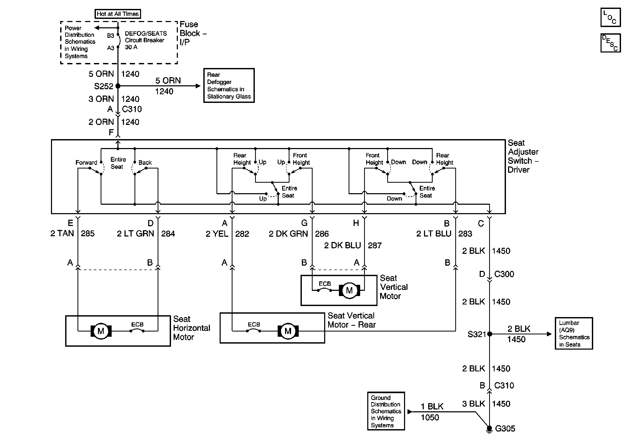
🢒 AG1: Power Seat Switch, Seat Motors
AG1: Power Seat Switch, Seat Motors
AG1: Power Seat Switch, Seat Motors
Master Electrical Component List
Power Seats System Description and Operation
AQ9: Power Seat Cushion Air Control Module, Lumbar Switches
HVAC Control, Rear Defogger Grid
DEFOG/SEATS Circuit Breaker
G305, G310, G320