GM Service Manual Online
For 1990-2009 cars only
Makes
🢒
Pontiac
🢒
2001
🢒
Firebird
🢒 Chevrolet (Europe)
Chevrolet (Europe)
Chevrolet (Europe)
Master Electrical Component List
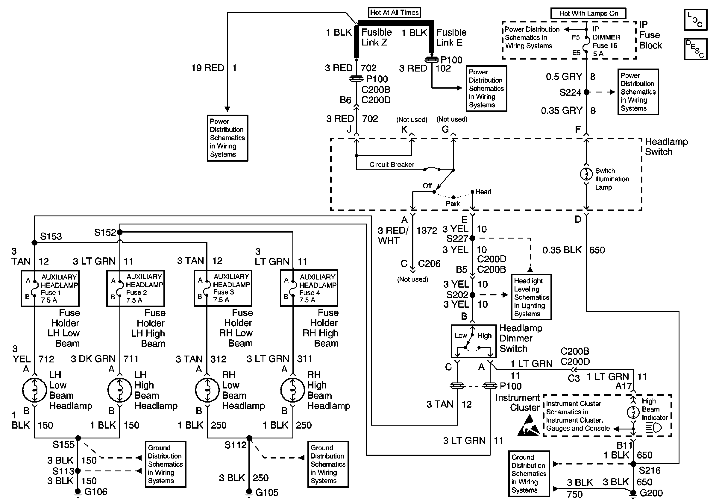
Exterior Lighting Systems Description and Operation
Interior Illumination Lamps (1 of 2)
Interior Illumination Lamps (1 of 2)
Fusible Links, CIG/ACCY, ENG CTRL, IGN, I/P-1, I/P-2, and PWR ACCY Fuses
Fusible Links, CIG/ACCY, ENG CTRL, IGN, I/P-1, I/P-2, and PWR ACCY Fuses
Chevrolet
Instrument Cluster Illumination and Indicators
G200 Splice S216
G105
G106