GM Service Manual Online
For 1990-2009 cars only
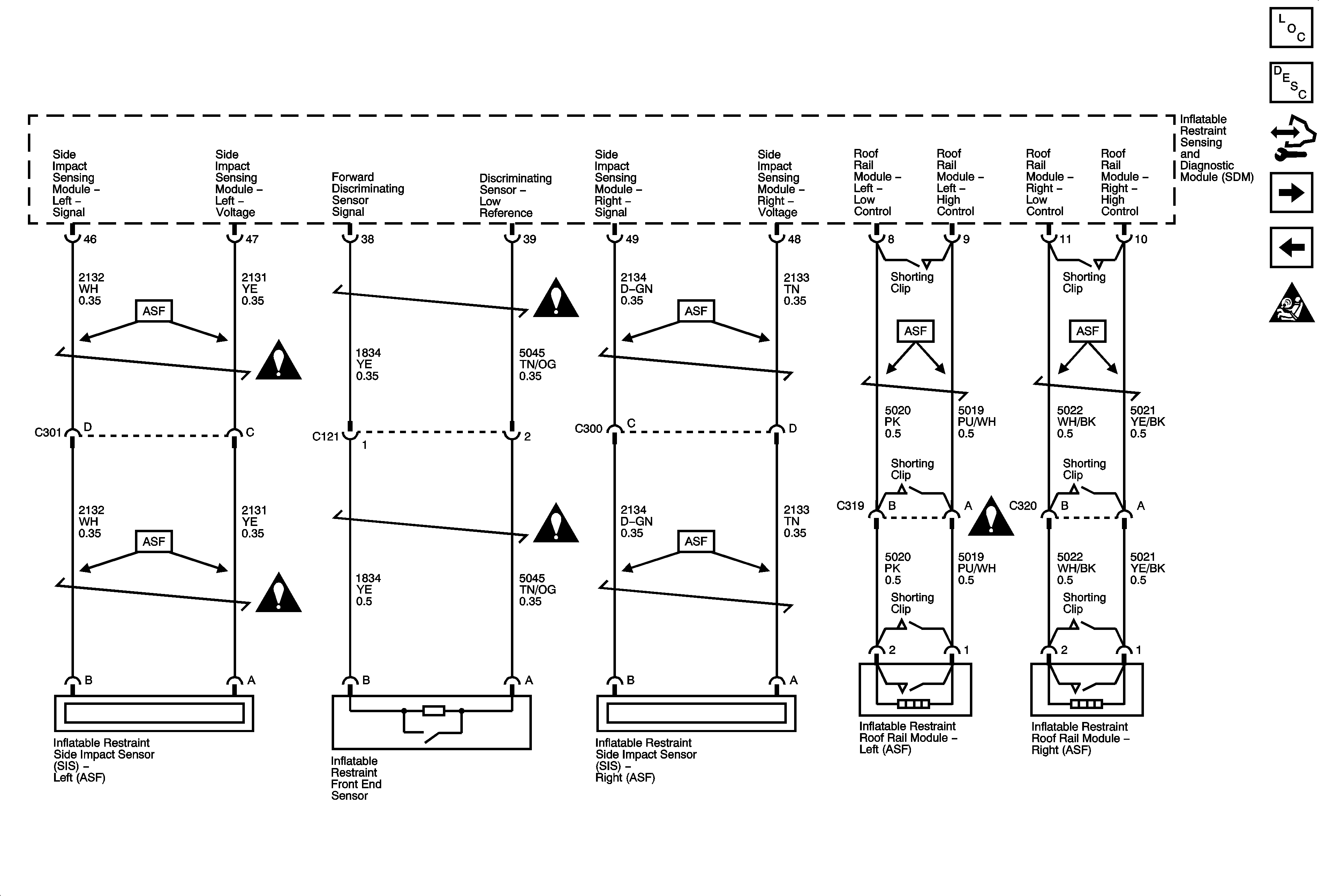
Figure 1:

Power, Ground, Indicators, Pretensioners, Front Modules


Object Number: 1784519  Size: FS
Master Electrical Component List
SIR System Description and Operation
Control Module References
Front and Side Sensors
SIR Schematic Icons
Underhood Fuse Block IP IGN Fuse, Body Control Module Fuses - AIRBAG, EPS/STR WHL CNTRL, HVAC/IP IGN, WPR
BCM Fuses - DR LCK, ECM/TCM, INT LIGHT, PWR WNDW, RDO, SDM, S ROOF
Passenger Presence System
BCM Fuses - DR LCK, ECM/TCM, INT LIGHT, PWR WNDW, RDO, SDM, S ROOF
Seat Belt Schematic
Power, Ground, Low Speed GMLAN
Passenger Presence System
SIR Schematic Icons
SIR Schematic Icons
SIR Schematic Icons
G109, G111, G203, G306
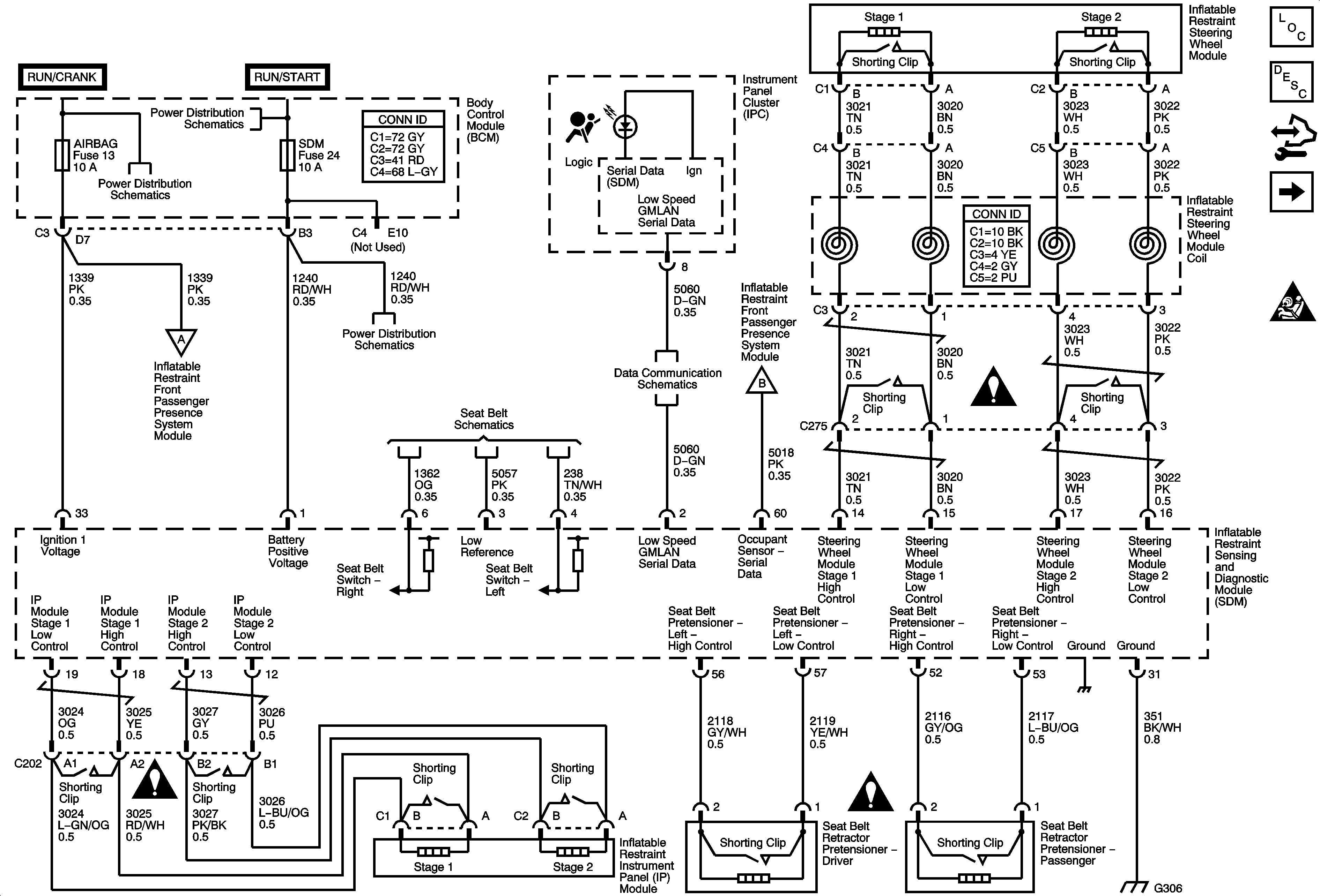
Figure 2:

Front and Side Sensors


Object Number: 1784521  Size: FS
Master Electrical Component List
SIR System Description and Operation
Control Module References
Passenger Presence System
Power, Ground, Indicators, Pretensioners, Front Modules
SIR Schematic Icons
SIR Schematic Icons
SIR Schematic Icons
SIR Schematic Icons
SIR Schematic Icons
SIR Schematic Icons
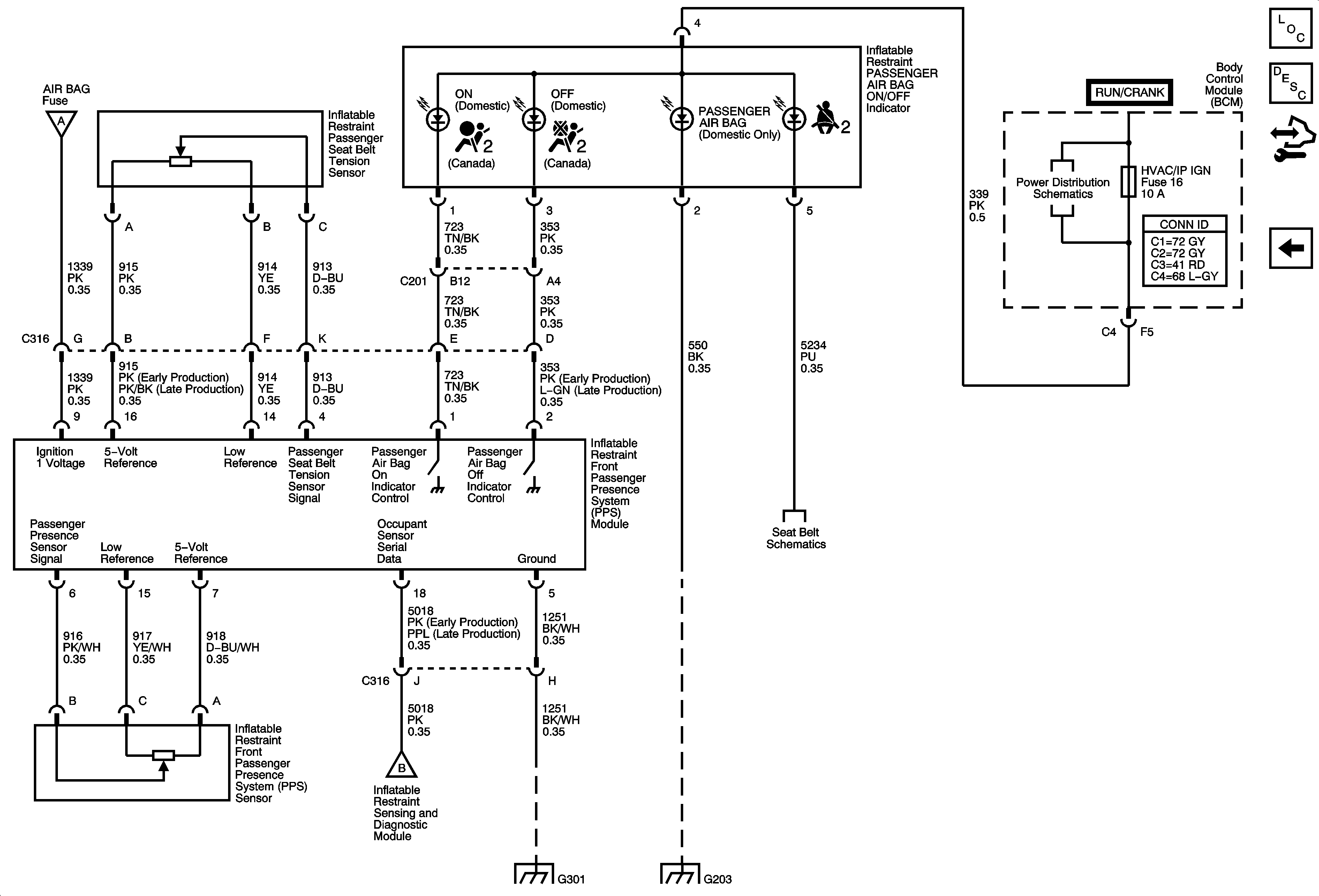
Figure 3:

Passenger Presence System


Object Number: 1784524  Size: FS
Master Electrical Component List
SIR System Description and Operation
Control Module References
Front and Side Sensors
Power, Ground, Indicators, Pretensioners, Front Modules
Seat Belt Schematic
Underhood Fuse Block IP IGN Fuse, Body Control Module Fuses - AIRBAG, EPS/STR WHL CNTRL, HVAC/IP IGN, WPR
Power, Ground, Indicators, Pretensioners, Front Modules
G301 (1 of 2)
G109, G111, G203, G306