GM Service Manual Online
For 1990-2009 cars only
Makes
🢒
Pontiac
🢒
2007
🢒
G5
🢒
Transmission/Transaxle
🢒
Automatic Transaxle - 4T45-E
🢒 Automatic Transmission Controls Schematics
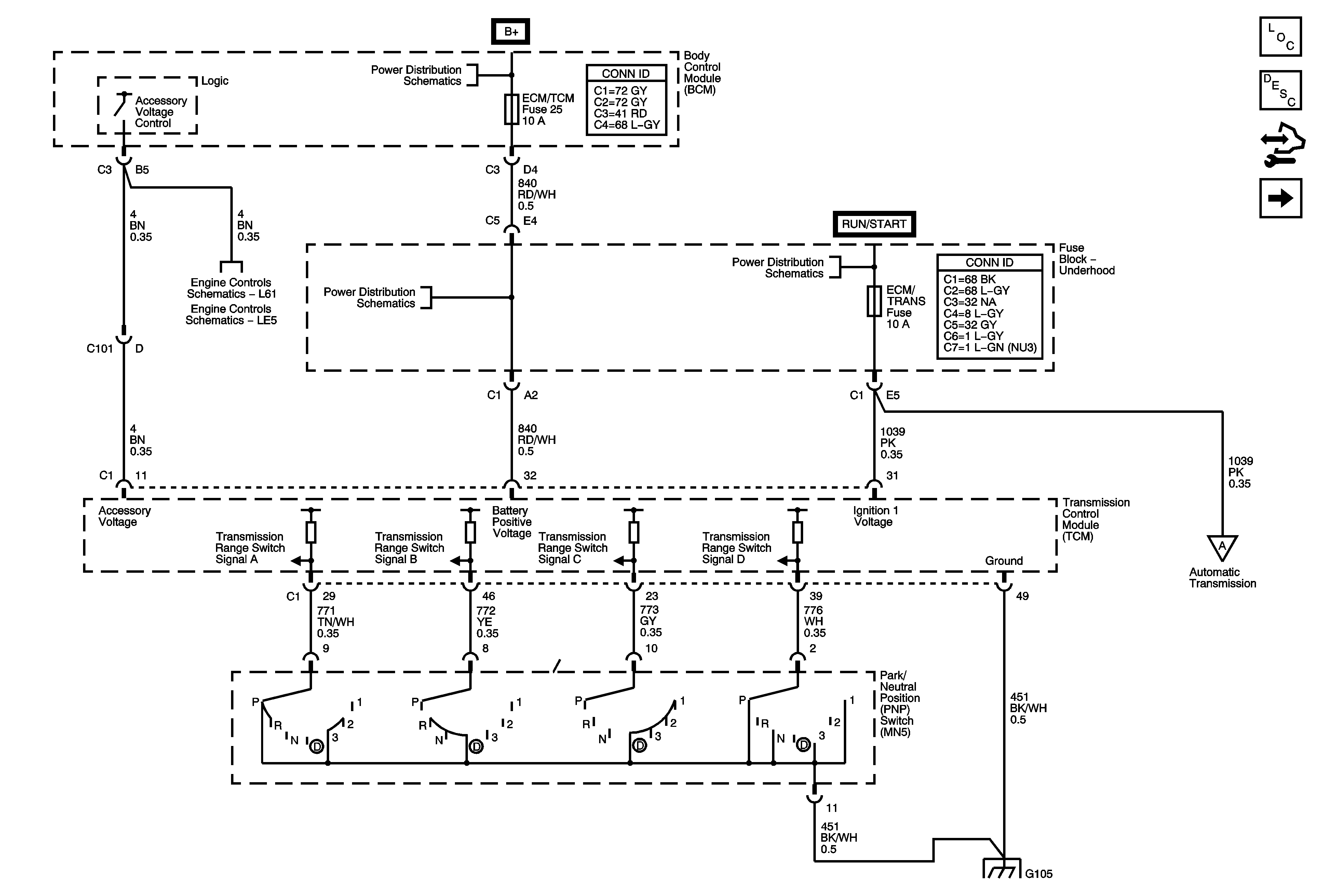
Figure
1:
Power, Ground, PNP Switch
Master Electrical Component List
Electronic Component Description
Control Module References
Solenoids, VSS
BCM Fuses - DR LCK, ECM/TCM, INT LIGHT, PWR WNDW, RDO, SDM, S ROOF
Power, Ground, MIL, Communication
Power, Ground, MIL, Communication
BCM Fuses - DR LCK, ECM/TCM, INT LIGHT, PWR WNDW, RDO, SDM, S ROOF
Underhood Fuse Block Fuses- ABS, ABS2, BCK UP, CNSTR VENT, ECM/TRANS, EPS, HTD SEATS, IP IGN, LTR, MIR, PRK/NEUT, S-BAND/ONSTAR, and RUN/CRANK Relay
Solenoids, VSS
G103, G105, G107
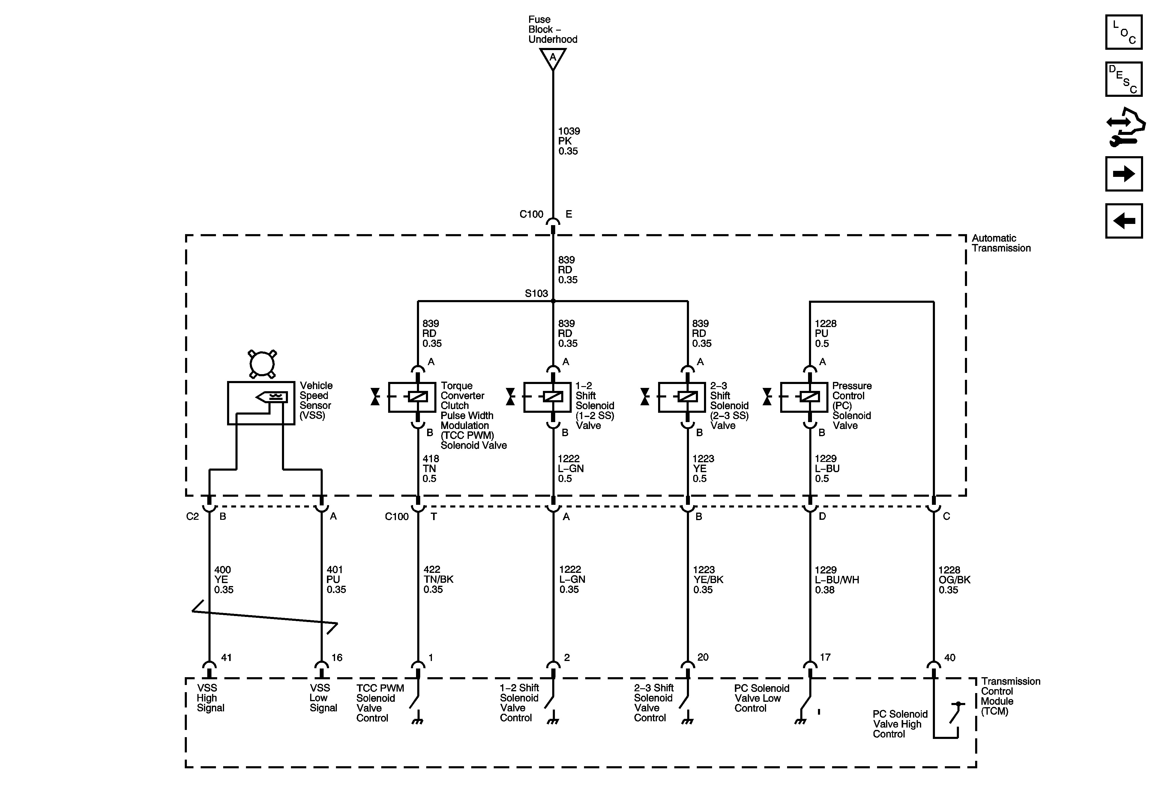
Figure
2:
Solenoids, VSS
Master Electrical Component List
Electronic Component Description
Control Module References
Switches, TFT, ISS, Sensors
Power, Ground, PNP Switch
Power, Ground, PNP Switch
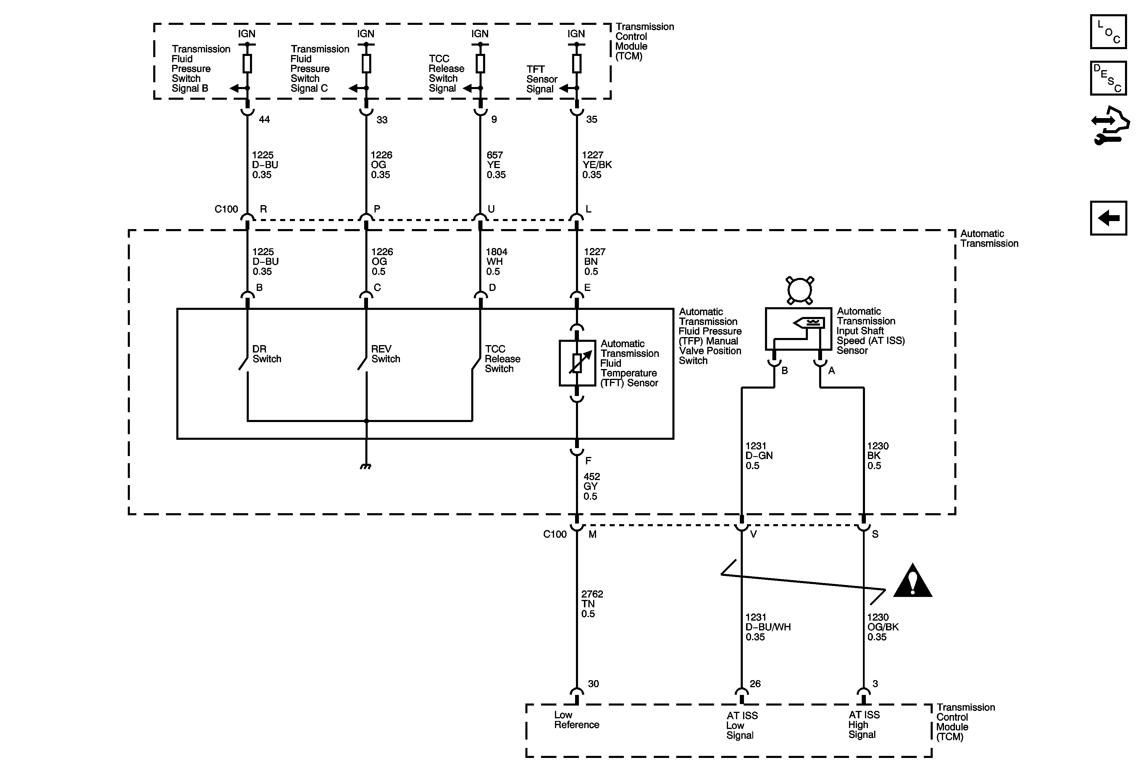
Figure
3:
Switches, TFT, ISS, Sensors
Master Electrical Component List
Electronic Component Description
Control Module References
Solenoids, VSS
Automatic Transmission Schematic Icons