GM Service Manual Online
For 1990-2009 cars only
Makes
🢒
Pontiac
🢒
2007
🢒
G5
🢒 Sensors, Indicators
Sensors, Indicators
Sensors, Indicators
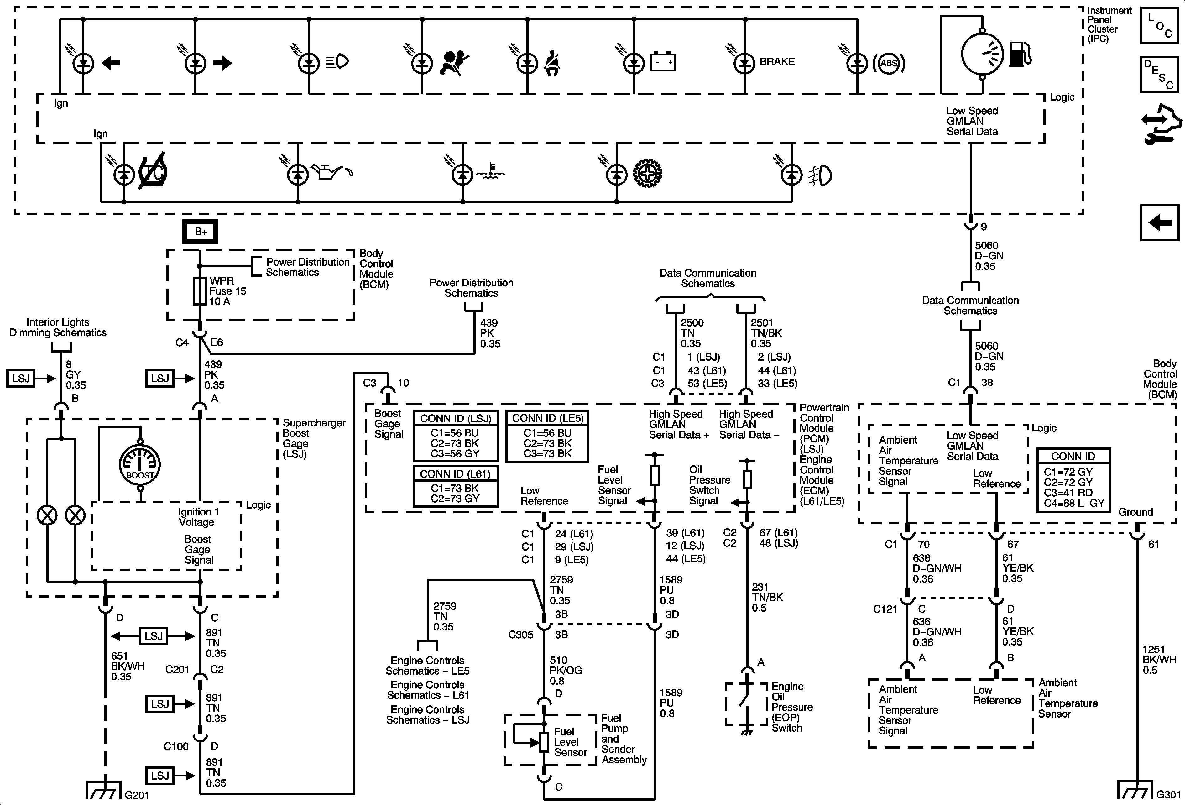
Master Electrical Component List
Instrument Cluster Description and Operation
Control Module References
Power, Ground, MIL
Dimmer Switch Inputs
Underhood Fuse Block IP IGN Fuse, Body Control Module Fuses - AIRBAG, EPS/STR WHL CNTRL, HVAC/IP IGN, WPR
Underhood Fuse Block IP IGN Fuse, Body Control Module Fuses - AIRBAG, EPS/STR WHL CNTRL, HVAC/IP IGN, WPR
High Speed GMLAN
Power, Ground, Low Speed GMLAN
G201 (1 of 2)
5-Volt and Low Reference Bussing
5-Volt and Low Reference Bussing
5-Volt and Low Reference Bussing
G301 (1 of 2)