GM Service Manual Online
For 1990-2009 cars only
Makes
🢒
Pontiac
🢒
2007
🢒
G5
🢒 Power, Ground, MIL
Power, Ground, MIL
Power, Ground, MIL
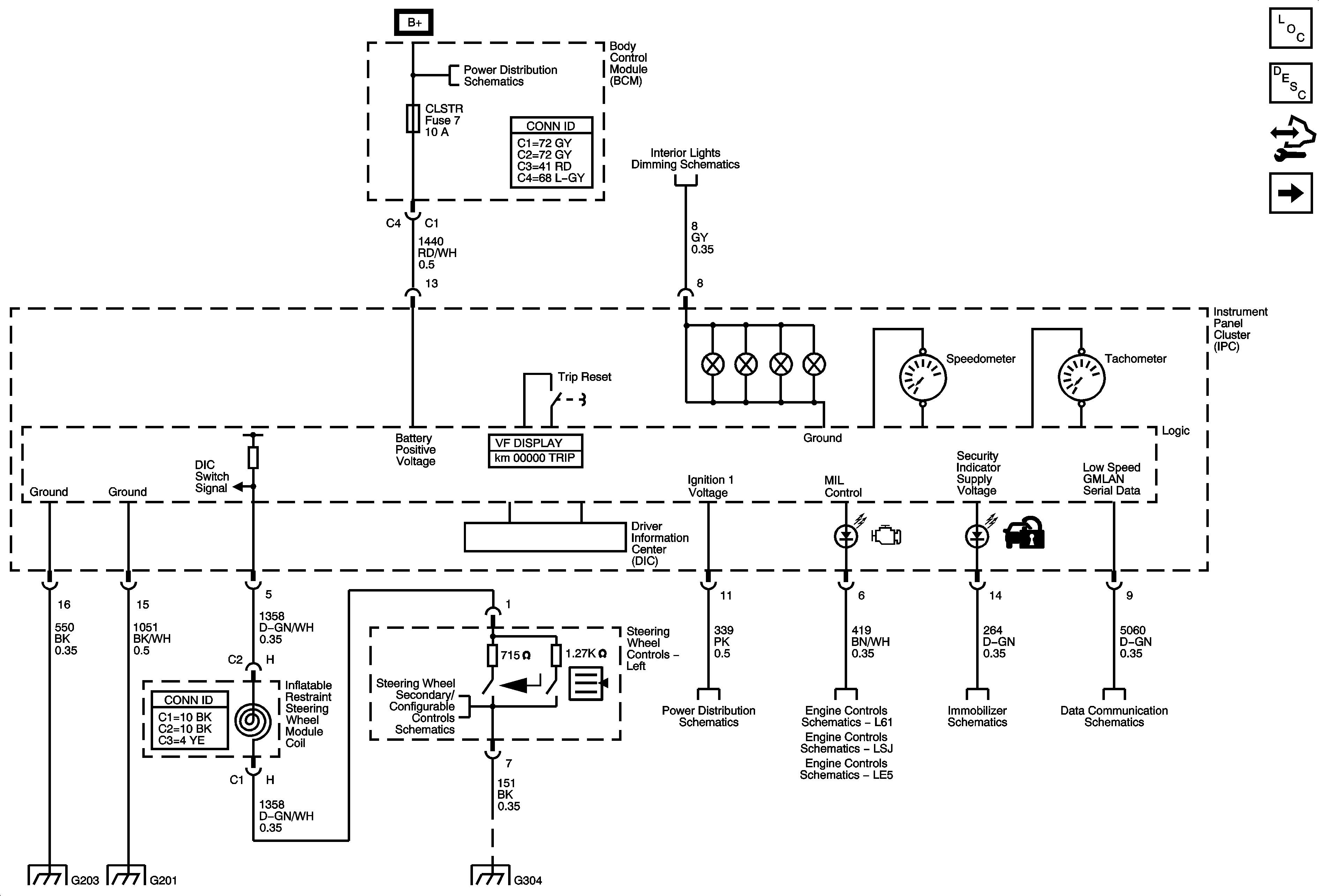
Master Electrical Component List
Instrument Cluster Description and Operation
Control Module References
Sensors, Indicators
Body Control Module - AUDIO AMPLIFIER Fuse, BCM2 Fuse, CLUSTER Fuse, IGN SW Fuse, STOP LPS Fuse
I/P and Seat Lighting
G109, G111, G203, G306
G201 (1 of 2)
Steering Wheel Schematic
Underhood Fuse Block IP IGN Fuse, Body Control Module Fuses - AIRBAG, EPS/STR WHL CNTRL, HVAC/IP IGN, WPR
Power, Ground, MIL, Communication
Power, Ground, MIL, Communication
Power, Ground, MIL, Communication
Vehicle Theft Deterrent
Power, Ground, Low Speed GMLAN