GM Service Manual Online
For 1990-2009 cars only
Makes
🢒
Pontiac
🢒
2007
🢒
G5
🢒 Door Latches
Door Latches
Door Latches
Master Electrical Component List
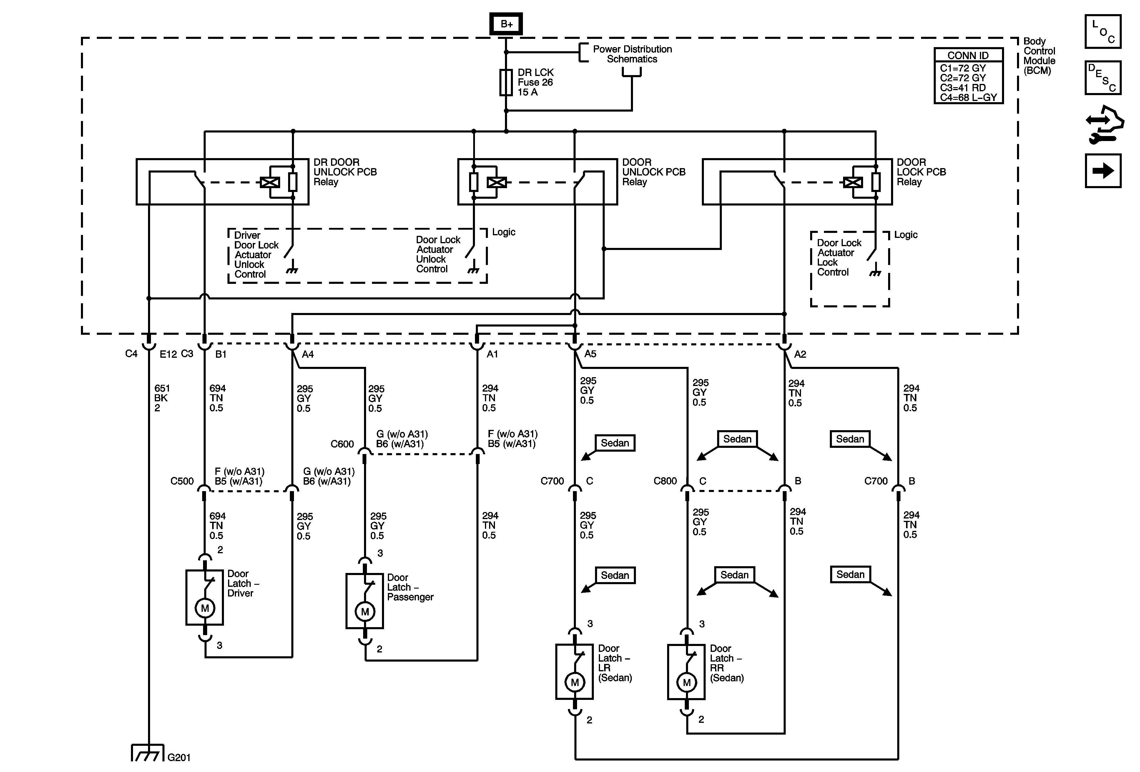
Power Door Locks Description and Operation
Control Module References
Door Switches
BCM Fuses - DR LCK, ECM/TCM, INT LIGHT, PWR WNDW, RDO, SDM, S ROOF
G201 (2 of 2)