GM Service Manual Online
For 1990-2009 cars only

LSJ

LSJ


Object Number: 1784237  Size: FS
Master Electrical Component List
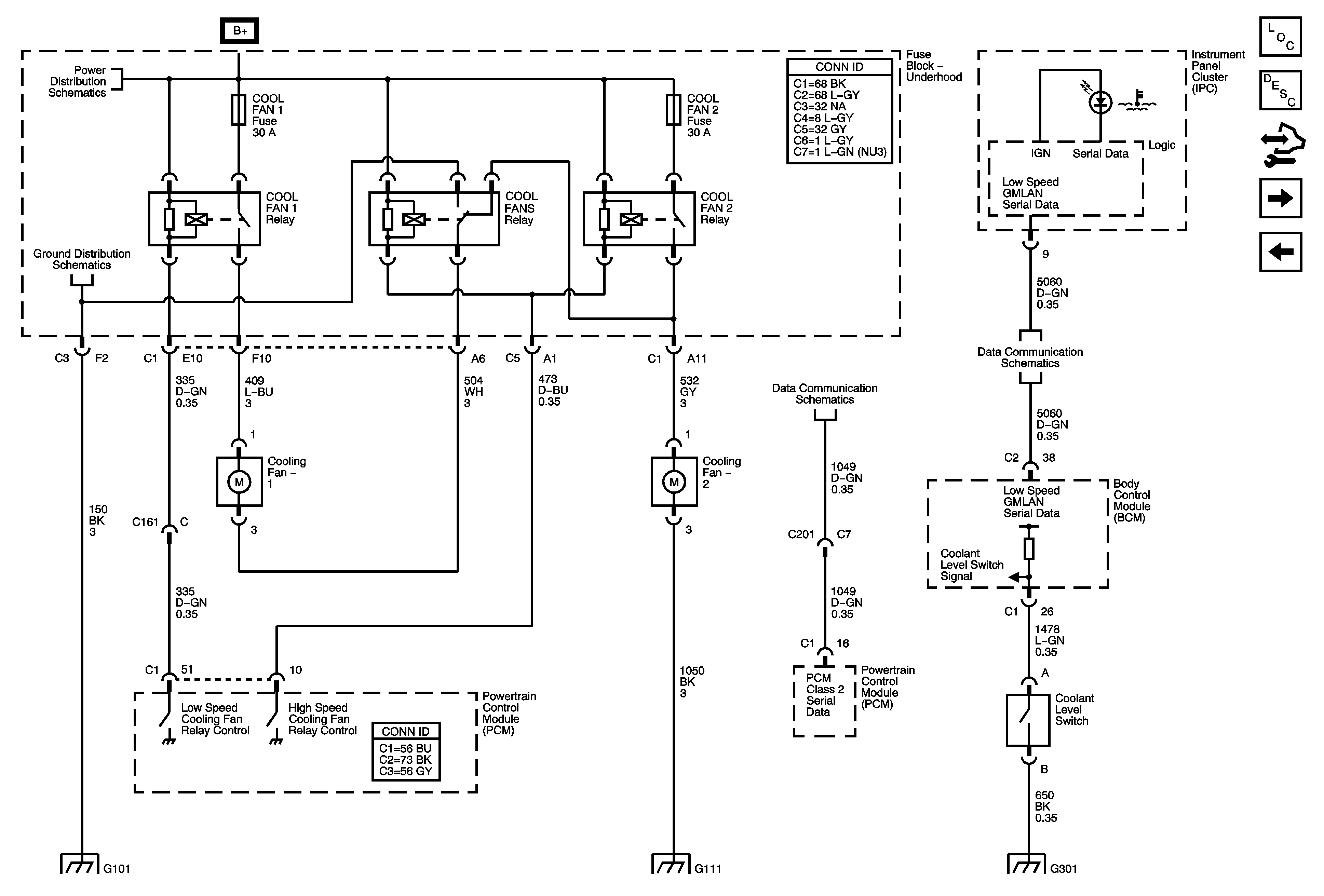
Cooling Fan Description and Operation
Control Module References
LE5
L61
B+ Bussing, Underhood Fuse Block B+ Bus
G101, G102
Power, Ground, Low Speed GMLAN
High Speed GMLAN
G101, G102
G109, G111, G203, G306