GM Service Manual Online
For 1990-2009 cars only

LE5

LE5


Object Number: 1784235  Size: FS
Master Electrical Component List
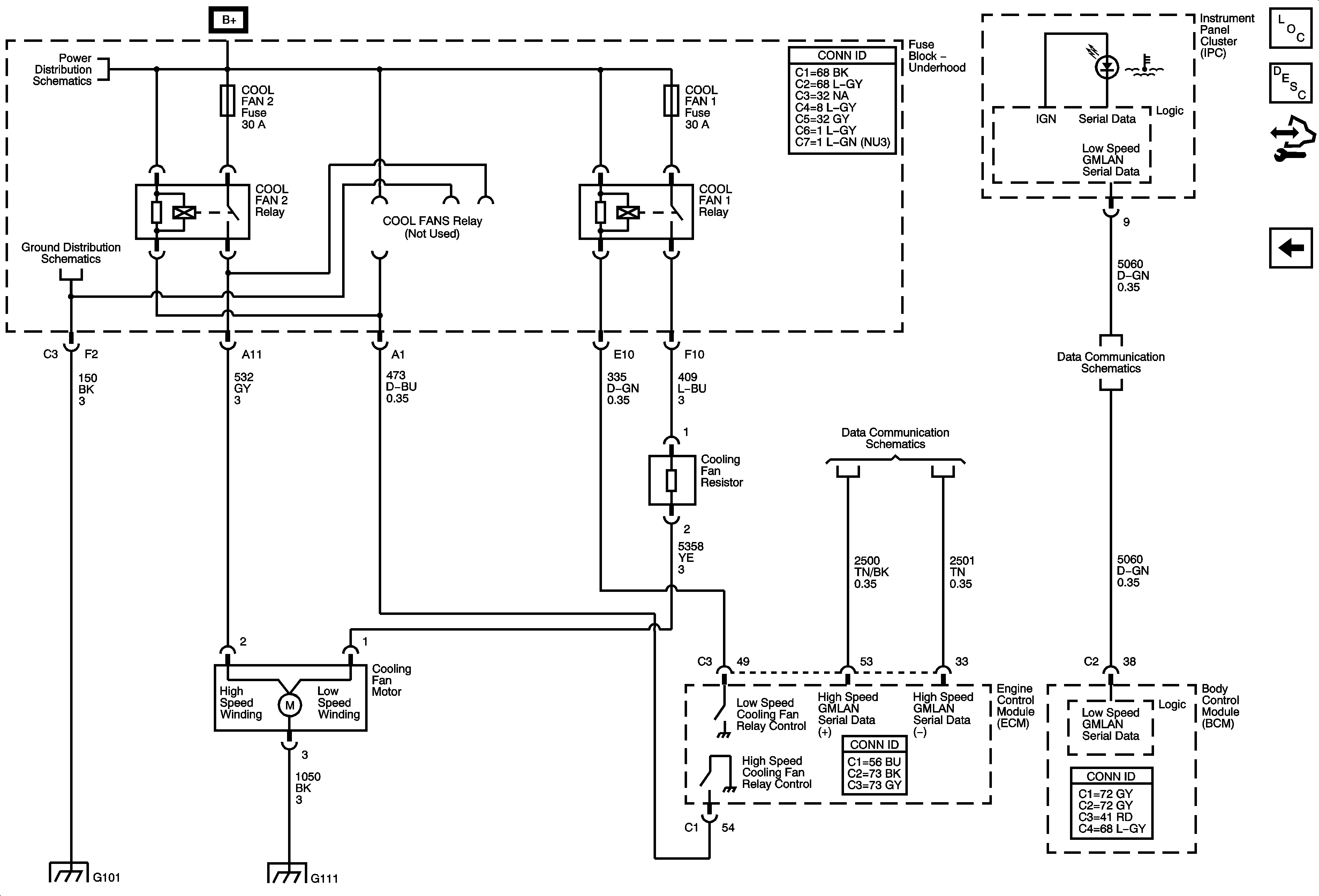
Cooling Fan Description and Operation
Control Module References
LSJ
B+ Bussing, Underhood Fuse Block B+ Bus
G101, G102
High Speed GMLAN
Power, Ground, Low Speed GMLAN
G101, G102
G109, G111, G203, G306