GM Service Manual Online
For 1990-2009 cars only
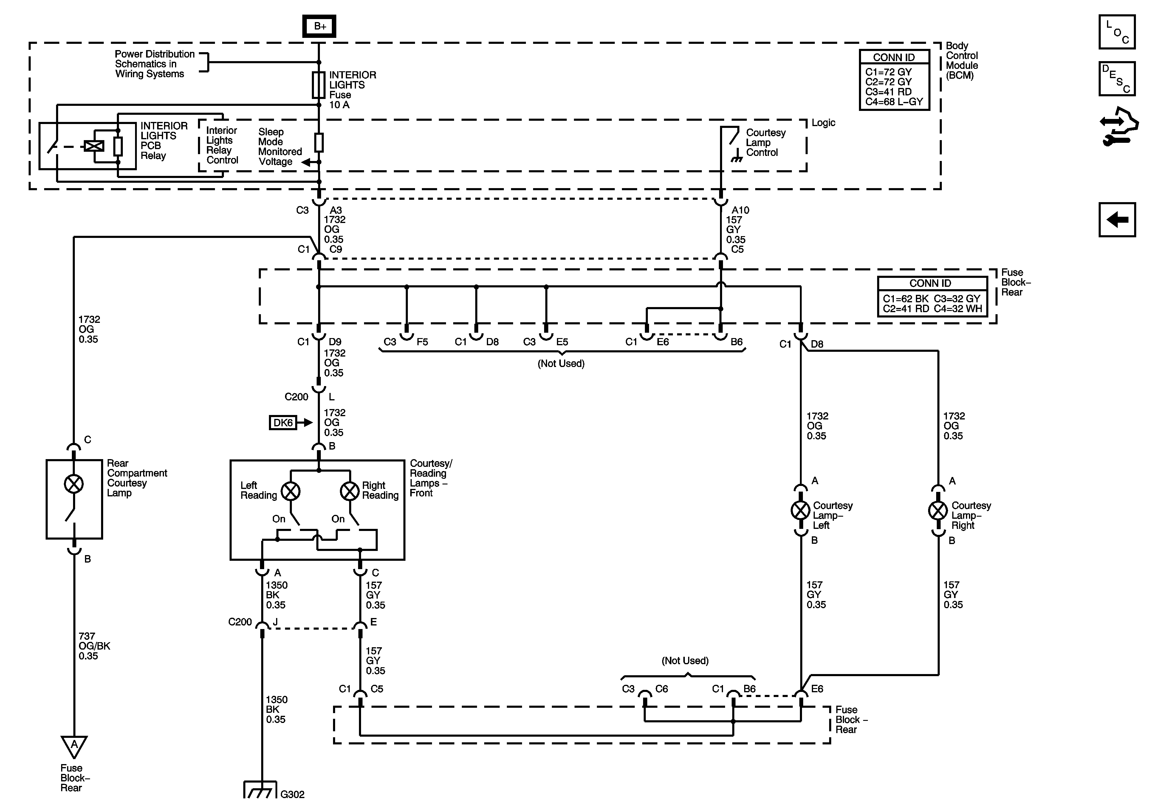
Figure 1:

Inputs


Object Number: 1471023  Size: FS
Master Electrical Component List
Interior Lighting Systems Description and Operation
Control Module References
Outputs (Coupe/Sedan)
Outputs (Coupe/Sedan)
Body Rear End Schematics
Door Lock Switches
Ajar Switches - Coupe/Convertible
G301
G302
G301
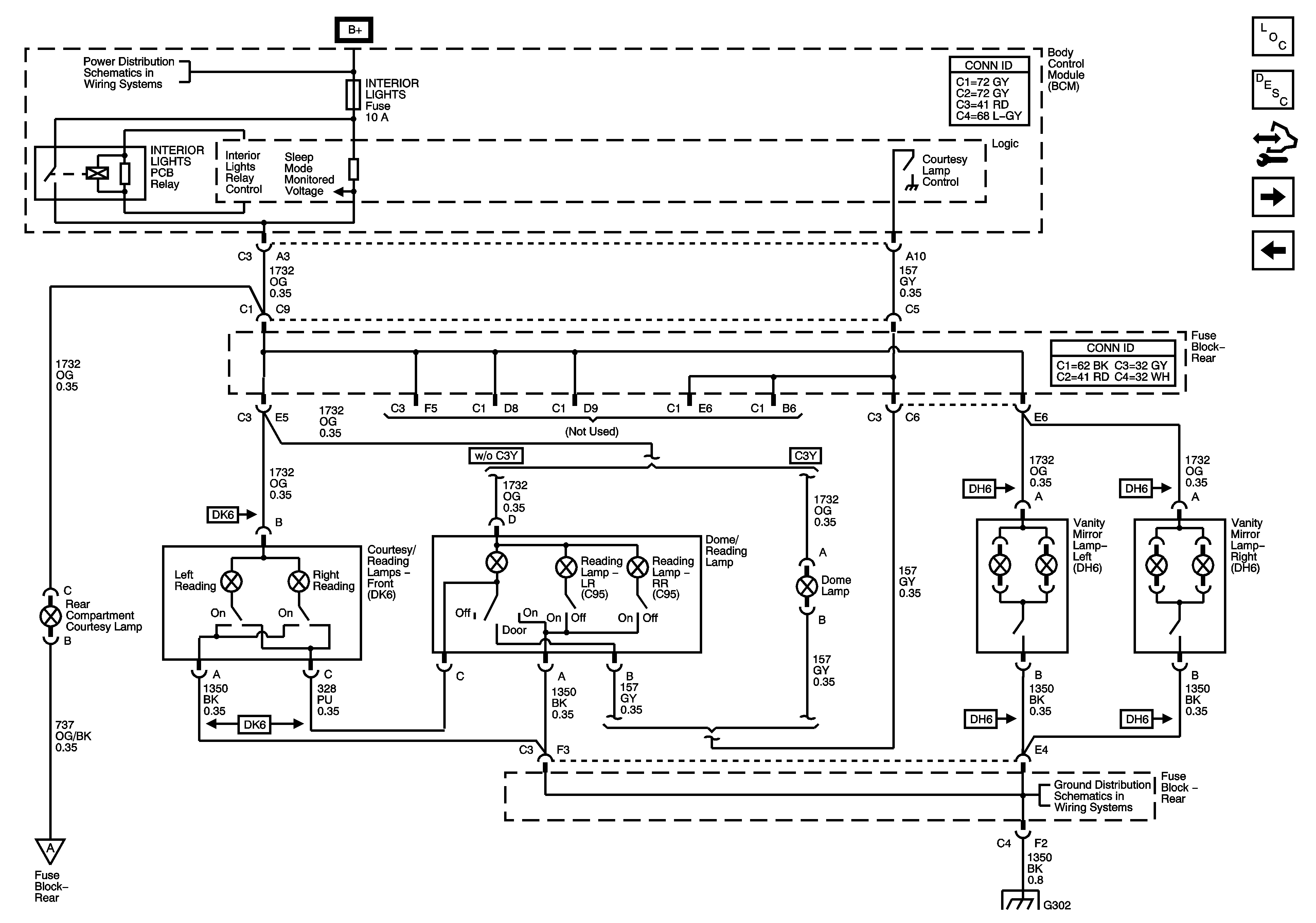
Figure 2:

Outputs (Coupe/Sedan)


Object Number: 1471027  Size: FS
Master Electrical Component List
Interior Lighting Systems Description and Operation
Control Module References
Outputs (Convertible)
Inputs
Body Control Module (BCM) INTERIOR LIGHTS, ONSTAR, PEDAL and POWER MIRRORS Fuses
Inputs
G302
G302
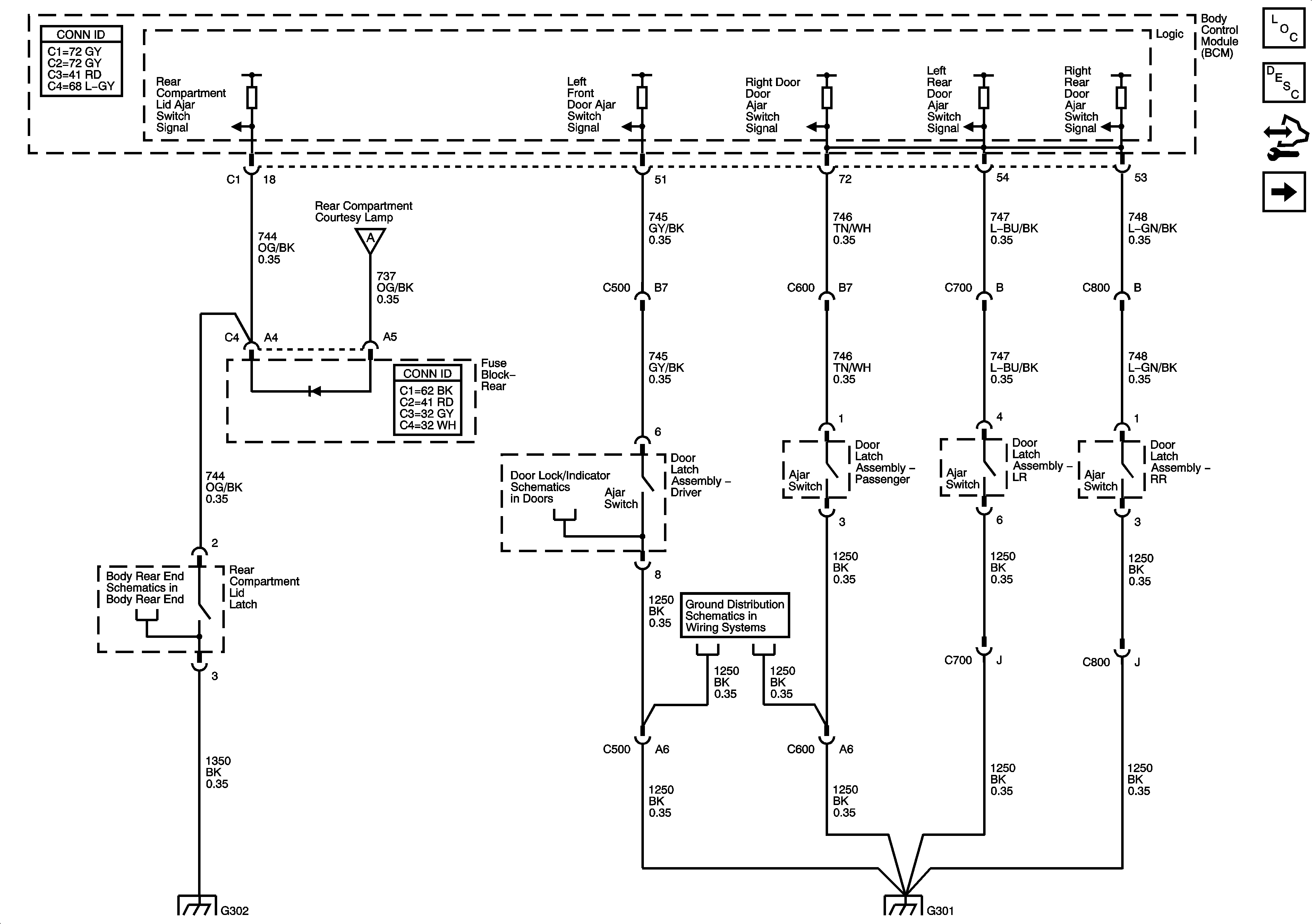
Figure 3:

Outputs (Convertible)


Object Number: 1644207  Size: FS
Master Electrical Component List
Interior Lighting Systems Description and Operation
Control Module References
Outputs (Coupe/Sedan)
Body Control Module (BCM) INTERIOR LIGHTS, ONSTAR, PEDAL and POWER MIRRORS Fuses
G302
Inputs
G302