GM Service Manual Online
For 1990-2009 cars only
Figure 1:

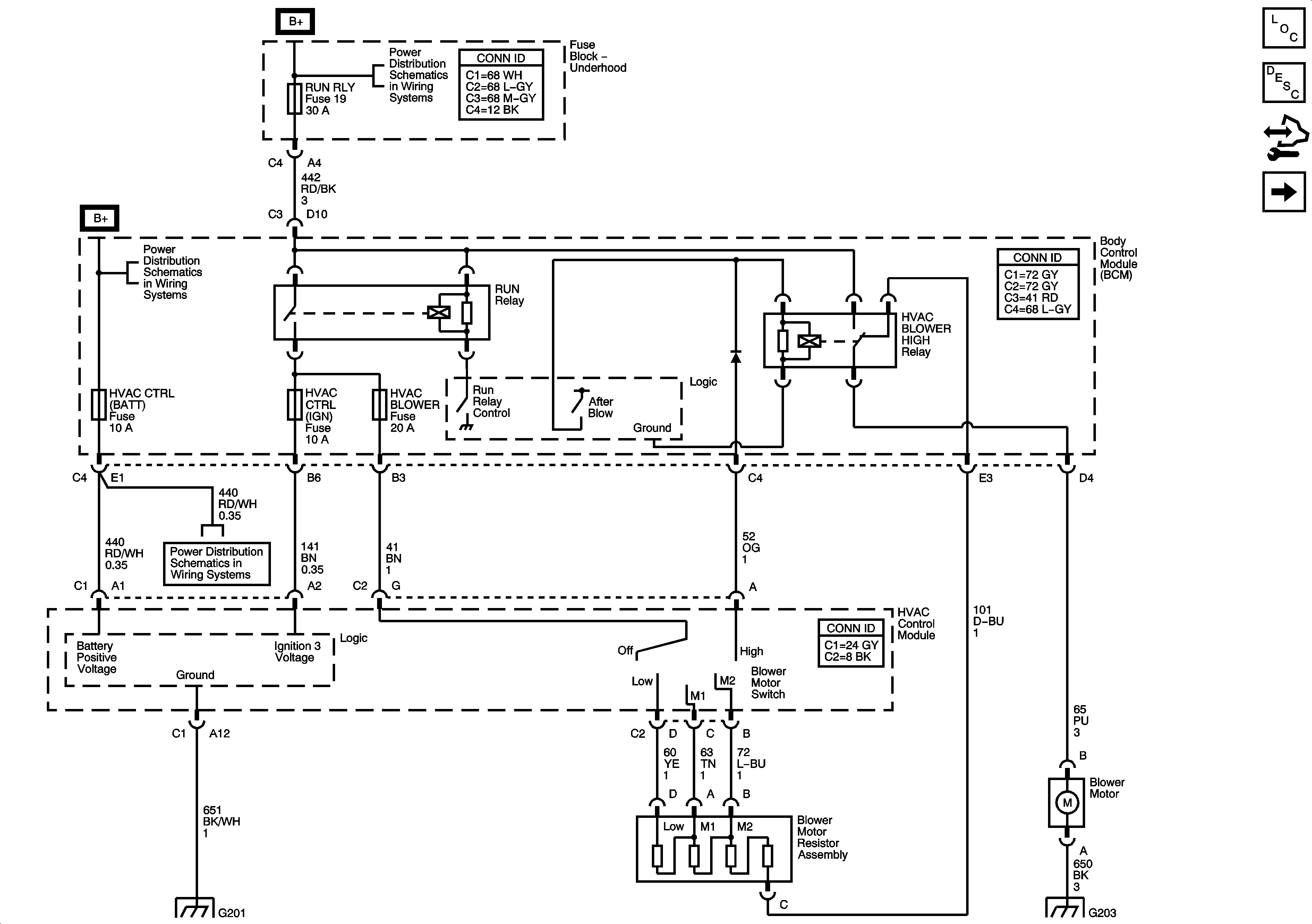
Blower Motor Controls, Ground and Power


Object Number: 1640182  Size: FS
Master Electrical Component List
Air Temperature Description and Operation
Control Module References
Ambient Air Temperature Sensor and Compressor Controls
Underhood Fuse Block - B+
Underhood Fuse Block IBCM 1, Body Control Module (BCM), AIRBAG (BATT), CLUSTER/THEFT, HVAC CTRL (BATT), IGN SENSOR and RADIO Fuses
Underhood Fuse Block IBCM 1, Body Control Module (BCM), AIRBAG (BATT), CLUSTER/THEFT, HVAC CTRL (BATT), IGN SENSOR and RADIO Fuses
G201
G203
Figure 2:

Ambient Air Temperature Sensor and Compressor Controls


Object Number: 1640184  Size: FS
Master Electrical Component List
Air Temperature Description and Operation
Control Module References
Air Temperature and Mode Controls
Blower Motor Controls, Ground and Power
Low Speed Serial Data
Underhood Fuse Block - B+
Underhood Fuse Block - B+
Power, Ground, Serial Data, High Speed GMLAN
G106
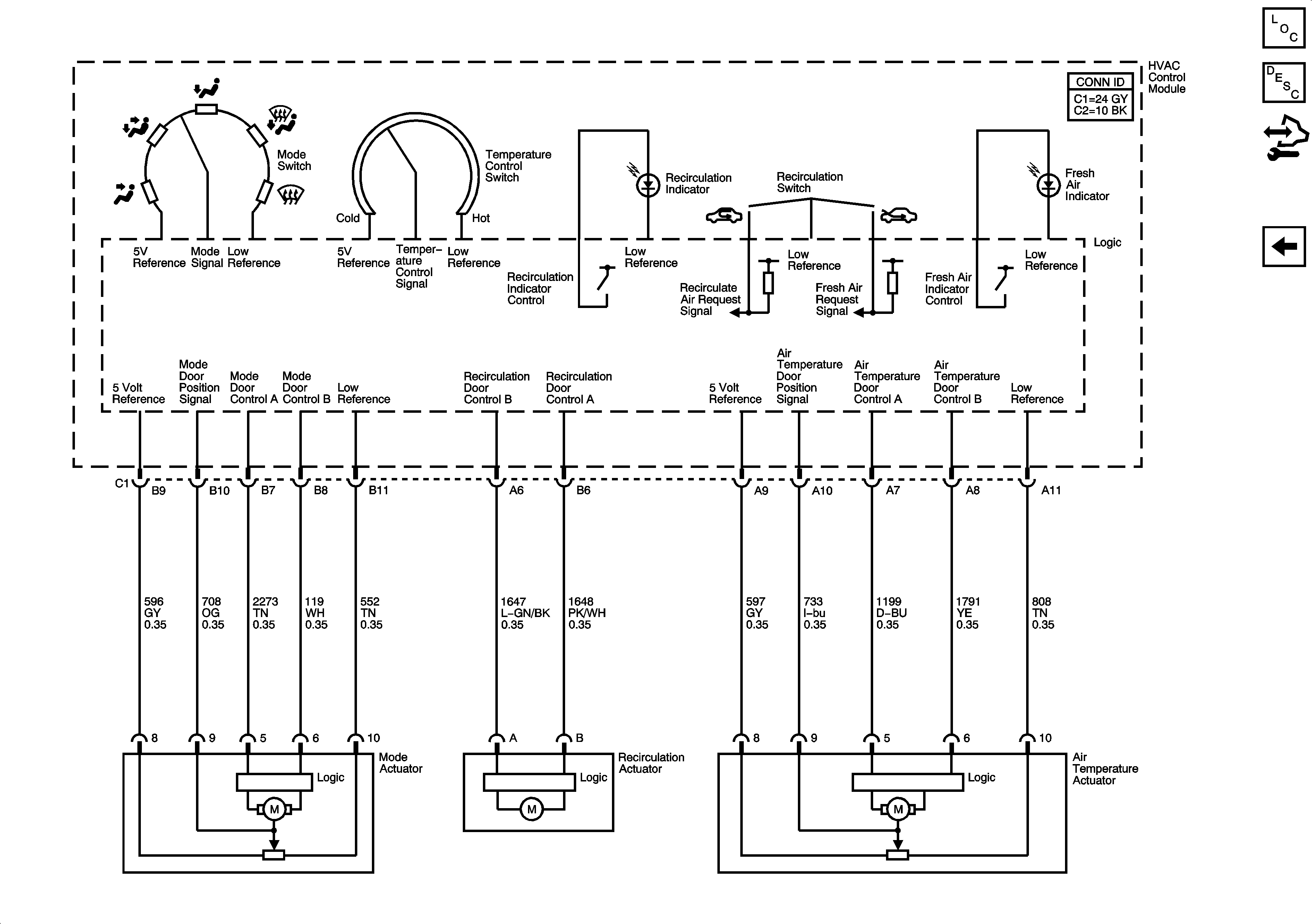
Figure 3:

Air Temperature and Mode Controls


Object Number: 1640187  Size: FS
Master Electrical Component List
Air Temperature Description and Operation
Control Module References
Ambient Air Temperature Sensor and Compressor Controls