GM Service Manual Online
For 1990-2009 cars only
Figure 1:

Power, Ground and Blower Motor Controls


Object Number: 1576617  Size: FS
Master Electrical Component List
Air Temperature Description and Operation
Control Module References
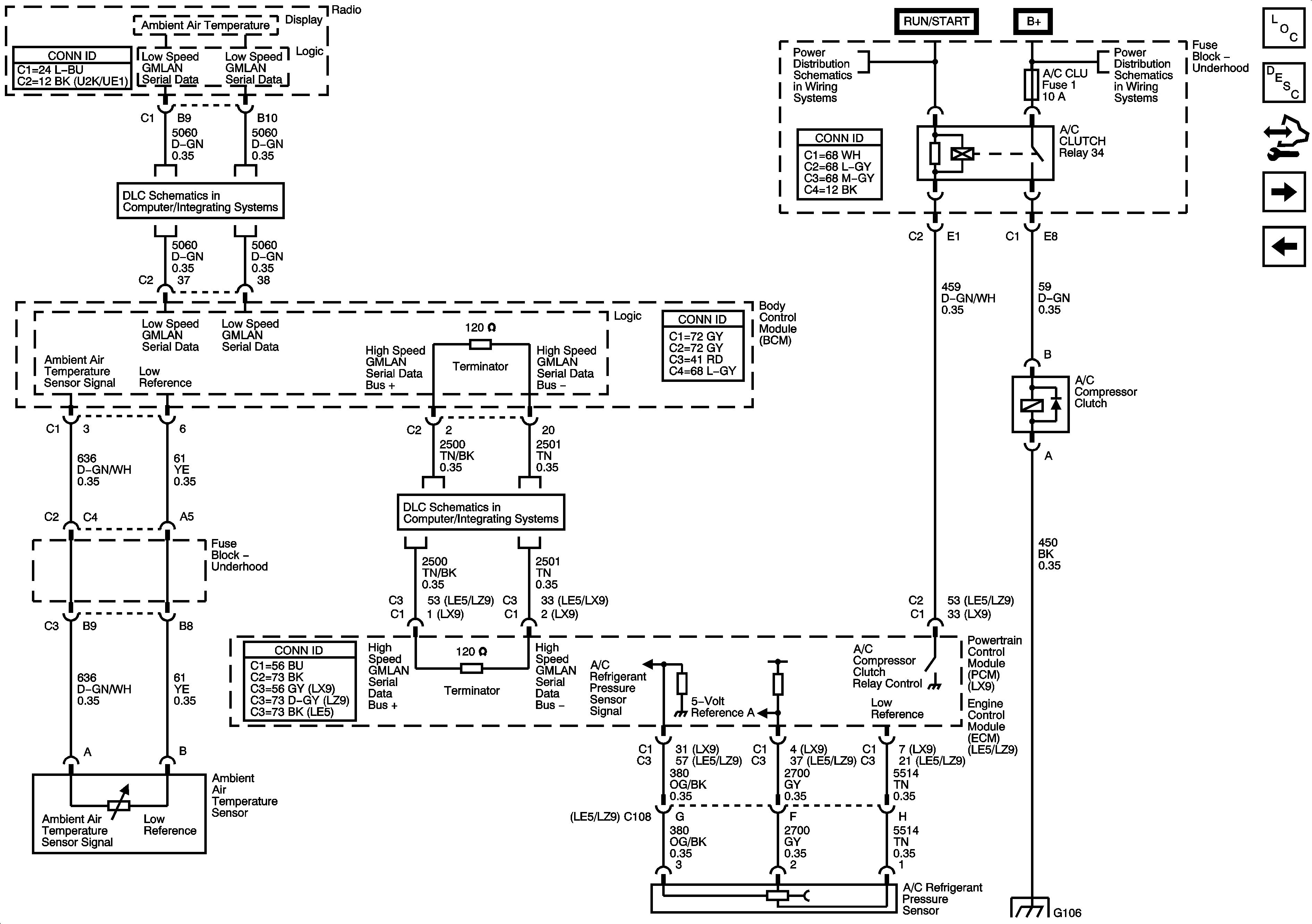
Ambient Air Temperature Sensor and Compressor Controls
Underhood Fuse Block DRL Relay, LO/BEAM Relay, HI/BEAM Relay, ABS, DRL, EPS, IBCM 1, IBCM 2, LT HI BEAM, LT LO BEAM, PCM, PWR WDO, CPE/CONV, RT HI BEAM, RT LOW BEAM, and TCM Fuses
Underhood Fuse Block RBEC 2, RUN RLY, Body Control Module (BCM), HVAC BLOWER HIGH Relay, RUN Relay, HVAC BLOWER, HVAC CTRL (IGN) Rear Fuse Block FUEL Relay, PARK LP Relay, TRUNK Relay, DRV ST, EMISSIO
Underhood Fuse Block IBCM 1, Body Control Module (BCM), AIRBAG (BATT), CLUSTER/THEFT, HVAC CTRL (BATT), IGN SENSOR and RADIO Fuses
Underhood Fuse Block IBCM 1, Body Control Module (BCM), AIRBAG (BATT), CLUSTER/THEFT, HVAC CTRL (BATT), IGN SENSOR and RADIO Fuses
G201
G203
Figure 2:

Compressor Controls


Object Number: 1576620  Size: FS
Master Electrical Component List
Air Temperature Description and Operation
Control Module References
Air Temperature and Mode Controls
Blower Motor Controls, Power and Ground
Low Speed Serial Data
Underhood Fuse Block - B+
Underhood Fuse Block - B+
Power, Ground, Serial Data, High Speed GMLAN
G106
Figure 3:

Mode and Air Temperature Controls


Object Number: 1576621  Size: FS
Master Electrical Component List
Air Temperature Description and Operation
Control Module References
Ambient Air Temperature Sensor and Compressor Controls