GM Service Manual Online
For 1990-2009 cars only
Makes
🢒
Pontiac
🢒
2007
🢒
G6
🢒
Diagnostic Navigation
🢒
Vehicle Diagnostic Information
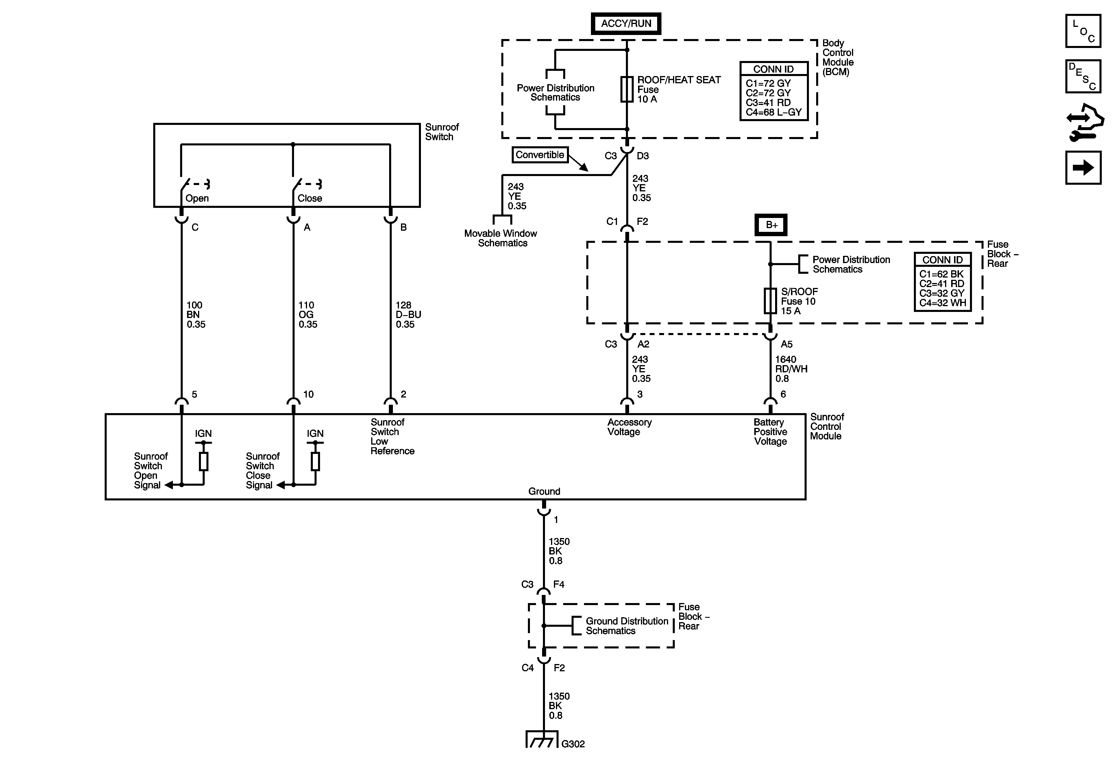
🢒 Sunroof Schematics
Figure
1:
CF5
Master Electrical Component List
Sunroof Description and Operation (w/RPO CF5)
Control Module References
C3Y
07 G6-Underhood Fuse Block IBCM 2 Fuse, BCM ACCESSORY Relay, DOOR LOCK, POWER WINDOWS, ROOF/HEAT SEAT and WIPER SW Fuses
07 G6-Underhood Fuse Block IBCM 2 Fuse, BCM ACCESSORY Relay, DOOR LOCK, POWER WINDOWS, ROOF/HEAT SEAT and WIPER SW Fuses
Underhood Fuse Block RBEC 1 Fuse and Rear Fuse Block AUDIO AMP, BACK UP LP, CIG/AUX, FOLDING TOP LOGIC POWER HTD ST, RKE/XM/DVD/UGD, RR DEFOG and SUN RF Fuses and BACK UP LP and RR DEFOG Relays
G302
G302
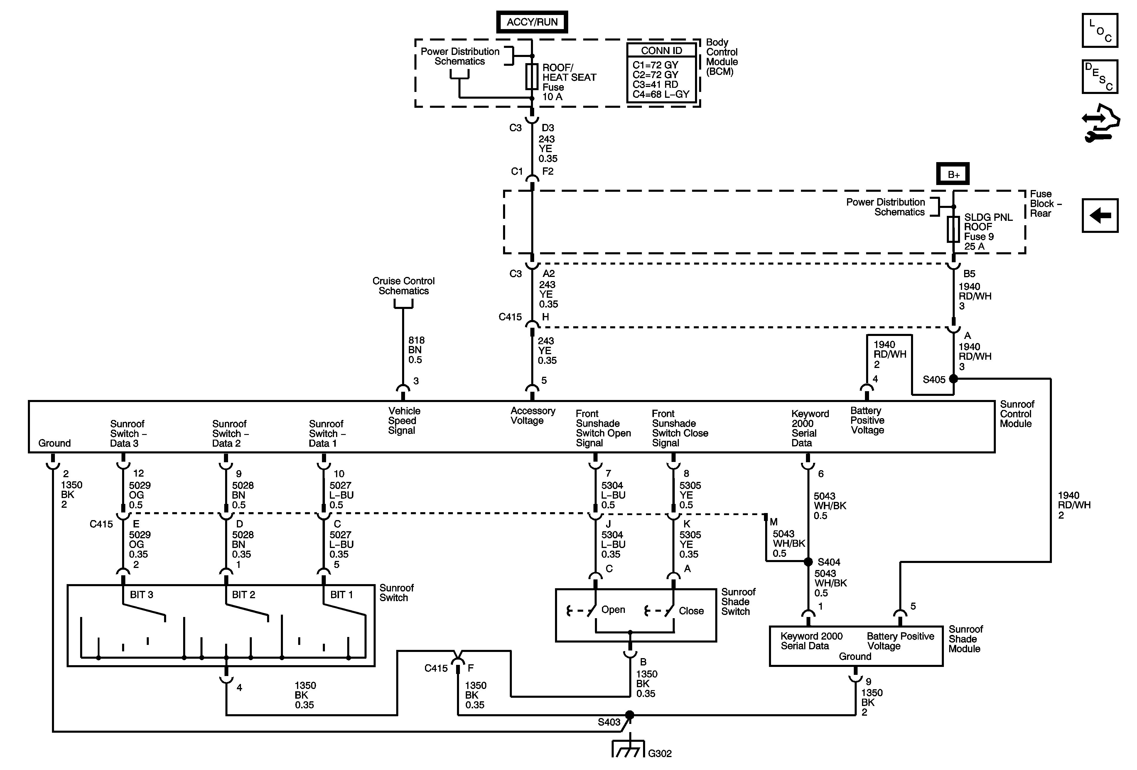
Figure
2:
C3Y
Master Electrical Component List
Sunroof Description and Operation w/RPO CF5
Control Module References
CF5
07 G6-Underhood Fuse Block IBCM 2 Fuse, BCM ACCESSORY Relay, DOOR LOCK, POWER WINDOWS, ROOF/HEAT SEAT and WIPER SW Fuses
Underhood Fuse Block RBEC 2 Fuse and RUN RLY, BCM HVAC BLOWER HIGH and RUN Relays, HVAC BLOWER and HVAC CTRL (IGN) Fuses, Rear Fuse Block FUEL, PARK LPS and TRUNK Relays, DRV ST, EMISSION 2, FOLDING T
Brake Pedal Position Sensor and Stop Lamp Switch Signal
G302