GM Service Manual Online
For 1990-2009 cars only
Makes
🢒
Pontiac
🢒
2007
🢒
G6
🢒
Body Systems
🢒
Mirrors
🢒 Inside Rearview Mirror Schematics
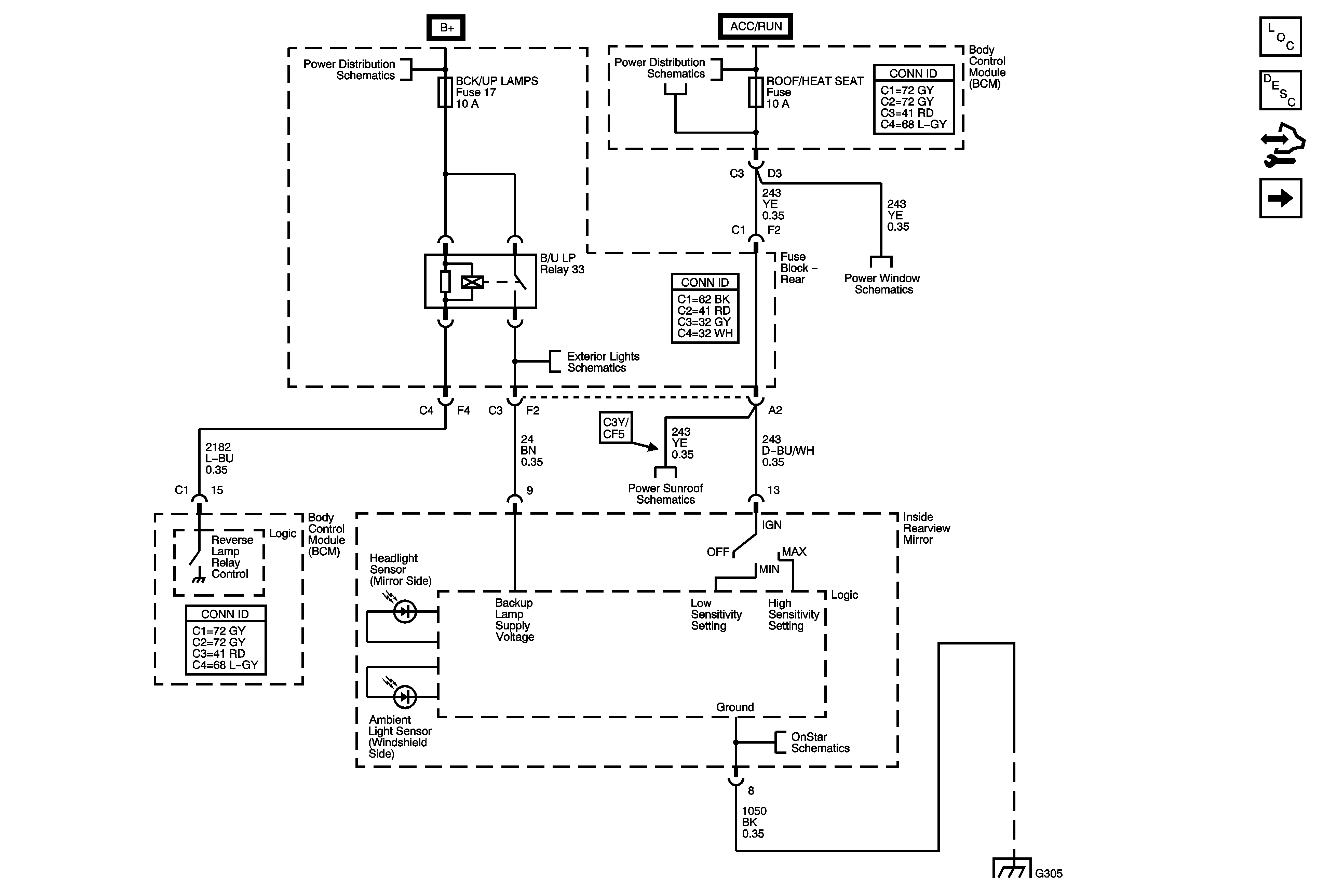
Figure
1:
Coupe/Sedan
Master Electrical Component List
Automatic Day-Night Mirror Description and Operation
Control Module References
Inside Rearview Mirror (Convertible)
Underhood Fuse Block RBEC 1 Fuse and Rear Fuse Block AUDIO AMP, BACK UP LP, CIG/AUX, FOLDING TOP LOGIC POWER HTD ST, RKE/XM/DVD/UGD, RR DEFOG and SUN RF Fuses and BACK UP LP and RR DEFOG Relays
07 G6-Underhood Fuse Block IBCM 2 Fuse, BCM ACCESSORY Relay, DOOR LOCK, POWER WINDOWS, ROOF/HEAT SEAT and WIPER SW Fuses
License Lamps and Backup Lamps
Window Motors - Coupe
CF5
OnStar - Coupe/Sedan
G304 and G305
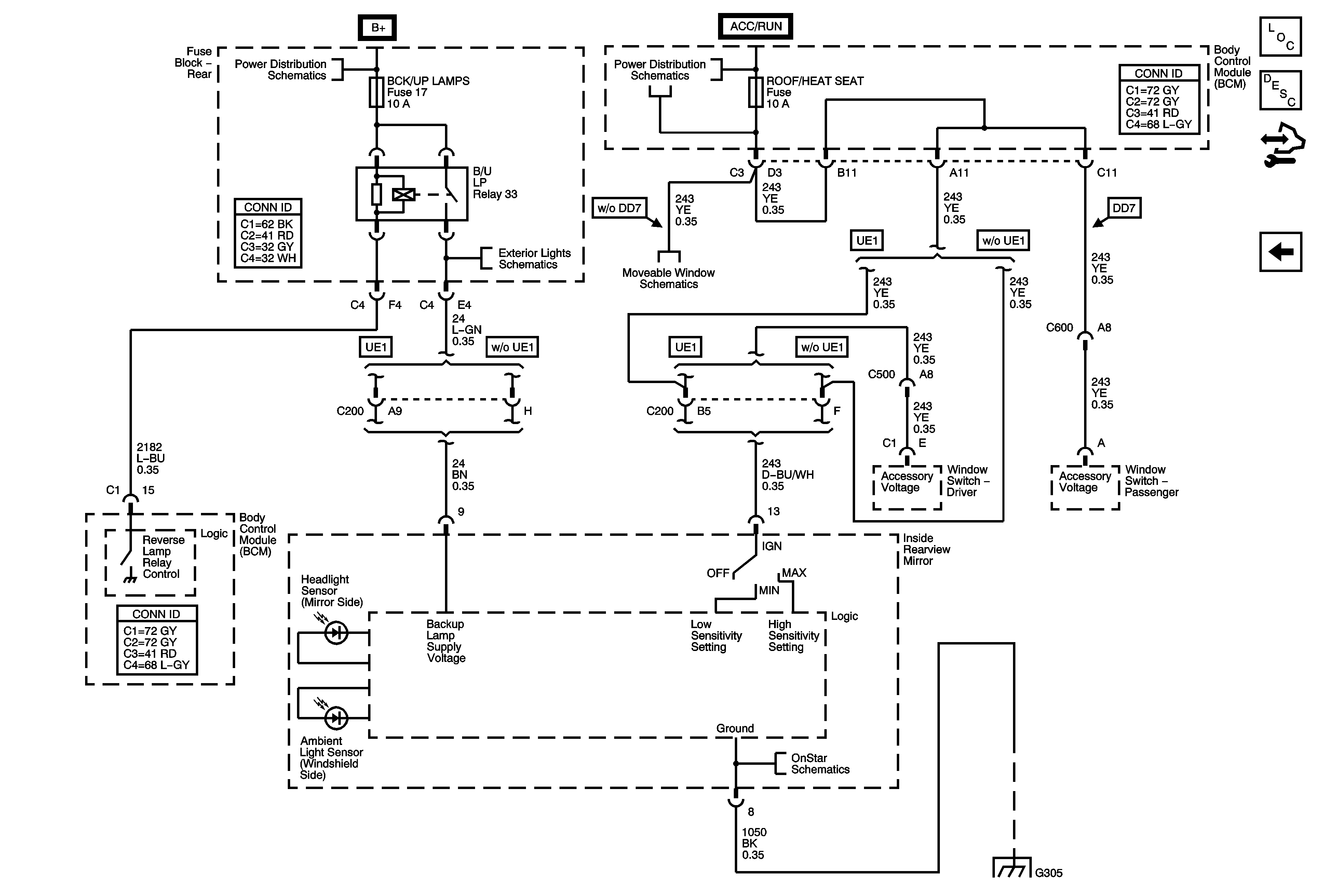
Figure
2:
Inside Rearview Mirror (Convertible)
Master Electrical Component List
Automatic Day-Night Mirror Description and Operation
Control Module References
Mirrors - Inside Rearview Mirror Schematics (Coupe/Sedan)
Underhood Fuse Block RBEC 1 Fuse and Rear Fuse Block AUDIO AMP, BACK UP LP, CIG/AUX, FOLDING TOP LOGIC POWER HTD ST, RKE/XM/DVD/UGD, RR DEFOG and SUN RF Fuses and BACK UP LP and RR DEFOG Relays
07 G6-Underhood Fuse Block IBCM 2 Fuse, BCM ACCESSORY Relay, DOOR LOCK, POWER WINDOWS, ROOF/HEAT SEAT and WIPER SW Fuses
License Lamps and Backup Lamps
Window Switches - Convertible
Onstar (Convertible)
G304 and G305