GM Service Manual Online
For 1990-2009 cars only
Makes
🢒
Pontiac
🢒
2007
🢒
G6
🢒
Power and Signal Distribution
🢒
Wiring Systems and Power Management
🢒 Power Moding Schematics
Figure
1:
DLC and Power
Master Electrical Component List
Power Mode Description and Operation
Control Module References
Power
Door Ajar Indicators
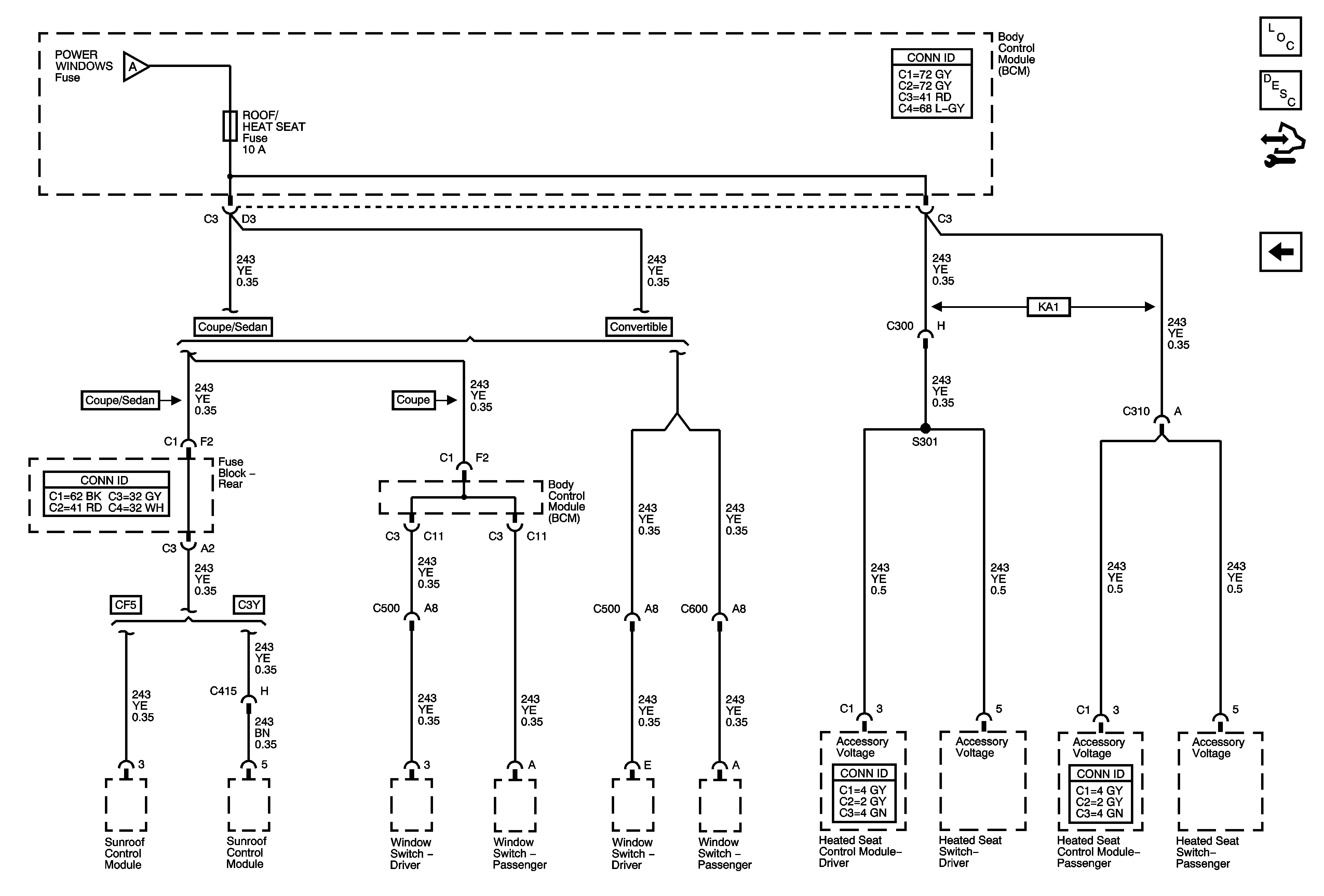
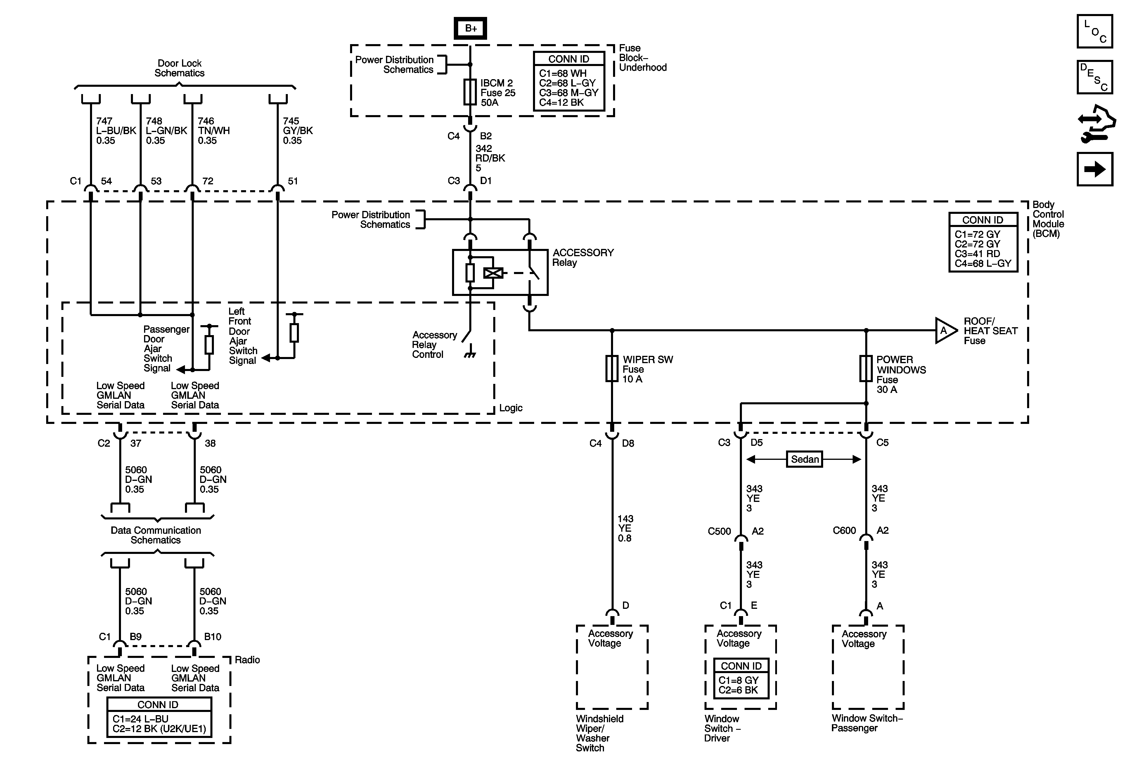
07 G6-Underhood Fuse Block IBCM 2 Fuse, BCM ACCESSORY Relay, DOOR LOCK, POWER WINDOWS, ROOF/HEAT SEAT and WIPER SW Fuses
Power
Low Speed GMLAN Serial Data (1 of 2)
Figure
2:
Power
Master Electrical Component List
Power Mode Description and Operation
Control Module References
DLC and Power
DLC and Power