GM Service Manual Online
For 1990-2009 cars only
Makes
🢒
Pontiac
🢒
2007
🢒
G6
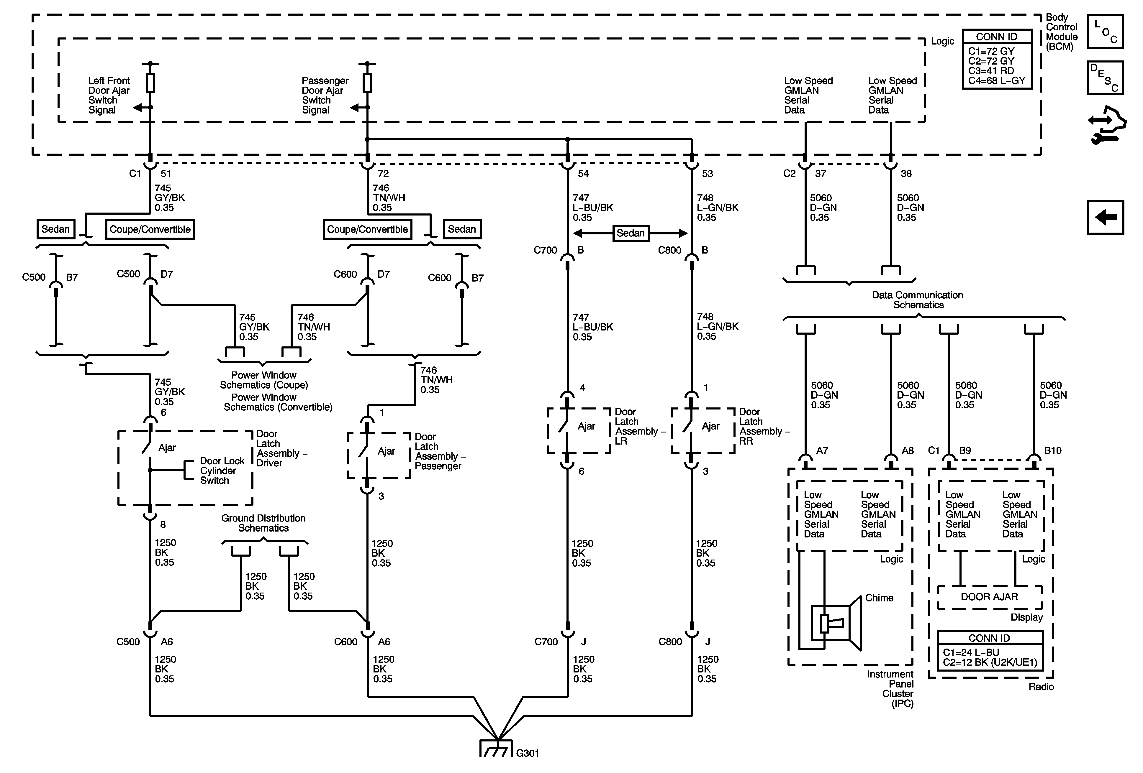
🢒 Door Ajar Indicators
Door Ajar Indicators
Door Ajar Indicators
Master Electrical Component List
Power Door Locks Description and Operation
Control Module References
Door Lock Actuators
Ajar Switches - Coupe
Front Window Motors - Convertible
Door Lock Switches
G301
Low Speed GMLAN Serial Data (1 of 2)
G301