GM Service Manual Online
For 1990-2009 cars only
Makes
🢒
Pontiac
🢒
2007
🢒
G6
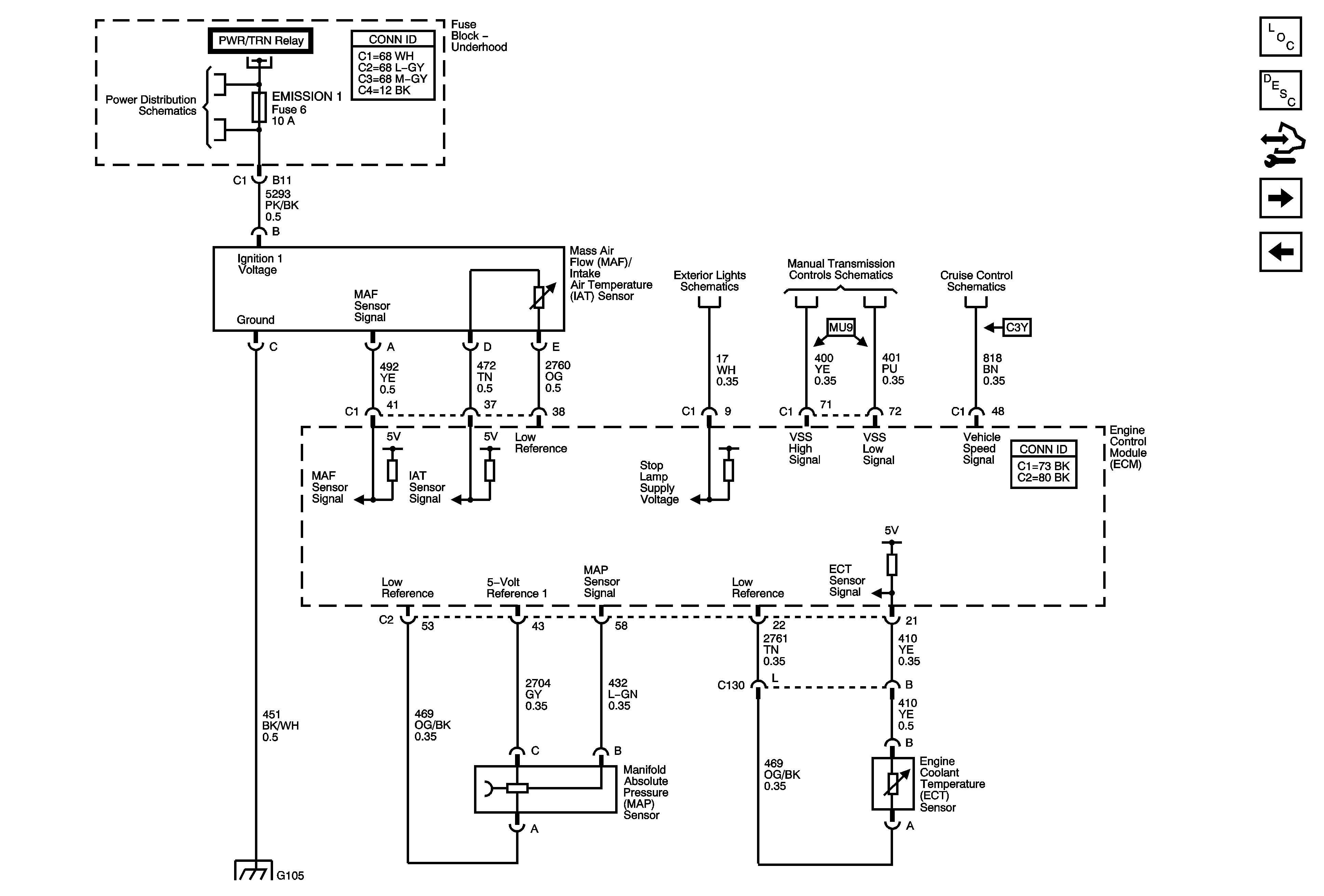
🢒 MAF, VSS and Extended Brake Travel Switch
MAF, VSS and Extended Brake Travel Switch
MAF, VSS and Extended Brake Travel Switch
Master Electrical Component List
Engine Control Module Description
Control Module References
Heated Oxygen Sensors
5-Volt and Low References
Underhood Fuse Block A/C CLUTCH and PWR/TRN Relays, EMISSION 1, ETC, IGN MOD and IMTV/DOD Fuses
Turn Signals and Stop Lamps
Manual Transmission Schematics
Brake Pedal Position Sensor and Stop Lamp Switch Signal
G103, G104, and G105