GM Service Manual Online
For 1990-2009 cars only
Makes
🢒
Pontiac
🢒
2007
🢒
G6
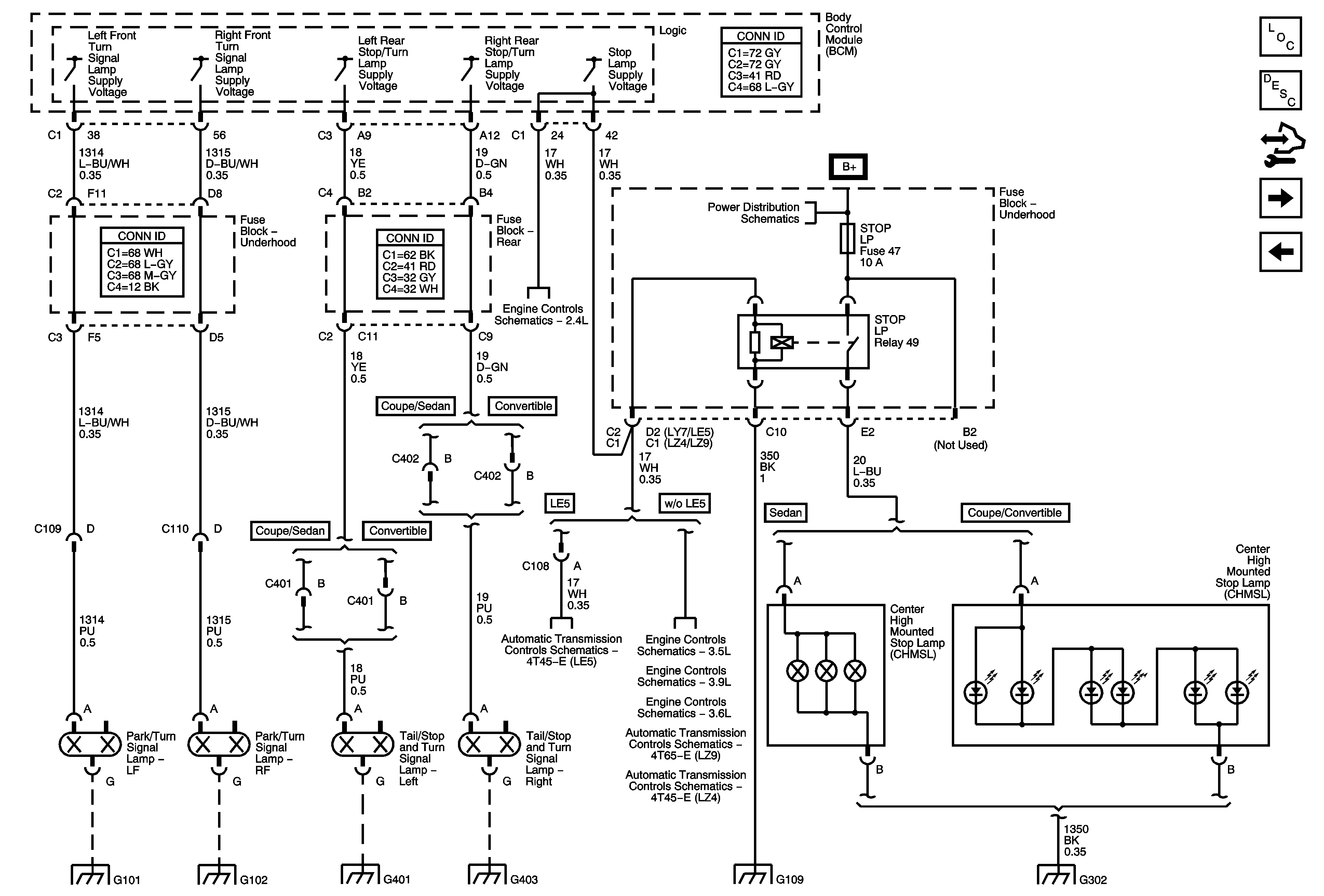
🢒 Turn Signals and Stop Lamps
Turn Signals and Stop Lamps
Turn Signals and Stop Lamps
Master Electrical Component List
Exterior Lighting Systems Description and Operation
Control Module References
Park Lamps
Ambient Light Sensor, Brake Pedal Position Sensor, Hazard Switch, and Turn Signal/Malfunction Switch
Underhood Fuse Block B+
MAF, VSS and Extended Brake Travel Switch
Transmission Solenoids (LE5)
MAF/IAT, MAP, ECT Sensors
MAF, VSS and Extended Brake Travel Switch
MAF/IAT, MAP, ECT Sensors
Shift Solenoids, TCC and TFT
Shift Solenoids, TCC, TFT, Transmission Fluid Pressure (LZ4)
G101 and G1012
G101 and G1012
G401 and G403
G401 and G403
G109
G302