GM Service Manual Online
For 1990-2009 cars only
Makes
🢒
Pontiac
🢒
2007
🢒
G6
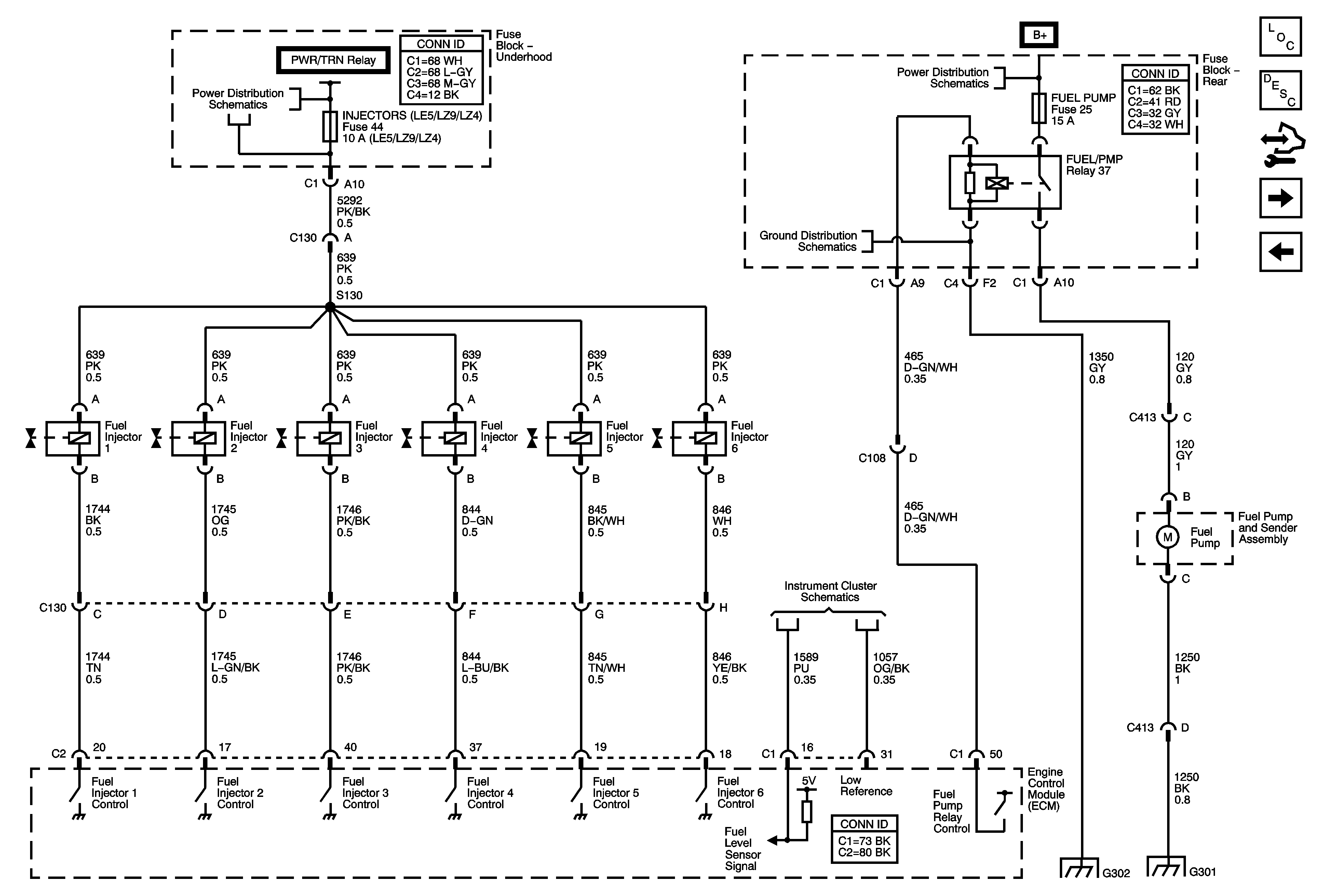
🢒 Fuel Injectors and Fuel Pump
Fuel Injectors and Fuel Pump
Fuel Injectors and Fuel Pump
Master Electrical Component List
Fuel System Description
Control Module References
EVAP Controls, FTP Sensor, IMT Valve
Ignition System
Underhood Fuse Block A/C CLUTCH and PWR/TRN Relays, EMISSION 1, ETC, IGN MOD and IMTV/DOD Fuses
Underhood Fuse Block RBEC 2 Fuse and RUN RLY, BCM HVAC BLOWER HIGH and RUN Relays, HVAC BLOWER and HVAC CTRL (IGN) Fuses, Rear Fuse Block FUEL, PARK LPS and TRUNK Relays, DRV ST, EMISSION 2, FOLDING T
G302
Indicators
G302
G301