GM Service Manual Online
For 1990-2009 cars only
Makes
🢒
Pontiac
🢒
2007
🢒
G6
🢒 Indicators
Indicators
Indicators
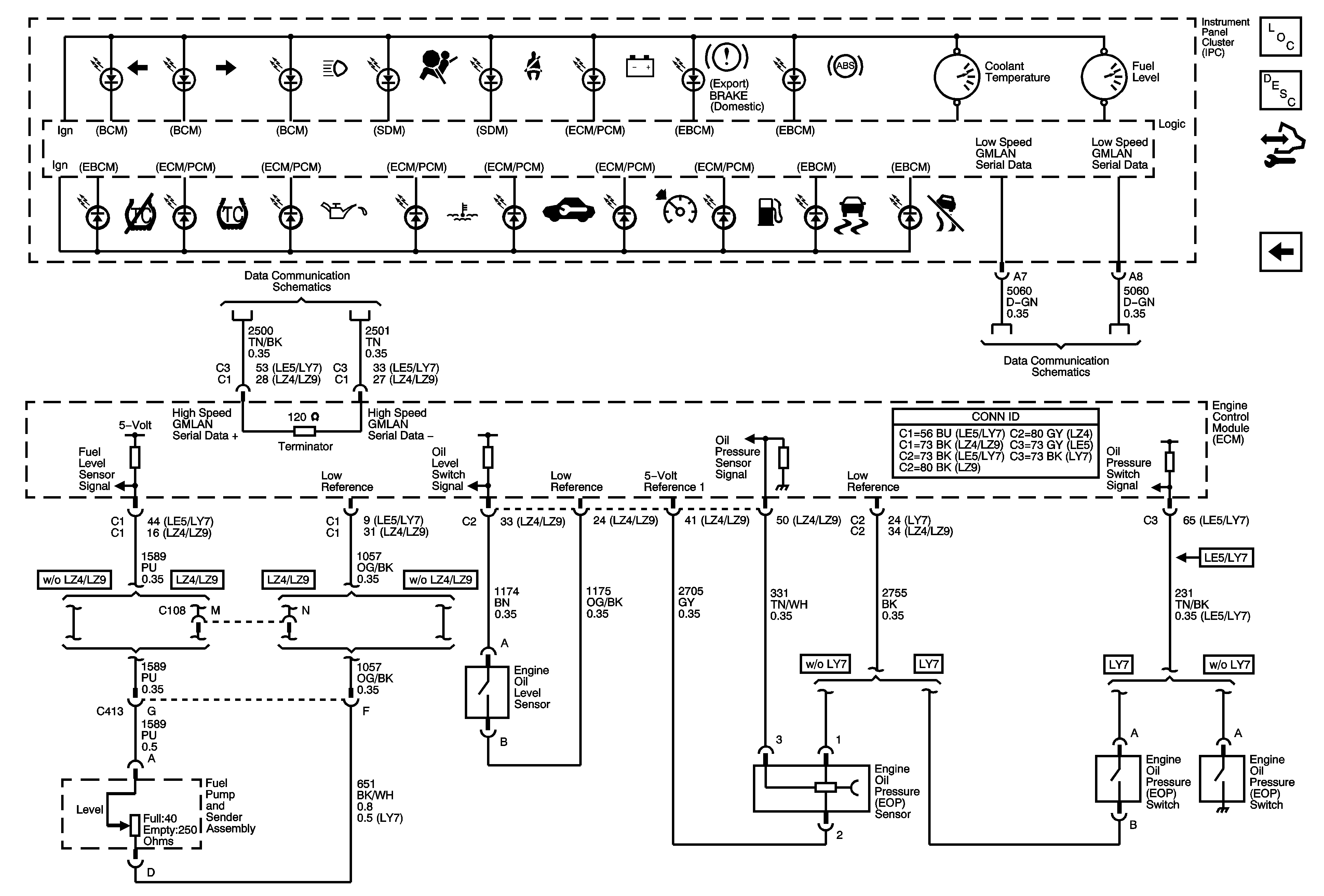
Master Electrical Component List
Instrument Cluster Description and Operation
Control Module References
Power, Ground and Illumination
Power, Ground, High Speed GMLAN Serial Data
Low Speed GMLAN Serial Data (1 of 2)