GM Service Manual Online
For 1990-2009 cars only
Makes
🢒
Pontiac
🢒
2007
🢒
G6
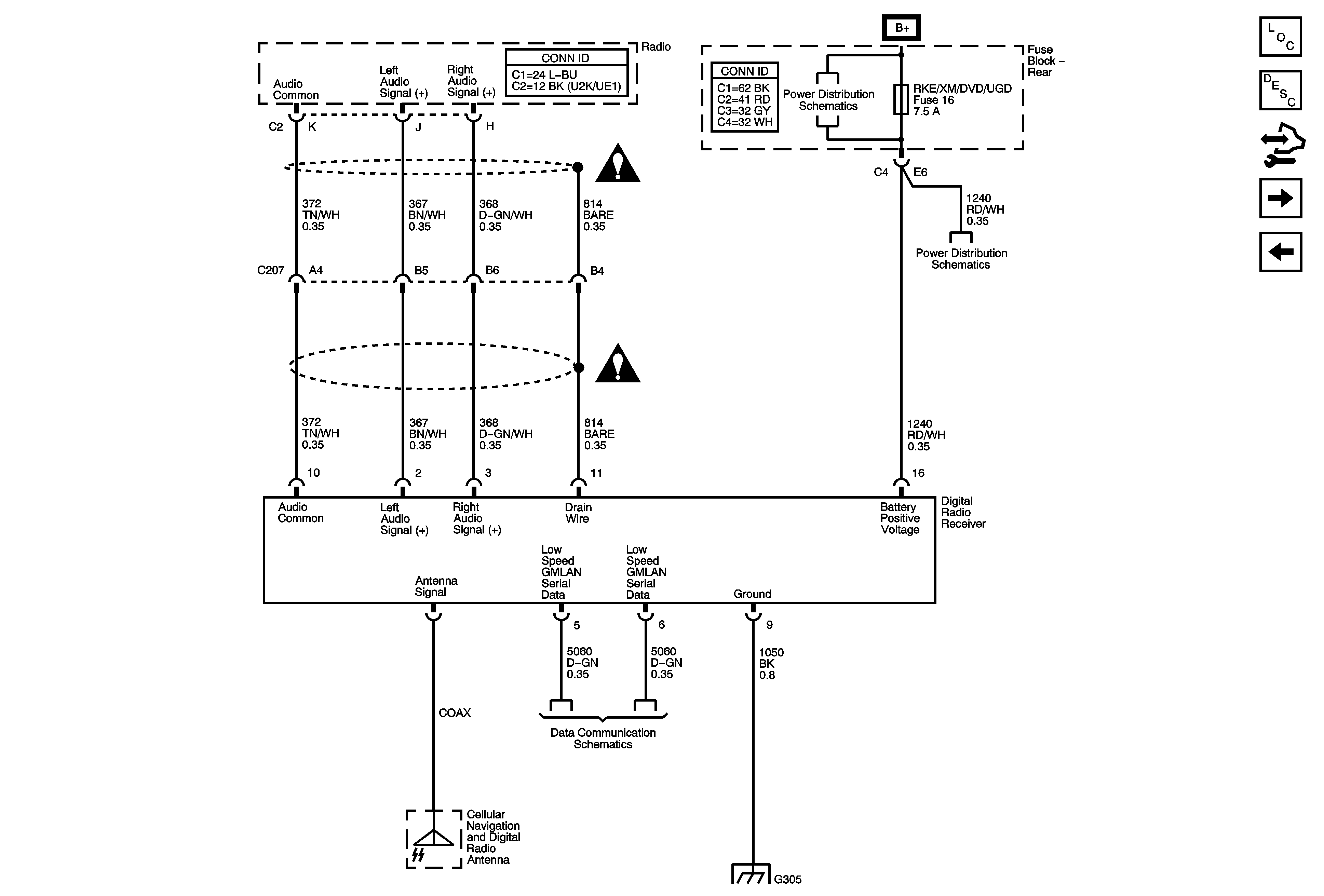
🢒 Digital Radio Receiver
Digital Radio Receiver
Digital Radio Receiver
Master Electrical Component List
Radio/Audio System Description and Operation
Control Module References
Redundant Radio Controls - 3 Spoke
Radio w/U85 (Convertible)
Entertainment/Communication Schematic Icons
Entertainment/Communication Schematic Icons
Underhood Fuse Block RBEC 1 Fuse and Rear Fuse Block AUDIO AMP, BACK UP LP, CIG/AUX, FOLDING TOP LOGIC POWER HTD ST, RKE/XM/DVD/UGD, RR DEFOG and SUN RF Fuses and BACK UP LP and RR DEFOG Relays
Underhood Fuse Block RBEC 1 Fuse and Rear Fuse Block AUDIO AMP, BACK UP LP, CIG/AUX, FOLDING TOP LOGIC POWER HTD ST, RKE/XM/DVD/UGD, RR DEFOG and SUN RF Fuses and BACK UP LP and RR DEFOG Relays
Low Speed GMLAN Serial Data (2 of 2)
G304 and G305