GM Service Manual Online
For 1990-2009 cars only
Figure 1:

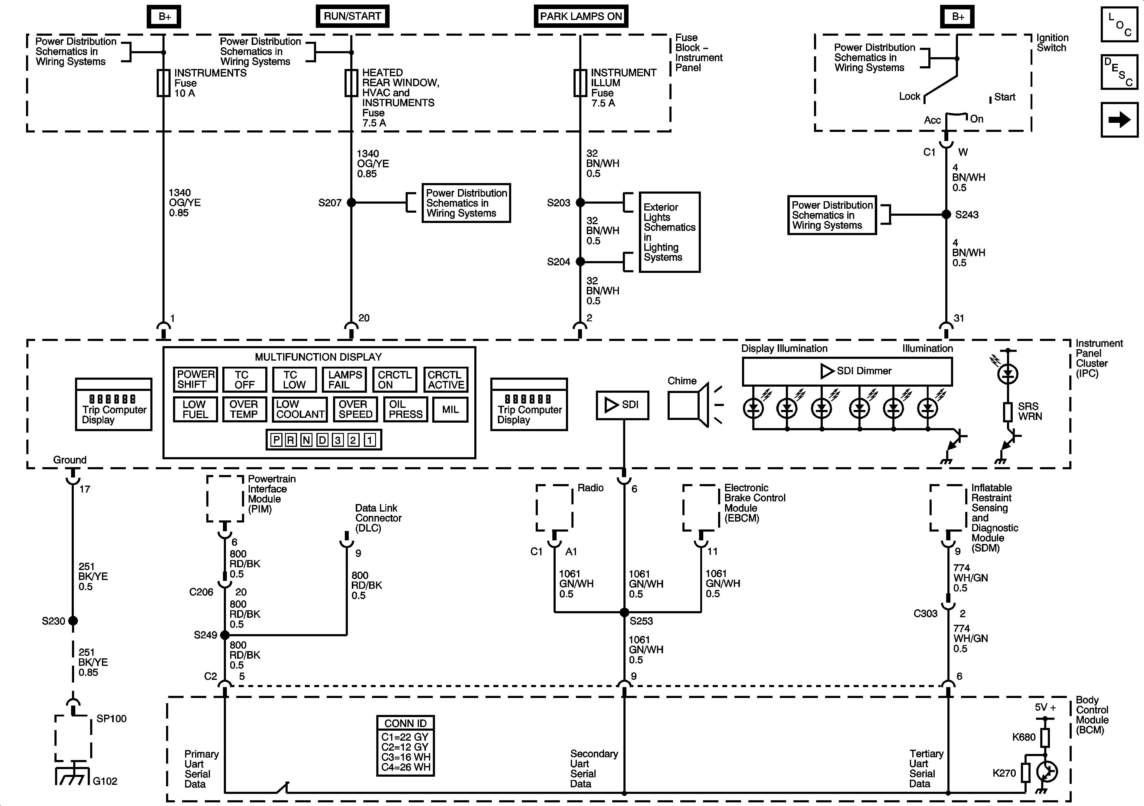
Instrument Panel Cluster (IPC) Power and Ground, Serial Data


Object Number: 1357146  Size: FS
Master Electrical Component List
Instrument Cluster Description and Operation
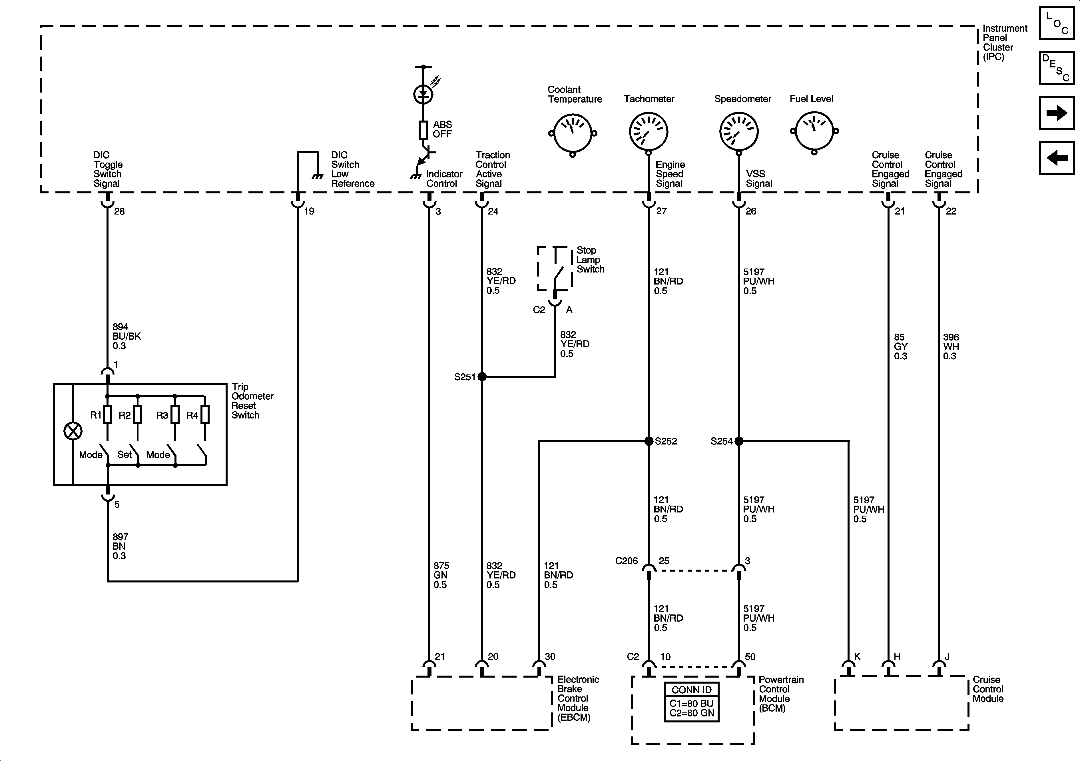
Trip Odometer, ABS Off, Cruise Control, Fuel, ECT Indicators, Speedometer, Tach
Main, Blower, Rad Fan Small, Power Door Locks, Theft, Horn, Power Windows Fuses
Turn Signals, Heated Rear Window, HVAC and Instruments Fuses
Turn Signals, Heated Rear Window, HVAC and Instruments Fuses
SP100 and G102
Front Marker Lamps
Ignition Switch
Ignition Switch
Figure 2:

Trip Odometer, ABS Off, Cruise Control, Fuel, ECT Indicators, Speedometer, Tachometer


Object Number: 1357147  Size: FS
Master Electrical Component List
Instrument Cluster Description and Operation
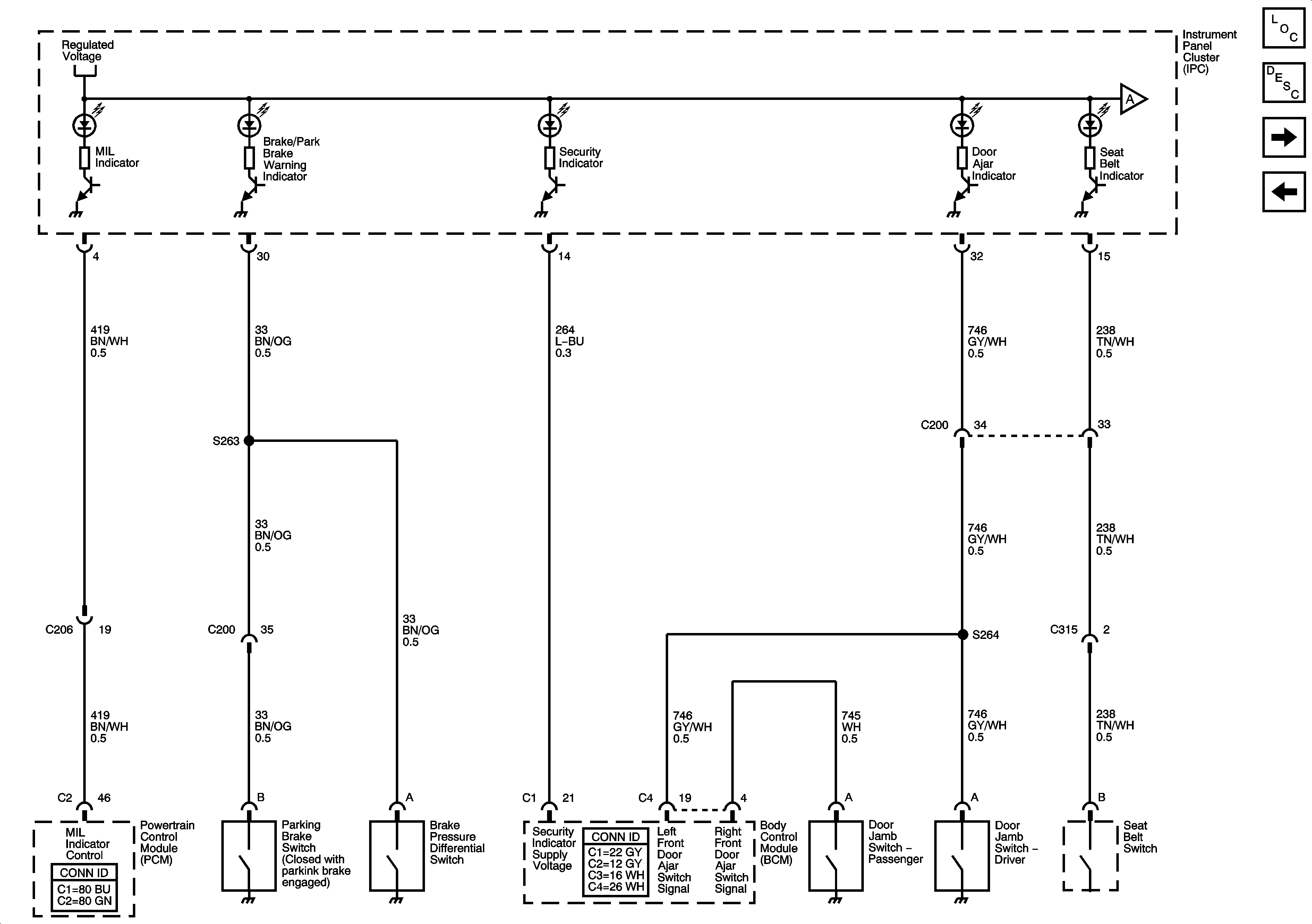
MIL, Brake, SCR, Door Ajar, Seat Belt Indicators
IPC Power and Ground, Serial Data
Figure 3:

MIL, Brake, SCR, Door Ajar, Seat Belt Indicators


Object Number: 1357148  Size: FS
Master Electrical Component List
Instrument Cluster Description and Operation
Charge, DRL, Hi Beam, Fog Lamps, Turn Indicators
Trip Odometer, ABS Off, Cruise Control, Fuel, ECT Indicators, Speedometer, Tach
Figure 4:

Charge, DRL, Hi Beam, Fog Lamps, Turn Indicators


Object Number: 1357149  Size: FS
Master Electrical Component List
Instrument Cluster Description and Operation
MIL, Brake, SCR, Door Ajar, Seat Belt Indicators
Turn Signal Switch and Lamps