GM Service Manual Online
For 1990-2009 cars only
Figure 1:

Radio Power and Ground


Object Number: 1357633  Size: FS
Master Electrical Component List
Radio/Audio System Description and Operation
Radio and Speakers
Accessory Control relay, Radio/Phone, ACC Socket, Front Washer/Wiper Fuses
Heated Rear Window, Radio, Cell Phone, Amplifier, Ignition Switch, Horn Fuses
SP100 and G102
SP100 and G102, G103, G200
Headlamp Switch, Hazard Switch and Flasher
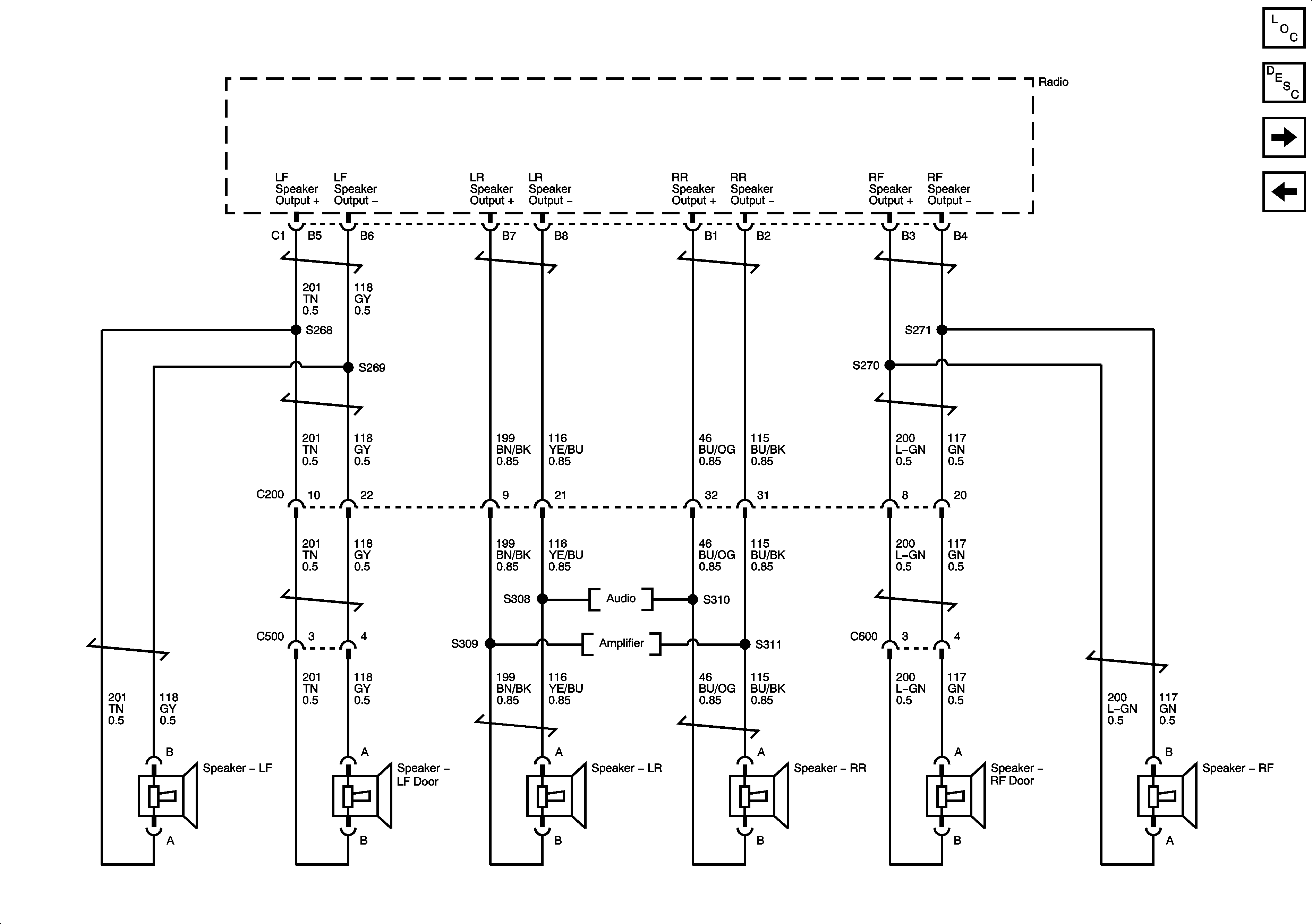
Figure 2:

Radio and Speakers


Object Number: 1357634  Size: FS
Master Electrical Component List
Radio/Audio System Description and Operation
Radio and Amplifier
Radio Power and Ground
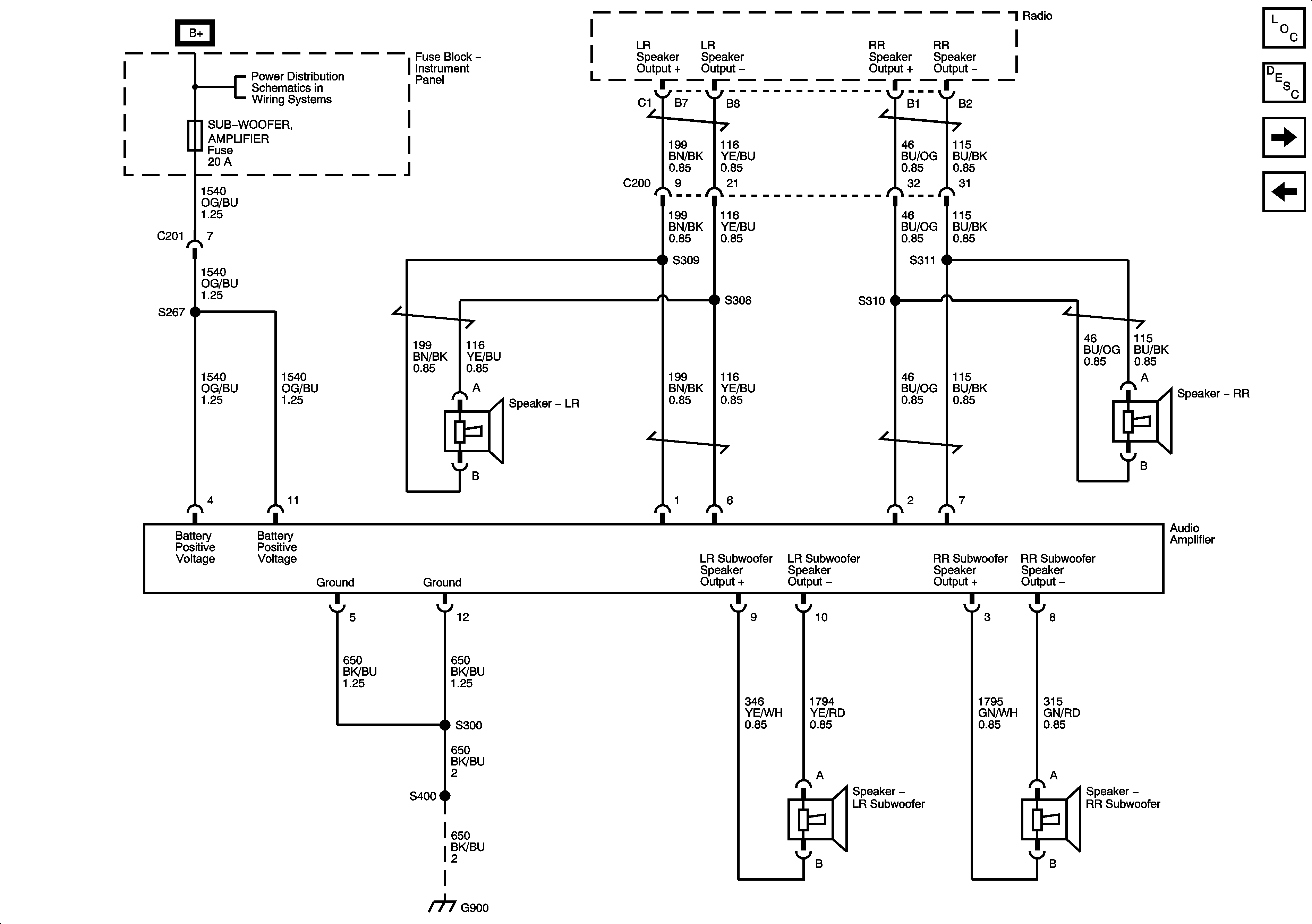
Figure 3:

Radio and Amplifier


Object Number: 1357635  Size: FS
Master Electrical Component List
Radio/Audio System Description and Operation
Radio Antenna and Radio Steering Wheel Controls
Radio and Speakers
Heated Rear Window, Radio, Cell Phone, Amplifier, Ignition Switch, Horn Fuses
G900 and G901
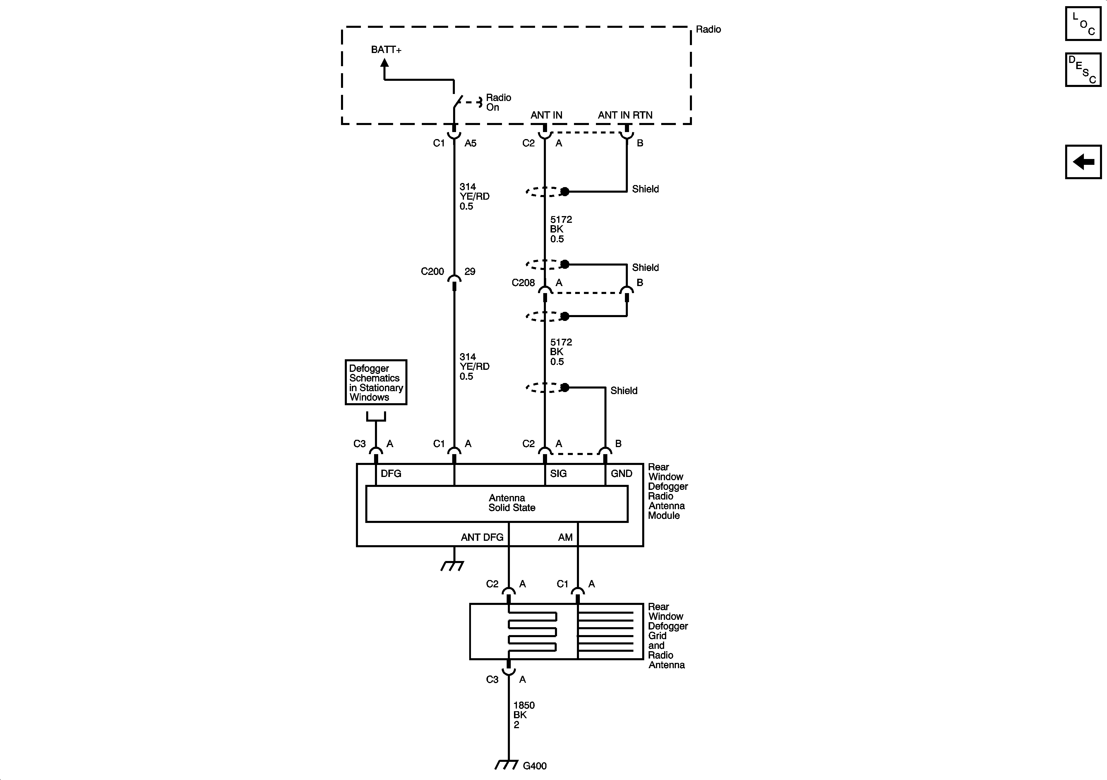
Figure 4:

Radio Antenna


Object Number: 1357637  Size: FS
Master Electrical Component List
Radio/Audio System Description and Operation
Radio and Amplifier
Defogger Schematic
G300, G301, G400