GM Service Manual Online
For 1990-2009 cars only
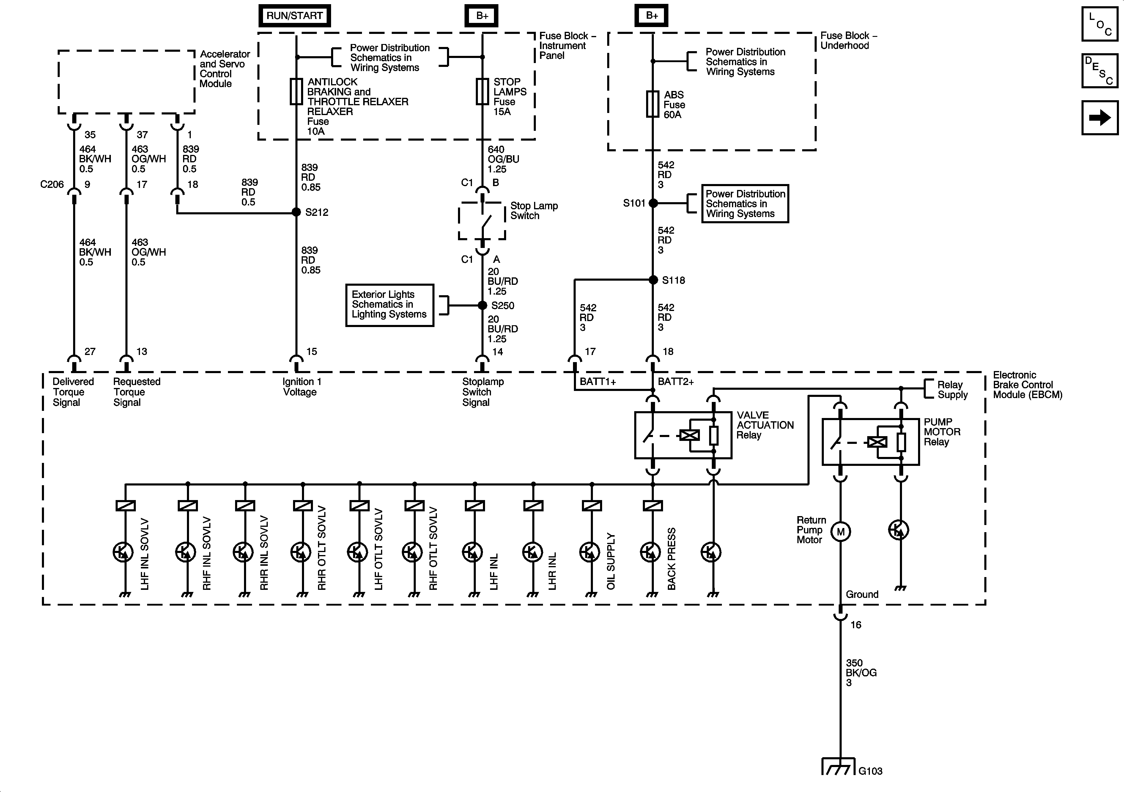
Figure 1:

Electronic Brake Control Module (EBCM) Power and Ground, Accelerator and Servo Control Module


Object Number: 1351810  Size: FS
Master Electrical Component List
ABS Description and Operation
Throttle Relaxer System
Ignition Control Relay, ABS, Throttle Relaxer, SRS, Cigar Lighter, Cruise Fuses
Park Lamps, Stoplamps, Interior Illumination, Hazard Lamps, Throttle Fuses
Stoplamps
Battery, Rad Fan Large, Lighting, ABS Fuses
Park Lamps, Stoplamps, Interior Illumination, Hazard Lamps, Throttle Fuses
SP100 and G102, G103, G200
Figure 2:

Throttle Relaxer System


Object Number: 1349838  Size: FS
Master Electrical Component List
OBD II Symbol Description Notice
EBCM, Wheel Speed Sensors, DLC, ABS Indicator
EBCM Power and Ground, Accelerator and Servo Control Module
Ignition Control Relay, ABS, Throttle Relaxer, SRS, Cigar Lighter, Cruise Fuses
G104 and G105
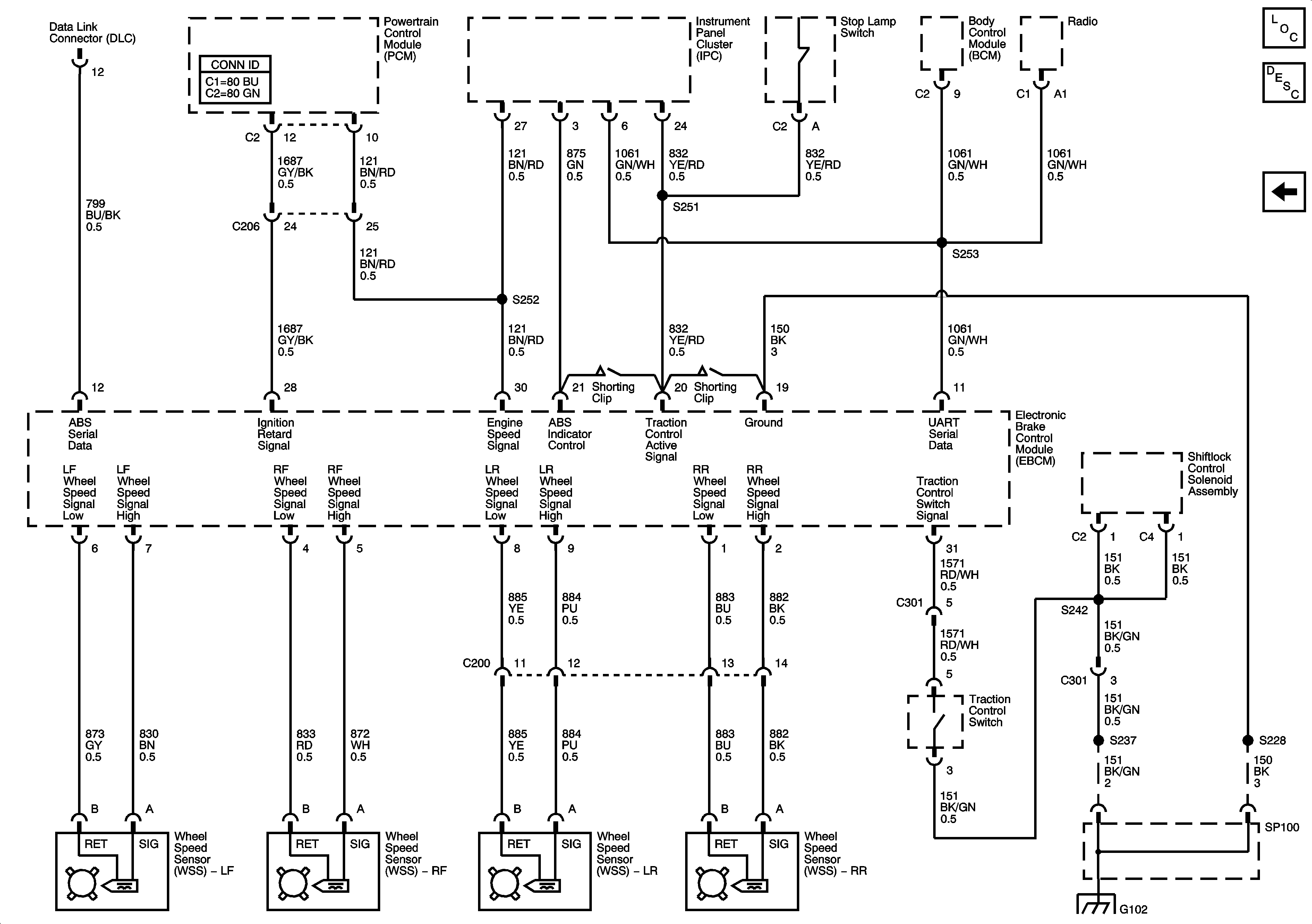
Figure 3:

Electronic Brake Control Module (EBCM), Wheel Speed Sensors, DLC, ABS Indicator


Object Number: 1351891  Size: FS
Master Electrical Component List
ABS Description and Operation
Throttle Relaxer System
SP100 and G102