GM Service Manual Online
For 1990-2009 cars only
Makes
🢒
Pontiac
🢒
1999
🢒
Grand Am
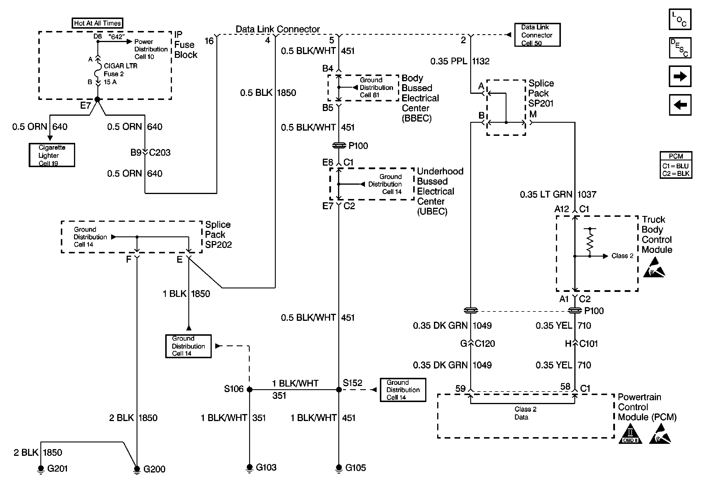
🢒 Data Link Connector
Data Link Connector
Data Link Connector
Engine Controls Components
Powertrain Control Module Description
Ignition Controls
Power, Grounding, Generator, And MIL
Handling Electrostatic Discharge Sensitive Parts Notice
OBD II Symbol Description Notice
Handling Electrostatic Discharge Sensitive Parts Notice