GM Service Manual Online
For 1990-2009 cars only

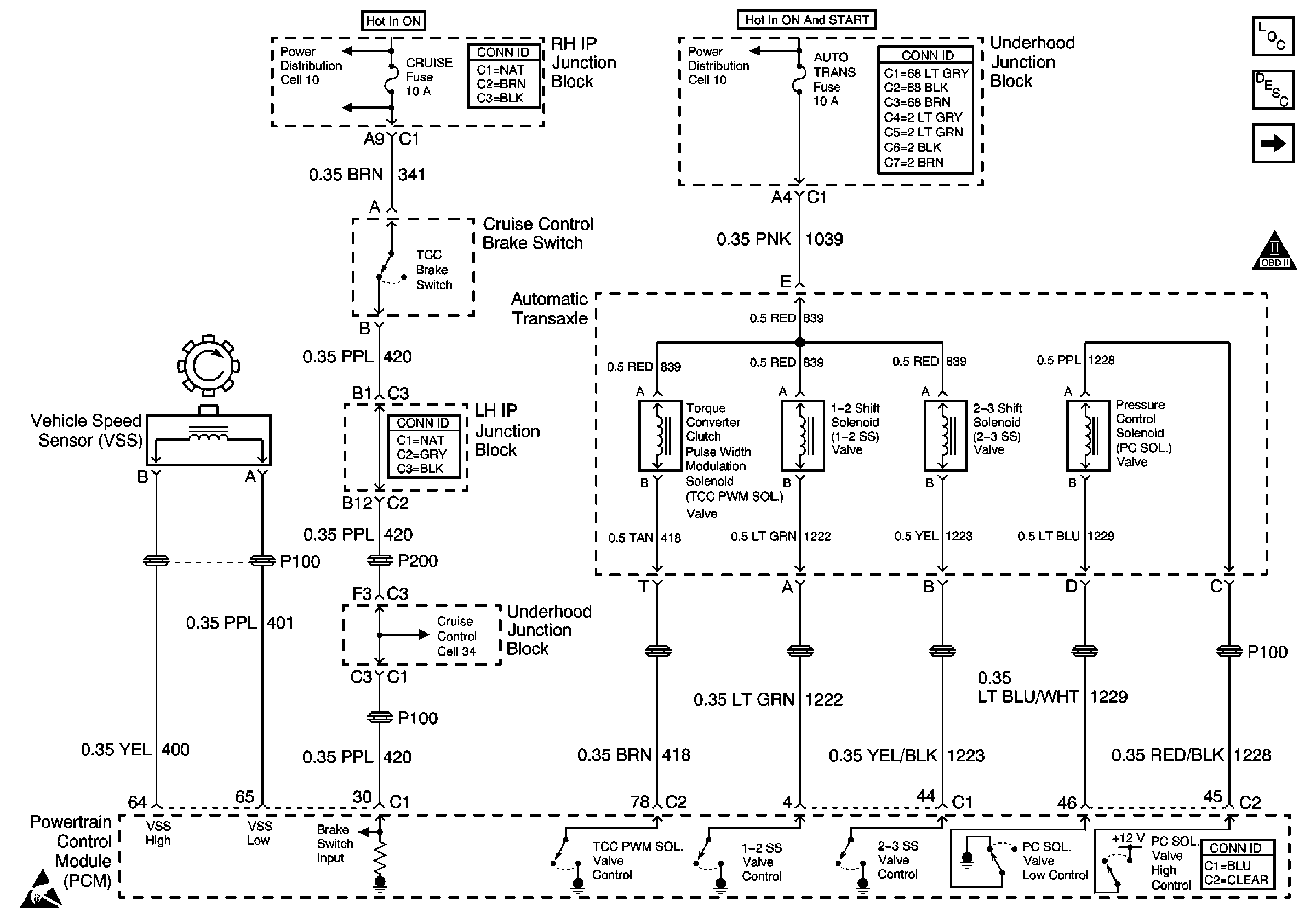
Automatic Transmission Controls Schematics LA1

Figure 1:

Brake Switch, Solenoids, and VSS: 4T45-E 3.4L


Object Number: 557415  Size: FS
Automatic Transmission Components
Electronic Component Description
TFP Valve Position Switch, TFT Sensor, and A/T ISS Sensor: 4T45-E3.4L
OBD II Symbol Description Notice
Handling ESD Sensitive Parts Notice
Power Distribution Schematics
Handling ESD Sensitive Parts Notice
Cruise Control Schematics
Figure 2:

TFP Valve Position Switch, TFT Sensor, and A/T ISS Sensor: 4T45-E 3.4L


Object Number: 232865  Size: FS
Automatic Transmission Components
Electronic Component Description
Brake Switch, Solenoids, and VSS: 4T45-E 3.4L
OBD II Symbol Description Notice
Handling ESD Sensitive Parts Notice
Handling ESD Sensitive Parts Notice

Automatic Transmission Controls Schematics LD9

Figure 1:

TFP Valve Position Switch, TFT Sensor, and A/T ISS Sensor: 4T40-E 2.4L


Object Number: 232860  Size: FS
Automatic Transmission Components
Electronic Component Description
2000 x130 trans
OBD II Symbol Description Notice
Handling ESD Sensitive Parts Notice
Handling ESD Sensitive Parts Notice
Figure 2:

TFP Valve Position Switch, TFT Sensor, and A/T ISS Sensor: 4T40-E 2.4L


Object Number: 232860  Size: FS
Automatic Transmission Components
Electronic Component Description
2000 x130 trans
OBD II Symbol Description Notice
Handling ESD Sensitive Parts Notice
Handling ESD Sensitive Parts Notice