GM Service Manual Online
For 1990-2009 cars only
Makes
🢒
Pontiac
🢒
2000
🢒
Grand Am
🢒
HVAC
🢒
HVAC Systems - Manual
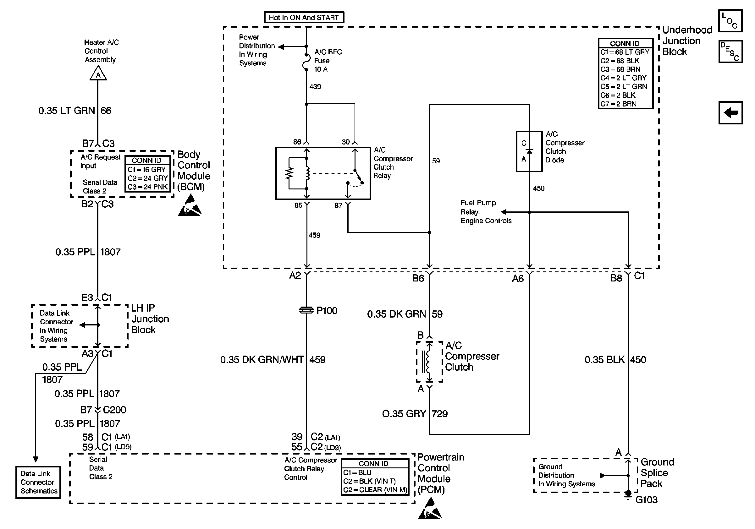
🢒 HVAC Compressor Control Schematics
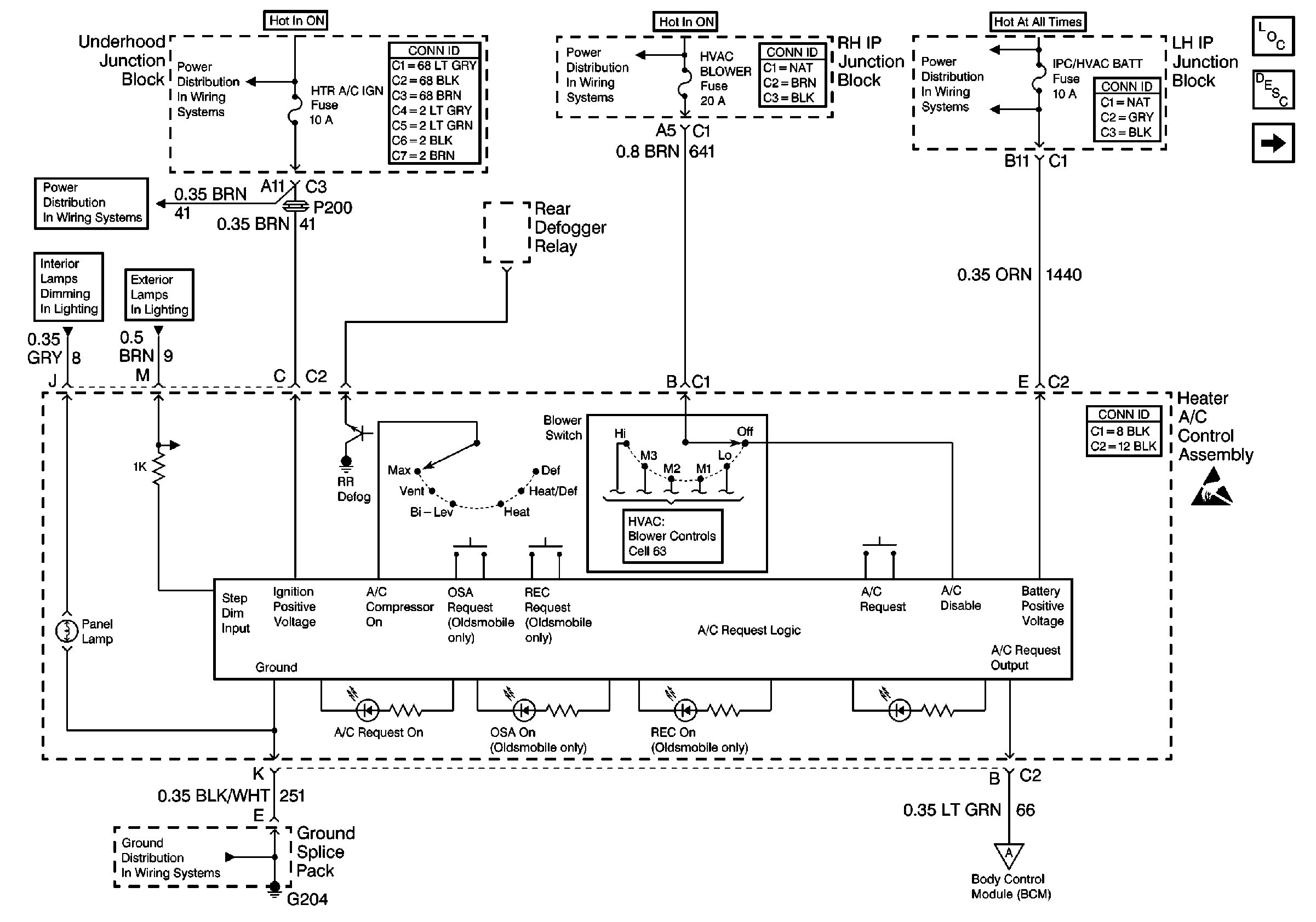
Cell 64: Heater A/C Control Assembly
HVAC Components
HVAC Compressor Controls Circuit Description
Cell 64: A/C Compressor Clutch
Handling ESD Sensitive Parts Notice
Ground Distribution Schematics
HTR A/C IGN and ERLS Fuses
Instrument Panel Dimmer Switch and Lamp Dimmer Module
Rear Compartment Lid Lamp and License Lamp
1
Cell 64: A/C Compressor Clutch
HVAC Components
HVAC Air Delivery/Temperature Control Circuit Description
Cell 64: Heater A/C Control Assembly
Ground Distribution Schematics