GM Service Manual Online
For 1990-2009 cars only
Makes
🢒
Pontiac
🢒
2000
🢒
Grand Am
🢒
Body and Accessories
🢒
Body Control System
🢒 Instrument Cluster: Analog Schematics
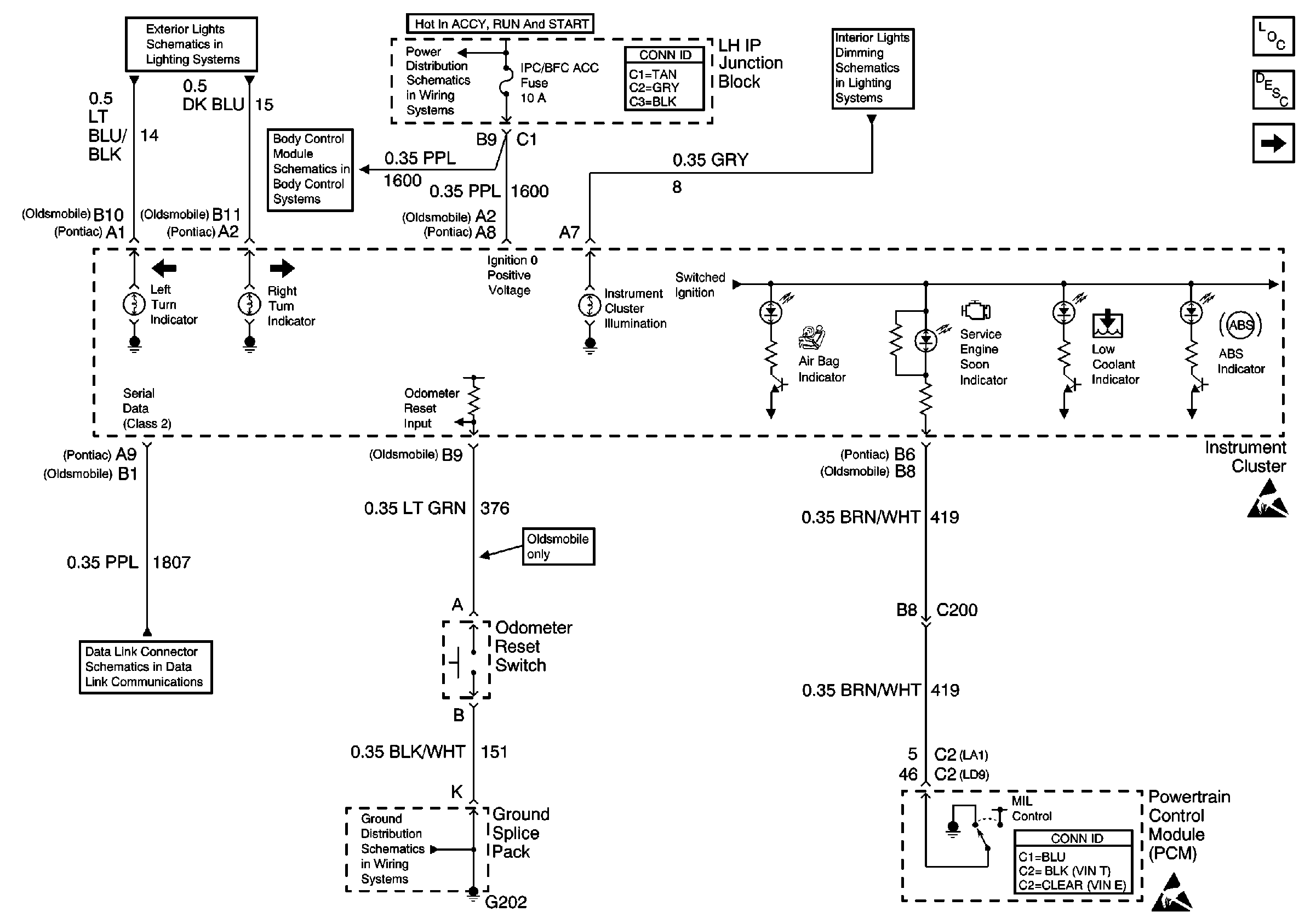
Figure
1:
Power, PCM, Odometer Reset Switch, Turn Signals and Class 2 Indicators
Instrument Cluster Components
Instrument Cluster Circuit Description
Class 2 Controlled Indicators
Exterior Lights Schematics
Power Distribution Schematics
Body Control System Schematics
Interior Lights Dimming Schematics
Data Link Connector Schematics
Ground Distribution Schematics
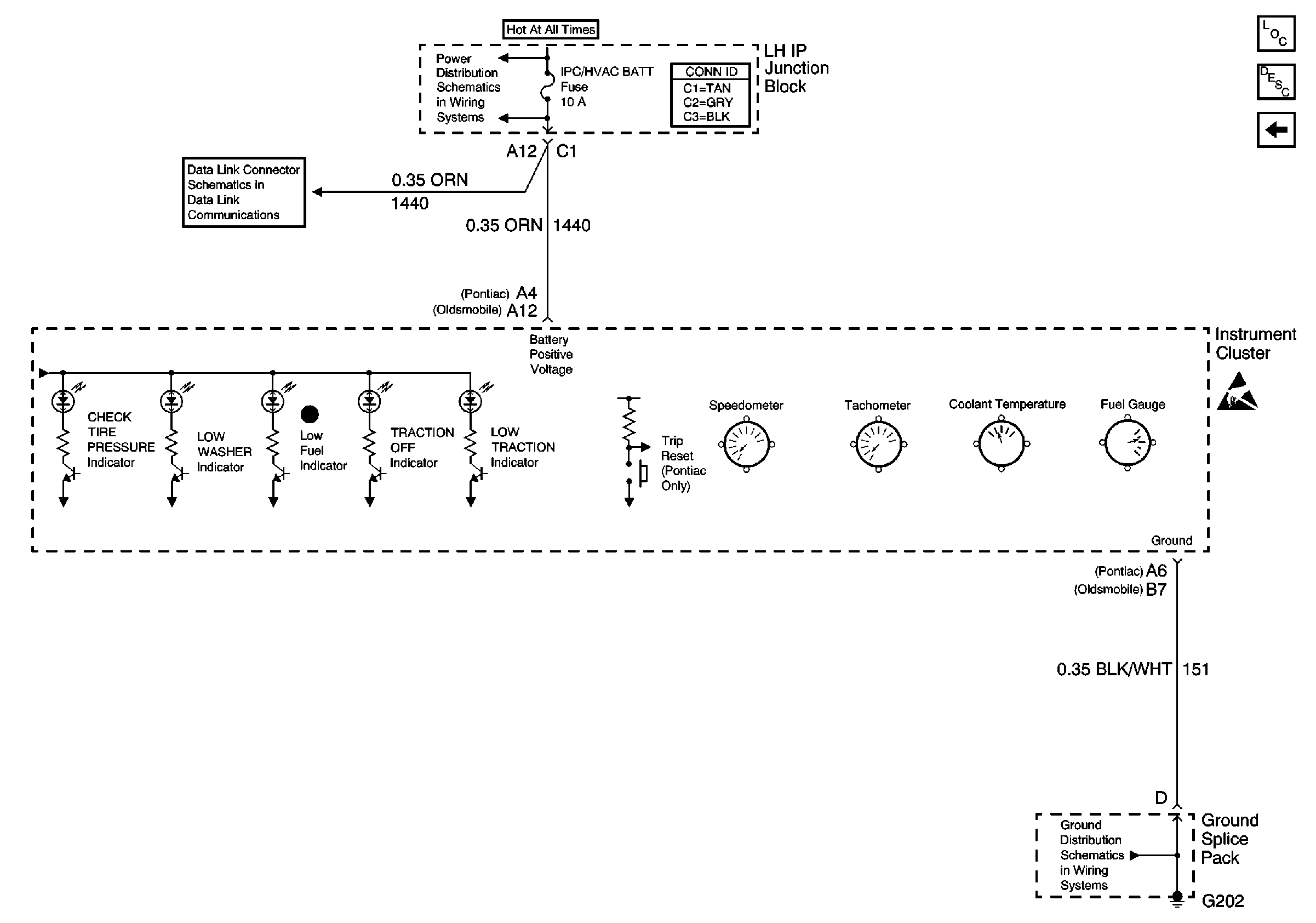
Figure
2:
Class 2 Controlled Indicators
Instrument Cluster Components
Instrument Cluster Circuit Description
Class 2 Controlled Indicators, Ground
Power, PCM, Odometer Reset Switch, Turn Signals and Class 2 Indicators
Figure
3:
Class 2 Controlled Indicators, Ground
Instrument Cluster Components
Instrument Cluster Circuit Description
Power, PCM, Odometer Reset Switch, Turn Signals and Class 2 Indicators
Data Link Connector Schematics
Power Distribution Schematics
Ground Distribution Schematics