GM Service Manual Online
For 1990-2009 cars only
Makes
🢒
Pontiac
🢒
2000
🢒
Grand Am
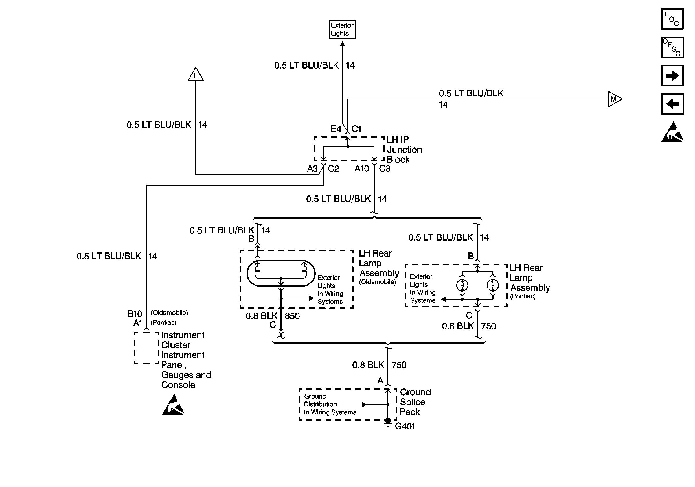
🢒 Left Rear Lamp Assembly
Left Rear Lamp Assembly
Left Rear Lamp Assembly
Lighting Systems Components
Exterior Lights Circuit Description
Front Park/Turnlamps and High Mounted Stop Lamp
Right Rear Lamp Assembly and Hazard Switch
Handling ESD Sensitive Parts Notice
Handling ESD Sensitive Parts Notice
Ground Distribution Schematics
Front Park/Turnlamps and High Mounted Stop Lamp