GM Service Manual Online
For 1990-2009 cars only
Makes
🢒
Pontiac
🢒
2000
🢒
Grand Am
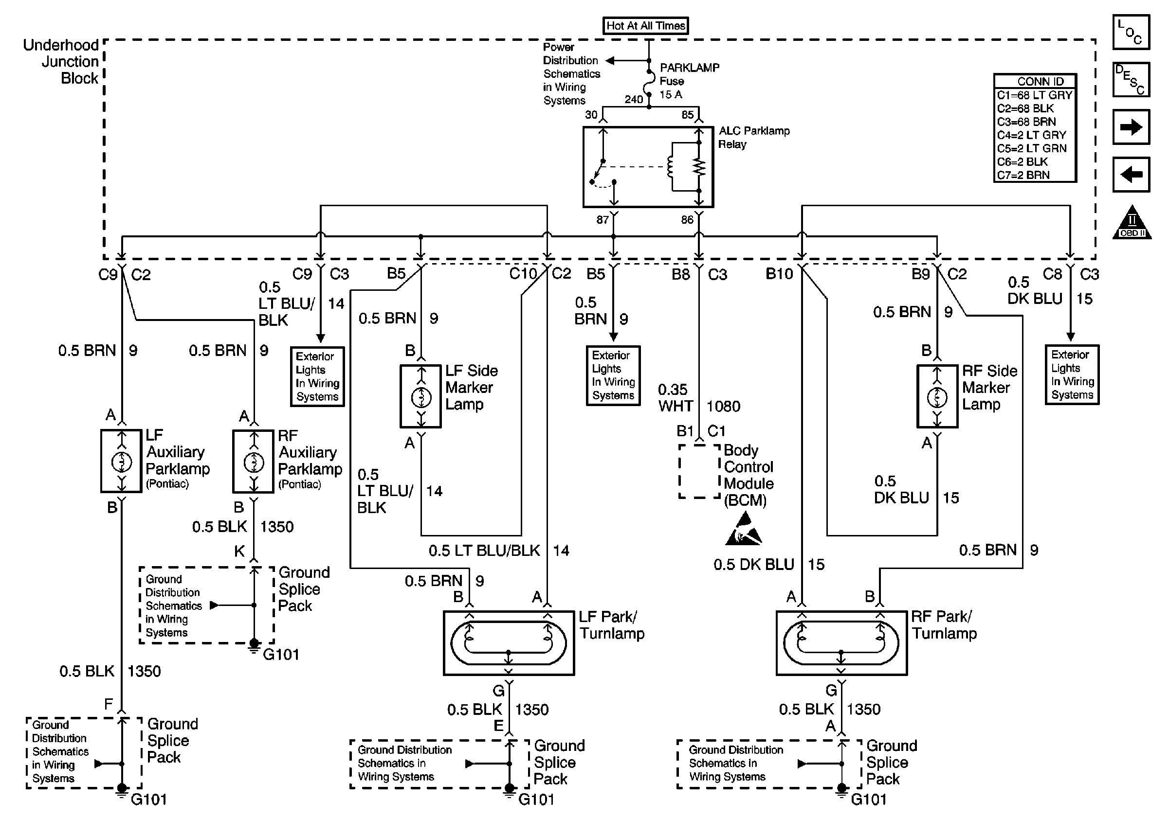
🢒 Front Park/Turnlamps and High Mounted Stop Lamp
Front Park/Turnlamps and High Mounted Stop Lamp
Front Park/Turnlamps and High Mounted Stop Lamp
Lighting Systems Components
Exterior Lights Circuit Description
Brake Switch and High Mounted Stop Lamp
Left Rear Lamp Assembly
Handling ESD Sensitive Parts Notice
Left Rear Lamp Assembly
Tail/Stop Lamps
Right Rear Lamp Assembly and Hazard Switch
Handling ESD Sensitive Parts Notice
Ground Distribution Schematics
Ground Distribution Schematics
Ground Distribution Schematics
Ground Distribution Schematics